Automatizace provozu v analogu

Schémata, zapojení, návody, dotazy a postupy k využití v železničním modelářství.

Moderátoři: Michal Dalecký, Jarda H., Rudolf, 123.marek

Re: Automatizace provozu v analogu

Příspěvekod lajblt » pát 03 dub, 2015 1:26 pm

Jestli je to pro hanka ještě aktuální, tak to mám vyřešené pomocí požadovaných komponent - čistě reléová logika se sekvenčním automatem. Přes víkend to překreslím do koukatelné podoby.

Potřebné komponenty:
4x relé se 4mi přepínacími kontakty (např. RELZG4U012D z gme.cz) - sekvenční automat
2x relé se dvěma přepínacími kontakty - start a stop; po stisku tlačítka STOP dojede daná sekvence vlaků do výchozího stavu
1x bistabilní relé pro přepínání polarity v kolejích (komutátor)
4x relé s 1 spínacím kontaktem nebo optočlen
diody 1N4007, pokud dobře počítám celkem 33 ks

Pro řízení návěstidel je použit princip, který navrhl D, tj. 3 bistabilní relé řízené pomocí optočlenů. Reléová logika, přestavníky výhybek a komutátor jsou napájené z nezávislého okruhu společně s LED diodami v návěstidlech, optočleny se napájejí z okruhu trakce. Dalo by se to udělat i částečně odolné proti chybám (nepřestavení výhybek odbočky do správné polohy zablokuje návěstidla v poloze zakazující jízdu a vlak zůstane stát před návěstidlem až do odstranění poruchy), není to ani moc složité. ;)
lajblt
 
Příspěvky: 877
Registrován: ned 06 bře, 2011 7:38 pm

Re: Automatizace provozu v analogu

Příspěvekod hank » pát 03 dub, 2015 5:59 pm

lajblt: Ano, děkuji, určitě to aktuální je, budu moc rád.
... i my dědci ještě můžeme být všelijak užiteční...
Es ist viel später als du denkst.
hank
 
Příspěvky: 6894
Registrován: stř 24 čer, 2009 4:43 pm

Re: Automatizace provozu v analogu

Příspěvekod lajblt » ned 05 dub, 2015 6:48 pm

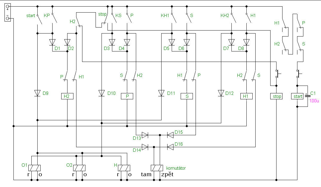
Tak jdu s kůži na trh. :)

Princip fungování je následující:
1) Po stisku tlačítka START se uvede sekvence do chodu - všechny tři výhybky se přestaví do odbočky a komutátor se přepne do polohy "TAM". Úsek H2 se připojí přes relé H2 na napájecí napětí a vlak 1 odjíždí do S.
2) Vlak 1 vjede do izolovaného úseku S. Na délku nejdelšího vlaku je umístěn kolejový kontakt KS, který přepne všechny výhybky do polohy "přímo" a sepne relé S. To rozepne relé H2 a přestaví komutátor do polohy "ZPĚT". Tím se úsek P připojí na napájecí napětí správné polarity a vlak 2 odjíždí do H1.
3) Vlak 2 dojede do H1. Koncovým kontaktem KH1 přestaví všechny výhybky opět do polohy "odbočka", sepne relé S a to rozepne relé P. Úsek S se připojí na napětí odpovídající polarity a vlak 1 odjíždí zpět do H2.
4) Vlak 1 dojede do H2. Koncovým kontaktem KH2 přestaví všechny výhybky do polohy "přímo", sepne relé H1, to rozepne relé S a přestaví komutátor do polohy "TAM". Vlak 2 odjíždí zpět do P.
5) Přichází poslední dějství: Vlak 2 dojede do P, koncovým kontaktem sepne relé H2, to rozepne relé P a komutátor ponechá v poloze "TAM".

To celé se opakuje tak dlouho, dokud nedojde ke stisku tlačítka "STOP". To sepne relé STOP, které přeruší okruh přídržného kontaktu relé H2 a to tak nemůže začít novou sekvenci. Aby nedošlo při stisku tohoto tlačítka ke vzniku chybového stavu, kdy vlak zůstane na trati mezi H2 a S, je po tuto dobu stisk tlačítka STOP neúčinný.

Doufám, že jsem na nic nezapomněl. :)
Přílohy
ProfiCAD2c-1.jpg
ProfiCAD2c-2.jpg
lajblt
 
Příspěvky: 877
Registrován: ned 06 bře, 2011 7:38 pm

Re: Automatizace provozu v analogu

Příspěvekod hank » ned 05 dub, 2015 9:54 pm

Děkuji mnohokráte, schémátka už jsou stažena, teď budu asi hóóódně dlouho studovat, než to pochopím. Děkuji za ochotu, jsem dlužníkem, snad dá pámbu, abych ti to ještě v tomto životě stihl oplatit... :wink:
... i my dědci ještě můžeme být všelijak užiteční...
Es ist viel später als du denkst.
hank
 
Příspěvky: 6894
Registrován: stř 24 čer, 2009 4:43 pm

Re: Automatizace provozu v analogu

Příspěvekod lajblt » ned 05 dub, 2015 10:05 pm

Nemáš vůbec zač. Doufám, že jsem v tom neudělal nějakou botu, kdybys na něco přišel, hned mi dej vědět. ;)
lajblt
 
Příspěvky: 877
Registrován: ned 06 bře, 2011 7:38 pm

Re: Automatizace provozu v analogu

Příspěvekod Petrgar » pon 19 říj, 2015 7:04 pm

Nepoužíváte někdo jednoduchý systém automatické změny polarity u vratné smyčky? Možná, že to tady někde je, ale nenašel jsem to.
Petrgar
 
Příspěvky: 12
Registrován: stř 23 lis, 2011 9:08 am

Re: Automatizace provozu v analogu

Příspěvekod D » pon 19 říj, 2015 9:03 pm

Petrgar:
A co by tvá smyčka měla umět? Pro vratnou smyčku v analogu je i zde v diskuzi spousta schemat. Záleží na požadavku na jednosměrný nebo obousměrný provoz, úseky (nádraží) ve smyčce, míře automatizace, ovládání a případně zpětnou vazbu.

V analogu obvykle nejde smyčkou projet najednou, protože polarita se musí změnit hlavně před smyčkou, tedy na ovladači rychlosti vlaku, a zapojení smyčky by mělo v první řadě samočinně zabránit projetí vlaku skrz smyčku na přepólovanou trať před ní. V prvním kroku tak vlak do smyčky vjede a na konci oblouku samočinně zastaví. Za druhé obsluha přehodí výhybku do smyčky a přepne polaritu na trati před smyčkou. Teprve potom může vlak ze smyčky vyjet.

Smyčka, do které vlaky vjíždějí jen z jedné strany, tedy jednosměrná, může být v základním zapojení jednoduchá, stačí čtyři diody a trojí oboustranné přerušení kolejnic; výhybka může být řešena jako samovratná. U obousměrné smyčky je třeba použít relé, které přepíná polaritu v kolejnicích, nejlépe ovládané synchronně s vjezdovou výhybkou; koncové úseky proti vyjetí vlaku budou v obou směrech na výjezdu ze smyčky. Případné skryté nádraží přímo ve smyčce vyžaduje dle požadované míry automatizace (třeba pokud nebude obsluha do smyčky vidět) složitější zapojení.
Uživatelský avatar
D
 
Příspěvky: 1372
Registrován: sob 27 úno, 2010 1:52 pm
Bydliště: Brno

Re: Automatizace provozu v analogu

Příspěvekod HonzaM » úte 20 říj, 2015 6:21 am

Asi se na mne skalní zastánci analogu budou zlobit, ale snaha o automatizaci v analogu mi připadá jako škrábání pravou rukou za levým uchem. Doporučuji všem "analogistům" vyzkoušet si digitál. Mne to přesvědčilo hned. Přechod na digitál není nic složitého a přinese to tolik nových možností, že není o čem přemýšlet.
FREMO, Zababov N-scale
http://www.1ku160.cz
HonzaM
 
Příspěvky: 4532
Registrován: úte 05 úno, 2013 9:01 am
Bydliště: Praha

Re: Automatizace provozu v analogu

Příspěvekod Pavel-HP » úte 20 říj, 2015 7:12 am

Osobně jsem vyzkoušel a používám vlastně obojí. Analogová automatizace mi přijde taková jednoduší. Hlavně tam není ten prevít, co se mu můžou zbláznit ty jedničky s nulama a je po automatizaci. Je to ovšem věcí názoru každého mode(u)láře. PS. digitalizovat velké množství lokomotiv je ekonomicky náročné a vitrínové modely, za účelem občasného projetí, nemá význam digitalizovat.
TT, epocha III. - V., U profil
www.vlakytt.cz
Uživatelský avatar
Pavel-HP
 
Příspěvky: 1204
Registrován: čtv 11 pro, 2008 2:47 pm
Bydliště: Praha

Re: Automatizace provozu v analogu

Příspěvekod Polabský » úte 20 říj, 2015 8:52 am

HonzaM píše:Asi se na mne skalní zastánci analogu budou zlobit, ale snaha o automatizaci v analogu mi připadá jako škrábání pravou rukou za levým uchem. Doporučuji všem "analogistům" vyzkoušet si digitál. Mne to přesvědčilo hned. Přechod na digitál není nic složitého a přinese to tolik nových možností, že není o čem přemýšlet.


Souhlasím ale ................................
Pokud mám ve vitrině několik desítek modelů starších čtyřiceti let, pak je to otázka, nejen ceny.
Do některých se "šváb" ani nedá jednoduše instalovat, protože mají například jeden pól "na kostře", nebo je zde pomálu místa.
Navíc odběr například Br 50 od Pika v plném tahu je okolo 0,8 A a to je pro zmíněného "švába", poněkud neúnosné.
Hezký den.

P.S. Proto zřejmě zůstanu nemožně předpotopně "analogovej"!
Polabský
 
Příspěvky: 856
Registrován: ned 26 úno, 2012 7:45 pm

Re: Automatizace provozu v analogu

Příspěvekod D » úte 20 říj, 2015 11:27 am

Petrgar:
Nejjednodušší zapojení vratné smyčky v analogu:

Vratná smyčka analogová jednosměrná
  • Vlak smyčkou projíždí vždy v jednom směru, v obrázku vjíždí spodní cestou dle šipky.
  • Přepínání výhybky může být automatické formou samovratu:
    1. mechanické, kde spodní polohu k vjezdu drží pružina nebo závaží a je nutno připravit výhybku tak, aby při vyjíždění z odbočky „říznutím“ nedošlo ke zkratu,
    2. elektronické, kde na délku nejdelšího vlaku před smyčkou je kontakt přepínající výhybku na vjezd a těsně před výjezdem ze smyčky je kontakt s opačnou funkcí,
    3. elektronické, kde pomocné relé přes diody/optočleny zjišťuje polaritu tratě a dle ní rovnou přepíná vjezdovou výhybku (mírně složitější zapojení).
  • funkce
    1. Vlak přijíždí doprava do smyčky, má postavenou cestu přímo.
    2. Vjede do úseku A, ten je přes diody z tratě napájen souhlasně s polaritou před smyčkou, takže vlak pokračuje dál. V tuto chvíli již nemůže vycouvat.
    3. Projede až do úseku B. Ten je však napájen přes diody v závěrném směru, takže v úseku není napětí a vlak zastaví.
    4. Obsluha přepne polaritu před smyčkou (a případně neautomatizovanou výhybku).
    5. Polarita souhlasí pro výjezd vlaku ze smyčky a ten opouští smyčku doleva.

vratna-smycka-analogova-jednosmerna.png
vratna-smycka-analogova-jednosmerna.png (5.71 KiB) Zobrazeno 7404 krát



Vratná smyčka analogová obousměrná
(Ve schematu byla chyba, nyní opraveno.)
  • Vlak smyčkou projíždí v libovolném směru, směr určuje obsluha postavením výhybky.
  • Přepínání výhybky je spojeno s relé, které přepíná polaritu ve smyčce.
  • funkce
    1. Vlak přijíždějící doprava do smyčky, má postavenou cestu přímo.
    2. Projede úsekem A, ten je přes třetí kontakt napájen souhlasně s polaritou ve smyčce, takže vlak pokračuje dál.
    3. Projede až k úseku B. Ten je však třetím kontaktem odpojen od napájení, takže v úseku není napětí a vlak zastaví.
    4. Obsluha přepne výhybku a polaritu před smyčkou.
    5. Polarita v úseku souhlasí pro výjezd vlaku ze smyčky a ten opouští smyčku doleva.
  • Po najetí do koncového úseku je omezena možnost vlaku ze smyčky vycouvat.

vratna-smycka-analogova.png
vratna-smycka-analogova.png (12.45 KiB) Zobrazeno 6916 krát


Funkce automatického zastavení v těchto jednoduchých smyčkách počítá s tím, že lokomotiva (sbírající proud) je v soupravě vepředu. V jednosměrné smyčce je třeba před přepólováním tratě počkat, až bude lokomotiva v úseku B. V obousměrné smyčce se vlak ve směru do smyčky (například ze směru A) snaží dostat na její konec - vlak ukončí vjezd a zastaví se (v úseku B). Když obsluha ponechá polaritu směr do smyčky, ale změní postavení výhybky, bude se lokomotiva snažit dosáhnout druhého konce smyčky (úsek A), což při tlačení vagónů nedopadne dobře.
Naposledy upravil D dne čtv 31 bře, 2016 10:03 am, celkově upraveno 1
Uživatelský avatar
D
 
Příspěvky: 1372
Registrován: sob 27 úno, 2010 1:52 pm
Bydliště: Brno

Re: Automatizace provozu v analogu

Příspěvekod HonzaM » úte 20 říj, 2015 12:07 pm

Polabský píše:Pokud mám ve vitrině několik desítek modelů starších čtyřiceti let, pak je to otázka, nejen ceny.
Do některých se "šváb" ani nedá jednoduše instalovat, protože mají například jeden pól "na kostře", nebo je zde pomálu místa.
Navíc odběr například Br 50 od Pika v plném tahu je okolo 0,8 A a to je pro zmíněného "švába", poněkud neúnosné.
Hezký den.

P.S. Proto zřejmě zůstanu nemožně předpotopně "analogovej"!

Pokud jde o místo, pak asi není mnoho lokomotiv, do nichž by se nevešel dekoděr DCX77z o rozměrech 7,6 x 5 x 1,8 mm, jeho zatížitelnost je 0,8A. Také mám ve vitrině starší modely, ale řadu z nich z vitriny nikdy nevyndavám a nemám je digitalizovány.
FREMO, Zababov N-scale
http://www.1ku160.cz
HonzaM
 
Příspěvky: 4532
Registrován: úte 05 úno, 2013 9:01 am
Bydliště: Praha

Re: Automatizace provozu v analogu

Příspěvekod Petrgar » úte 20 říj, 2015 4:25 pm

Díky za odpověď. Moje myšlenka byla, udělat vratnou smyčku jako skryté nádraží. Když přijede vlak do SN, tak bude dán příkaz dalšímu vlaku k jízdě a tím by se i změnila automaticky polarita.
Petrgar
 
Příspěvky: 12
Registrován: stř 23 lis, 2011 9:08 am

Re: Automatizace provozu v analogu

Příspěvekod D » úte 20 říj, 2015 4:57 pm

Petrgar:
Na to by se hodila jednosměrná vratná smyčka. Samozřejmě, že by ji šlo individuálně upravit, ale zde už by se hodil aspoň schematický plánek vedení kolejí. Jak jsem psal výše, podstatou automatizace by bylo přepínání polarity mimo smyčku, naopak ve smyčce by vlaky jezdily pouze jedním směrem.
Uživatelský avatar
D
 
Příspěvky: 1372
Registrován: sob 27 úno, 2010 1:52 pm
Bydliště: Brno

Re: Automatizace provozu v analogu

Příspěvekod Petrgar » čtv 22 říj, 2015 7:11 pm

Elektrické schéma ještě nemám. Mělo by se jednat o Senomlaty od Milana F.
Petrgar
 
Příspěvky: 12
Registrován: stř 23 lis, 2011 9:08 am

PředchozíDalší

Zpět na Elektrika a elektronika

Kdo je online

Uživatelé procházející toto fórum: Žádní registrovaní uživatelé a 1 návštěvník