zpětné hlášení

Schémata, zapojení, návody, dotazy a postupy k využití v železničním modelářství.

Moderátoři: Michal Dalecký, Jarda H., Rudolf, 123.marek

Re: Oblouk s použitím obloukové výhybky

Příspěvekod Beda » pát 17 led, 2014 2:05 pm

Nene, civka neni trvale pod napetim,
tlacitko/dekoder/mzikovy spinac da jen impuls pro prestaveni (muj cca 0,5 sekundy ) a pak se spinace odpoji.
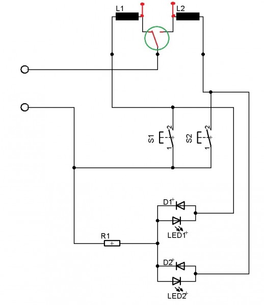
Ta detekce se dela tak, ze se vyuzije stavu, kdy koncove vypinani "prepne napajeni do "druhe" civky. Takže pres tuto civku tece jen maly proud (2-4mA) do snimace.
Pokud se to fyzicky neprehodi, zustava indikace na te puvodni poloze. Takze po zapnuti proudu mam okamzite info o aktualni poloze všech výměn.
Asi by to chtělo obrázek...
N, DCC, NANOX V 3.6, DIGI CZ: Gen LI 101, FBO, Vratná smyčka CZ-030,
ROCRAIL na RaspberryPi...
Beda
 
Příspěvky: 144
Registrován: úte 22 lis, 2011 5:12 pm
Bydliště: Praha 8

Re: Oblouk s použitím obloukové výhybky

Příspěvekod BohousP » pát 17 led, 2014 2:11 pm

Beda píše:Nene, civka neni trvale pod napetim,
tlacitko/dekoder/mzikovy spinac da jen impuls pro prestaveni (muj cca 0,5 sekundy ) a pak se spinace odpoji.
Ta detekce se dela tak, ze se vyuzije stavu, kdy koncove vypinani "prepne napajeni do "druhe" civky. Takže pres tuto civku tece jen maly proud (2-4mA) do snimace.
Pokud se to fyzicky neprehodi, zustava indikace na te puvodni poloze. Takze po zapnuti proudu mam okamzite info o aktualni poloze všech výměn.
Asi by to chtělo obrázek...


Třeba tenhle obrázek to myslím vystihuje jasně http://diskuze.modely.biz/download/file.php?id=8868&t=1, a nezáleží na tom, jestli jsou vyvedené ven vývody pro zpětný ohlas. Ale odpojování cívek tam musí být a tlačítka bez aretace.
TT, DCC, NanoX-2017, TC8, ... http://masinky.info
Uživatelský avatar
BohousP
 
Příspěvky: 3064
Registrován: stř 12 kvě, 2010 9:17 am
Bydliště: Praha - Malešice

Re: Oblouk s použitím obloukové výhybky

Příspěvekod fulda » pát 17 led, 2014 2:25 pm

Barbucha píše:Nojo, to je dobrá rada do vlákna o analogovém ovládání přestavníků TTBB.
... které se jmenuje: "Oblouk s použitím obloukové výhybky" :shock:
Za pravopisné chyby v této zprávě může moje učitelka češtiny.
Uživatelský avatar
fulda
 
Příspěvky: 5308
Registrován: pon 09 srp, 2010 8:08 am
Bydliště: Praha - Uhříněves

Re: Oblouk s použitím obloukové výhybky

Příspěvekod miroslav lengyel » pát 17 led, 2014 4:56 pm

Barbucha píše:
miroslav lengyel píše:Jó chlapci,kdybyste používali kvalitní techniku jako já(Fleischmann Profi),tak žádný zpětný ohlas nepotřebujete. :D


No tak nám povyprávěj o tom, jak poznáš v jaké poloze je přestavník/výhybka ve skryťáku. Tu kvalitní techniku používám taky :mrgreen: .


Ale tak klidně povyprávím. :D Ve skryťáku stavím vlakovou cestu jedním tlačítkem,takže zmáčknu "čudlík"a vím,že mám postaveno na zamýšlenou kolej.Tudíž nepotřebuji vědět,která veksle je do rovna a která do odbočky,zajímá mě pouze to,že mám postaveno na volnou kolej.To mi hlídají "hlídači",které mi vyrobil zeťák a pokud je kolej obsazená,tak na panýlku mi svítí ledka.No a protože používám kvalitní techniku,tak vím,že se výměna vždy přehodí kam má a tudíž nepotřebuji žádnou zpětnou kontrolu. :lol: Na viditelné části na veksle vidím,takže tam nepotřebuji vůbec,kontrola je pouze vizuální,takže když se výpravčí přehlédne je z toho hromada jako hrom. :mrgreen:
H0 II.epocha DRG+1souprava Würtenberg(startset)a pára K.P.E.V.ještě je nestihli přeznačit.
Uživatelský avatar
miroslav lengyel
 
Příspěvky: 3591
Registrován: sob 17 led, 2009 6:26 am
Bydliště: Ústí nad Labem

Re: Oblouk s použitím obloukové výhybky

Příspěvekod Barbucha » pát 17 led, 2014 5:03 pm

miroslav lengyel píše:
Barbucha píše:
miroslav lengyel píše:Jó chlapci,kdybyste používali kvalitní techniku jako já(Fleischmann Profi),tak žádný zpětný ohlas nepotřebujete. :D


No tak nám povyprávěj o tom, jak poznáš v jaké poloze je přestavník/výhybka ve skryťáku. Tu kvalitní techniku používám taky :mrgreen: .


Ale tak klidně povyprávím. :D Ve skryťáku stavím vlakovou cestu jedním tlačítkem,takže zmáčknu "čudlík"a vím,že mám postaveno na zamýšlenou kolej.Tudíž nepotřebuji vědět,která veksle je do rovna a která do odbočky,zajímá mě pouze to,že mám postaveno na volnou kolej.To mi hlídají "hlídači",které mi vyrobil zeťák a pokud je kolej obsazená,tak na panýlku mi svítí ledka.No a protože používám kvalitní techniku,tak vím,že se výměna vždy přehodí kam má a tudíž nepotřebuji žádnou zpětnou kontrolu. :lol: Na viditelné části na veksle vidím,takže tam nepotřebuji vůbec,kontrola je pouze vizuální,takže když se výpravčí přehlédne je z toho hromada jako hrom. :mrgreen:


Jak kdybych to netušil :-D

Omlouvám se všem ve vlákně, ale zkrátka na elektriku jsem úplně blbej a lepší už to nebude.
DR, H0, epocha III c, v neplánované pauze.
Uživatelský avatar
Barbucha
 
Příspěvky: 2311
Registrován: pát 06 čer, 2008 7:20 am
Bydliště: Brno

Re: Oblouk s použitím obloukové výhybky

Příspěvekod palo-1 » pát 17 led, 2014 6:08 pm

Děkuji všem za cenné rady. Asi půjdu cestou kterou píše Tomáš, a děkuji mu i za pro mne , jakožto elektro-analfabeta, za srozumitelný obrázek. Jen se chci zeptat, velikost kapacity kondenzátoru se určuje dle čeho? Tady na stránkách http://www.volny.cz/masinky2003/ovladan ... vniku.html autor píše, že pro přestavník tilig pracuje dobře kondenzátor s kapacitou 4500 - 5000uF a 25 - 35V.


Tomáš píše:Zatím se tu dávaly samé jednoduché zapojení a v tom by se mělo pokračovat. Správně bylo uvedeno, že přestavník bez ohlasu nemá koncové odepínání ! Pokud bude při poruše do přestavníku trvale pouštěn proud shoří. Proto bych volil toto zapojení, kde ochranu dělá kondenzátor. Použití páčkových přepínačů je daleko efektnější, než obyčejných tlačítek. Pokud se přepínač osadí do pultíku se schématem stanice je vše super přehledné. Při použití dvojitého přepínače mohu opět velmi jednoduše zapojit i ten ohlas. Pokud by se vyráběl i trojitý přepínač, dá se jedním překlopením ovládat výhybka ohlas i přívod proudu ke kolejím.
Pro lepší orientaci jsem barevné zapojení přepínače vyznačil v obrázku vpravo nahoře. Určitě se to dá nakreslit schématický líp, ale to já neumím. :D
Přílohy
ohlas výhybky.jpg
palo-1
 
Příspěvky: 46
Registrován: ned 05 led, 2014 8:47 am

Re: zpětné hlášení

Příspěvekod palo-1 » sob 18 led, 2014 2:13 pm

Tak jsem se snažil dneska zapojit přestavník podle obrázku který je výše, a nějak mi to nefungovalo. Přestavník přehazoval jen když byl přepínač v poloze kdy se kondenzátor nabíjí, ale zpátky přehodit nechtěl. Navíc se mi zdálo že kondenzátor i přestavník byl docela teplý. Kondenzátor jsem použil s kapacitou 4700uF. Tak teď nevím v čem je chyba..
palo-1
 
Příspěvky: 46
Registrován: ned 05 led, 2014 8:47 am

Re: zpětné hlášení

Příspěvekod D » sob 18 led, 2014 7:45 pm

palo-1:
Při zapojování doporučuji postupovat po částech a průběžně kontrolovat funkci.

Moc nevěřím ve snadnou interpretaci při zapojování podle toho barevného obrázku, hrozí přehození drátů.

  1. Zkontroluj, zda přestavník přepíná i bez tohoto zapojení. V mém schematu krátký dotyk napětí mezi svorky A-R a poté zpět na B-R. Pokud nejsou, tak si svorky názorně označ, ať víš, co kam zapojit.
  2. Zkontroluj na přívodu polaritu napětí. Musí být usměrněné, na poloze kladného pólu záleží.
  3. Zkontroluj si polaritu kondenzátoru. Na starších typech je zúžení a označení (+) u kladného pólu, u novějších je bílá čára se znakem (-) u záporného pólu.
  4. Zkontroluj si zapojení přepínače. Společný vývod jde na (-) kondenzátoru.

Teprve až tohle budeš mít funkční, zapoj na druhou polovinu vypínače ohlasy (světýlka).
Přílohy
prestavnik-s-kondenzatorem.png
prestavnik-s-kondenzatorem.png (8.37 KiB) Zobrazeno 6152 krát
Uživatelský avatar
D
 
Příspěvky: 1371
Registrován: sob 27 úno, 2010 1:52 pm
Bydliště: Brno

Re: zpětné hlášení

Příspěvekod palo-1 » sob 18 led, 2014 8:27 pm

Ještě se zeptám úplně od začátku. Označení kontaktů A, B, R je myšleno na přestavníku, předpokládám tak jak jsem zakreslil do obrázku?



D píše:palo-1:
Při zapojování doporučuji postupovat po částech a průběžně kontrolovat funkci.

Moc nevěřím ve snadnou interpretaci při zapojování podle toho barevného obrázku, hrozí přehození drátů.

  1. Zkontroluj, zda přestavník přepíná i bez tohoto zapojení. V mém schematu krátký dotyk napětí mezi svorky A-R a poté zpět na B-R. Pokud nejsou, tak si svorky názorně označ, ať víš, co kam zapojit.
  2. Zkontroluj na přívodu polaritu napětí. Musí být usměrněné, na poloze kladného pólu záleží.
  3. Zkontroluj si polaritu kondenzátoru. Na starších typech je zúžení a označení (+) u kladného pólu, u novějších je bílá čára se znakem (-) u záporného pólu.
  4. Zkontroluj si zapojení přepínače. Společný vývod jde na (-) kondenzátoru.

Teprve až tohle budeš mít funkční, zapoj na druhou polovinu vypínače ohlasy (světýlka).
Přílohy
prestavník.jpg
prestavník.jpg (11.73 KiB) Zobrazeno 6138 krát
palo-1
 
Příspěvky: 46
Registrován: ned 05 led, 2014 8:47 am

Re: zpětné hlášení

Příspěvekod Jirka1 » sob 18 led, 2014 8:39 pm

palo-1 píše:Ještě se zeptám úplně od začátku. Označení kontaktů A, B, R je myšleno na přestavníku, předpokládám tak jak jsem zakreslil do obrázku?
Obávám se, že to zapojení s kondenzátorem s tímto přestavníkem nebude fungovat, protože ten má v sobě koncové vypínání...
Uživatelský avatar
Jirka1
 
Příspěvky: 534
Registrován: pon 28 led, 2008 6:30 pm
Bydliště: Ústeckoorlicko

Re: zpětné hlášení

Příspěvekod rexel » ned 19 led, 2014 5:04 pm

Pokud bych to shrnul, tak se vždy bude jednat o třívodičové připojení přestavníku.
Přestavník bez zpětného ohlasu (nemá koncové vypínání), budeš napájet stejnosměrným napětím - zapojíš dle D „Moduly Brno“
Přestavník se zpětným ohlasem budeš napájet střídavým napětím (má koncové vypínání) – dle tvého schémátka ze dne 16.1 . Přepínač má tři polohy – z toho střední polohu aretovanou (vypnuto). Tohle zapojení používám, pouze mám pro každou LED samostatný srážecí odpor a navíc k LED antiparalelně zapojenou ochrannou diodu. Vývody pro zpětný ohlas nedoporučuji používat, je to vlastně konec plíšku kontaktu koncového vypínání. Při neopatrném zacházení můžeš kontakt poškodit.
TT, Ep. III.-V., Digital
Uživatelský avatar
rexel
 
Příspěvky: 68
Registrován: čtv 17 čer, 2010 8:19 pm
Bydliště: Klenčí p Č.

Re: zpětné hlášení

Příspěvekod palo-1 » ned 19 led, 2014 6:40 pm

Děkuji za shrnutí, myslel jsem že systém zapojení s kondenzátorem mohu použít i pro přestavníky s koncovým vypínáním... Problém je že polovinu přestavníků mám bez koncového vypínání a polovinu s koncovým vypínáním.. Takže jak to tak chápu, tak univerzální řešení pro oba typy přestavníku neexistuje :roll: Můžeš mi prosímtě upravit tedy to moje schémátko pro zapojení přestavníku s koncovým vypínáním, dle tvé rady? Pro každou LED samostatný odpor chápu, ale nevím jak k LED zapojit antiparelelně ochrannou diodu. Někdo mi ale u toho schématka napsal, že je chybné, že oběma cívkami přestavníku současně a trvale bude procházet proud přes obvod zpětného hlášení bez ohledu na polohu spínače... Mockrát děkuji
Přílohy
zpetny_ohlas1.jpg
palo-1
 
Příspěvky: 46
Registrován: ned 05 led, 2014 8:47 am

Re: zpětné hlášení

Příspěvekod Jirka1 » ned 19 led, 2014 9:35 pm

palo-1 píše:Děkuji za shrnutí, myslel jsem že systém zapojení s kondenzátorem mohu použít i pro přestavníky s koncovým vypínáním... Problém je že polovinu přestavníků mám bez koncového vypínání a polovinu s koncovým vypínáním.. Takže jak to tak chápu, tak univerzální řešení pro oba typy přestavníku neexistuje :roll: Můžeš mi prosímtě upravit tedy to moje schémátko pro zapojení přestavníku s koncovým vypínáním, dle tvé rady? Pro každou LED samostatný odpor chápu, ale nevím jak k LED zapojit antiparelelně ochrannou diodu. Někdo mi ale u toho schématka napsal, že je chybné, že oběma cívkami přestavníku současně a trvale bude procházet proud přes obvod zpětného hlášení bez ohledu na polohu spínače... Mockrát děkuji

Tak jak to máš zakresleno, tak to použít nepůjde, protože z vlastní zkušenosti (odkaz na článek) vím, že na to, že koncové vypínání není u přestavníků BTTB na 100% spolehlivé, takže pokud budeš mít trvale připojeno na jednu cívku napětí, tak Ti ten přestavník jednoduše dříve nebo později shoří.
Proto doporučuji propojit oba jazýčky koncového vypínání a použít je jako střední kontakt R dle zapojení s kondenzátorem, které vložil "D" výše...
A pak budeš moci použít toto stejné zapojení jak pro přestavníky bez koncového vypínání tak i ty, které ho mají, protože ho tak u nich překleneš a budou se chovat, jako by tam nebylo... :idea:
Naposledy upravil Jirka1 dne čtv 23 led, 2014 4:35 pm, celkově upraveno 1
Uživatelský avatar
Jirka1
 
Příspěvky: 534
Registrován: pon 28 led, 2008 6:30 pm
Bydliště: Ústeckoorlicko

Re: zpětné hlášení

Příspěvekod rexel » ned 19 led, 2014 9:40 pm

Přepínač je aretován "pouze" v prostřední poloze – na něm není spojen žádný kontakt.
Každá ze dvou cívek má v přestavníku jeden rozpínací kontakt – podle polohy jádra cívek je vždy jeden rozepnut a druhý sepnut.
Přes vinutí cívky a odpovídající sepnutý kontakt přestavníku protéká proud do obvodů pouze jedné LED diody. Po přestavení přestavníku se sepnutý kontakt rozepne a sepne se rozepnutý kontakt druhé cívky – rozsvítí se druhá LED dioda, první zhasne. Vždy svítí ta z nich, kde budeš spínat přepínač, proto je musíš na panelu opticky prohodit, aby ukazovala polohu vyhybky a ne kam se bude příště vyhybka přestavovat. To je jen ovšem detail.
Ochrannou diodu u LED zapojuji v obvodech střídavého proudu při napěťových špičkách a jednocestném usměrnění, na ochranu přechodu katoda – anoda LEDky, ochrannou diody zapojuji paralelně k LED diodě a to na anodu LED - katodu , na katodu LED - anodu, nerad odstraňuji poruchy. Není to nezbytné a modeláři to asi nepoužívají. To je asi vše.
TT, Ep. III.-V., Digital
Uživatelský avatar
rexel
 
Příspěvky: 68
Registrován: čtv 17 čer, 2010 8:19 pm
Bydliště: Klenčí p Č.

Re: zpětné hlášení

Příspěvekod Miloš_P » ned 19 led, 2014 10:09 pm

Jirka1 píše:
palo-1 píše:Ještě se zeptám úplně od začátku. Označení kontaktů A, B, R je myšleno na přestavníku, předpokládám tak jak jsem zakreslil do obrázku?
Obávám se, že to zapojení s kondenzátorem s tímto přestavníkem nebude fungovat, protože ten má v sobě koncové vypínání...

Koncové vypínání na to nemá vliv, protože přestavník je uváděn do pohybu nabíjecím a vybíjecím proudem kondenzátoru. Koncové vypínání odepne cívku až po přestavení, tedy po proudovém impulzu.
Uživatelský avatar
Miloš_P
 
Příspěvky: 736
Registrován: stř 20 pro, 2006 9:40 pm
Bydliště: Praha

PředchozíDalší

Zpět na Elektrika a elektronika

Kdo je online

Uživatelé procházející toto fórum: Žádní registrovaní uživatelé a 0 návštevníků

cron