Potřebné komponenty:
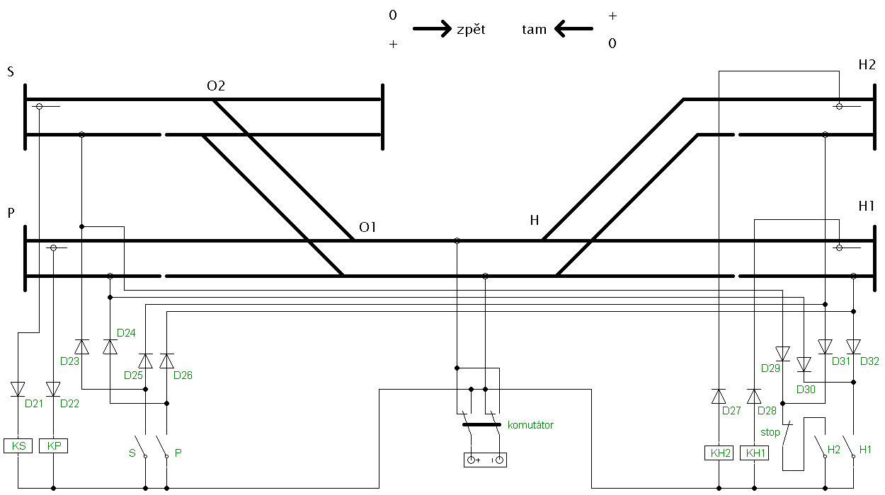
4x relé se 4mi přepínacími kontakty (např. RELZG4U012D z gme.cz) - sekvenční automat
2x relé se dvěma přepínacími kontakty - start a stop; po stisku tlačítka STOP dojede daná sekvence vlaků do výchozího stavu
1x bistabilní relé pro přepínání polarity v kolejích (komutátor)
4x relé s 1 spínacím kontaktem nebo optočlen
diody 1N4007, pokud dobře počítám celkem 33 ks
Pro řízení návěstidel je použit princip, který navrhl D, tj. 3 bistabilní relé řízené pomocí optočlenů. Reléová logika, přestavníky výhybek a komutátor jsou napájené z nezávislého okruhu společně s LED diodami v návěstidlech, optočleny se napájejí z okruhu trakce. Dalo by se to udělat i částečně odolné proti chybám (nepřestavení výhybek odbočky do správné polohy zablokuje návěstidla v poloze zakazující jízdu a vlak zůstane stát před návěstidlem až do odstranění poruchy), není to ani moc složité.
