Osvetleni M152/810

Vše pro digitální provoz - dotazy, praxe, návody, postupy, normy, kompatibilita atd.

Moderátoři: Michal Dalecký, Jarda H., Rudolf

Re: Osvetleni M152/810

Příspěvekod belgarat » ned 29 pro, 2019 7:09 am

prcek píše:K tomu jazýčkovému relé, asi mi něco uniká, ale kde se vezme to magnetické pole pro jeho sepnutí?

Obsluha priblizi magnet ke kastli ? Ja spis postradam neco pro udrzeni stavu; mel jsem za to ze jazyckova rele rozepnou kdyz magnet zmizi ...
TT ep. IVa-b; analog + NanoX, DR5000. Pseudoprogramator, pindac nesmyslu
http://modelwiki.klfree.net
belgarat
 
Příspěvky: 2428
Registrován: čtv 27 pro, 2012 9:36 pm
Bydliště: Hřebeč u Kladna

Re: Osvetleni M152/810

Příspěvekod Brejla » ned 29 pro, 2019 7:51 am

belgarat píše:
prcek píše:K tomu jazýčkovému relé, asi mi něco uniká, ale kde se vezme to magnetické pole pro jeho sepnutí?

Obsluha priblizi magnet ke kastli ? Ja spis postradam neco pro udrzeni stavu; mel jsem za to ze jazyckova rele rozepnou kdyz magnet zmizi ...


Tento konkretní typ neznám, ale bistabilní magnetické spínače se běžně používají.
Brejla
 
Příspěvky: 1421
Registrován: sob 18 črc, 2015 8:25 am

Re: Osvetleni M152/810

Příspěvekod belgarat » ned 29 pro, 2019 9:00 am

Bistabilni zas neznam ja ... dal bys odkaz :) ? Znam pouze varianty https://www.gme.cz/jazyckovy-magneticky ... k1a66-1020. Bistabilni se da dohnat elektronikou ale to neni pod strechou vagonu uplne ono :)
TT ep. IVa-b; analog + NanoX, DR5000. Pseudoprogramator, pindac nesmyslu
http://modelwiki.klfree.net
belgarat
 
Příspěvky: 2428
Registrován: čtv 27 pro, 2012 9:36 pm
Bydliště: Hřebeč u Kladna

Re: Osvetleni M152/810

Příspěvekod kokr » ned 29 pro, 2019 10:59 am

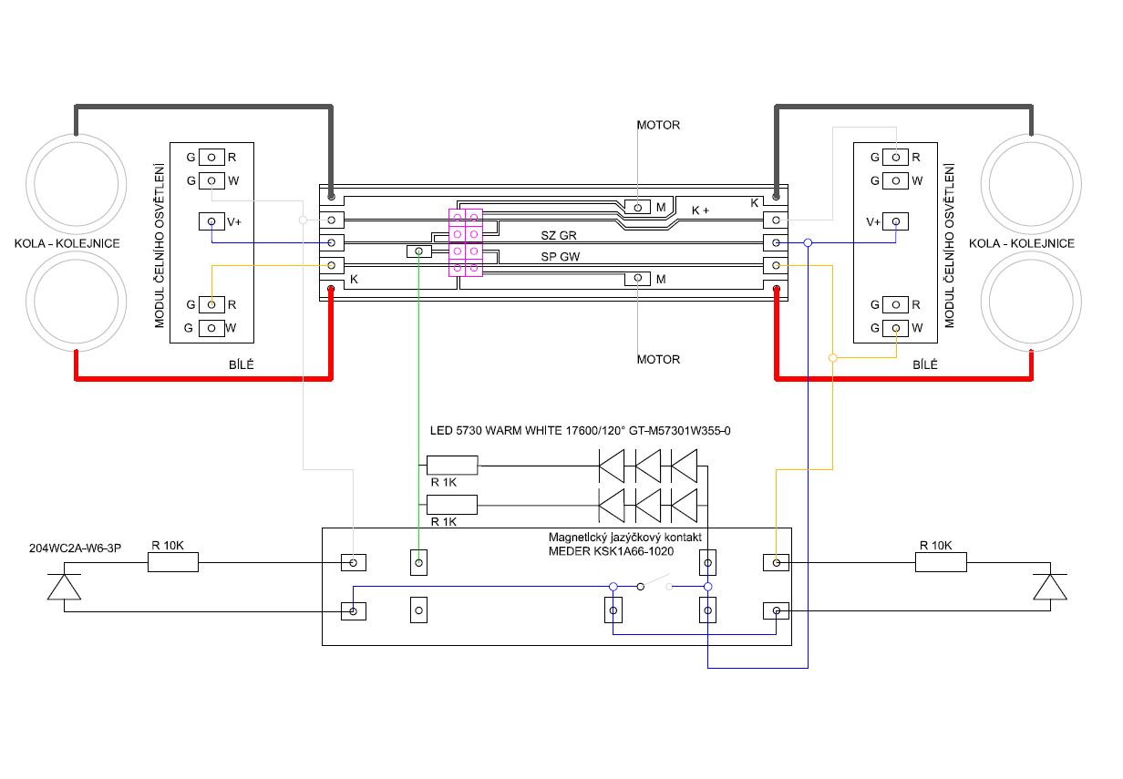
Co ten zbytek zapojení? Je v pořádku nebo to mam špatně? Myslel jsem, že když k tomu dal magnet, tak to přestane svítit či naopak. Opravdu tomu nerozumím ale viděl jsme to u nějakého ovládání vnitřního osvětlení u vagónů. Děkuji.
kokr
 
Příspěvky: 93
Registrován: ned 11 pro, 2011 11:41 am

Re: Osvetleni M152/810

Příspěvekod Brejla » ned 29 pro, 2019 12:38 pm

Brejla
 
Příspěvky: 1421
Registrován: sob 18 črc, 2015 8:25 am

Re: Osvetleni M152/810

Příspěvekod belgarat » ned 29 pro, 2019 1:15 pm

kokr píše:Co ten zbytek zapojení? Je v pořádku nebo to mam špatně? Myslel jsem, že když k tomu dal magnet, tak to přestane svítit či naopak. Opravdu tomu nerozumím ale viděl jsme to u nějakého ovládání vnitřního osvětlení u vagónů. Děkuji.

Nejsem elektrotechnik. A taky nerozumim tem LED 5730 warm white obracenym katodou k vodici V+. Stejne tak uplne nerozumim tem PNP tranzistorum; v zapojeni, ktere tam mas bude mit baze pri vypnutem vystupu napeti nedefinovane ?
TT ep. IVa-b; analog + NanoX, DR5000. Pseudoprogramator, pindac nesmyslu
http://modelwiki.klfree.net
belgarat
 
Příspěvky: 2428
Registrován: čtv 27 pro, 2012 9:36 pm
Bydliště: Hřebeč u Kladna

Re: Osvetleni M152/810

Příspěvekod kokr » čtv 02 led, 2020 12:14 pm

Tak snad už finále, resp. koupím komponenty a vyzkouším. Pak bych si chtěl udělat plošný spoj a udělat finální verzi. Díky vvinty jsem si uvědomil to přehazování díky změně směru a tak snad už je vše v pořádku. Když nebude fungovat ten magnetický spínač, tak tam prostě nebude.
Přílohy
2020_01_01_schema M131.JPG
schéma M131 4
kokr
 
Příspěvky: 93
Registrován: ned 11 pro, 2011 11:41 am

Re: Osvetleni M152/810

Příspěvekod k.olousek » pát 03 led, 2020 4:17 pm

Zdravím všechny kolegy a přeji hodně úspěchů v novém roce. Jsem znovu začátečník a mám na vás dotaz na který marně všude možně hledám odpověď.
udělal jsem si radost a pořídil si 2x stavebnici M152/810 nebo vozu Baafx od LPH. Můj záměr je prozatím motoráček a 1 přípojný vůz (analog TT). Při jízdě na motoráku svítí jenom přední bílá světla a na voze zadní červená je to tak?. Používalo se i tlačení přípojného vozu nebo se to muselo někde otočit aby byl motorák zase první?.jestli ano tak kdy se používaly bílé světla na přípojném voze nebo kdy a jaké se rozsvěcovaly při různých režimech provozu. Prosím nekamenujte mě a děkuji za srozumitelnou odpověď.
k.olousek
 
Příspěvky: 2
Registrován: úte 29 kvě, 2018 5:22 am

Re: Osvetleni M152/810

Příspěvekod radula63 » pát 03 led, 2020 6:23 pm

k.olousek píše:Používalo se i tlačení přípojného vozu nebo se to muselo někde otočit aby byl motorák zase první?.jestli ano tak kdy se používaly bílé světla na přípojném voze nebo kdy a jaké se rozsvěcovaly při různých režimech provozu. Prosím nekamenujte mě a děkuji za srozumitelnou odpověď.

Vzhledem k tomu, že to byly vozy přípojné, ne řídící, tak se zpravidla vždy tahaly. Ale i bílé žárovky měly taky... Proč píšu zpravidla? Výjimky povoleny. Někde to už někdo před lety psal. Když třeba zastávka a dál třeba trať zrušená apod. Takže za vzácných výjimek se "bafík" tlačil za předpokladu zodpovědné osoby za čelním oknem bafíku a s fírou v motorovém voze. Ti dva navzájem propojeni vysílačkou. Ale jak říkám, za vzácných výjimek., Běžně se bafíky tahaly a na koncových stanicích či úvraťových se objíždělo a přepojovalo, případně souprava motor, bafík, bafík, motor. Z toho co teď píšu vyplývá , že sice bílé světla měly, ale vlastně takřka k ničemu, zpravidla v nich ani nebyly žárovky. Prostě unifikované svítilny společné pro motor i vlečňák.
Raďula63
MPK - moduly plzeňského kraje
KŽM Praha 3
Psi štěkají, karavana jede dál
Uživatelský avatar
radula63
 
Příspěvky: 1396
Registrován: čtv 28 kvě, 2009 6:15 pm
Bydliště: kraj Vysočina - okres H.B.

Re: Osvetleni M152/810

Příspěvekod sidlo » pát 03 led, 2020 6:39 pm

Pardubice - Rosice -- tady se pravidelně jezdilo s osobáky/rychlíky jako sunutý vlak.
Uživatelský avatar
sidlo
 
Příspěvky: 3854
Registrován: ned 27 dub, 2014 7:32 am

Re: Osvetleni M152/810

Příspěvekod k.olousek » pát 03 led, 2020 6:45 pm

díky moc, něco jsem už někde (už nevím kde) četl o tom tlačení s vysílačkou, ale trochu mi není jasné že by ho tlačili bez světel?
k.olousek
 
Příspěvky: 2
Registrován: úte 29 kvě, 2018 5:22 am

Re: Osvetleni M152/810

Příspěvekod sidlo » pát 03 led, 2020 7:15 pm

Sunutý vlak pokud je první vůz vybaven bílými světly, tak je má v noci rozsvícená. V době bez vysílaček se sunulo bez nich. Vlakvedoucí v čele sunutého vlaku musel mít volnou cestu k záchranné brzdě.
Uživatelský avatar
sidlo
 
Příspěvky: 3854
Registrován: ned 27 dub, 2014 7:32 am

Re: Osvetleni M152/810

Příspěvekod radula63 » pát 03 led, 2020 7:20 pm

sidlo píše:Pardubice - Rosice -- tady se pravidelně jezdilo s osobáky/rychlíky jako sunutý vlak.

Osobáky, Rychlíky??? To jako že by mašina tlačila několik Ypsylonů? Jako posun mezi dopravnami bych to snad pochopil (tedy bez cestující veřejností). Ale jako regulérní vlak s cestující veřejností? Nějak se mi to nezdá. Netvrdím, že to tak nemohlo být, ale nějak se mi to nezdá.
Raďula63
MPK - moduly plzeňského kraje
KŽM Praha 3
Psi štěkají, karavana jede dál
Uživatelský avatar
radula63
 
Příspěvky: 1396
Registrován: čtv 28 kvě, 2009 6:15 pm
Bydliště: kraj Vysočina - okres H.B.

Re: Osvetleni M152/810

Příspěvekod Vysočina » pát 03 led, 2020 7:37 pm

radula63 píše:
sidlo píše:Pardubice - Rosice -- tady se pravidelně jezdilo s osobáky/rychlíky jako sunutý vlak.

Osobáky, Rychlíky??? To jako že by mašina tlačila několik Ypsylonů? Jako posun mezi dopravnami bych to snad pochopil (tedy bez cestující veřejností). Ale jako regulérní vlak s cestující veřejností? Nějak se mi to nezdá. Netvrdím, že to tak nemohlo být, ale nějak se mi to nezdá.

Za mého mládí jezdil vlak HK - Jihlava a zpět a na něm chrochtadlo s vozy - a součástky z "TESLY" co hold neměla JI tak šlo koupit pouze v PA a nebo HK. Často jsem spoj z Jihlavy (7:40 cca) používal do HK. a sunulo se do perníkova VŽDY … :D
(.) P R U D Í Č
Vysočina
 
Příspěvky: 160
Registrován: ned 29 lis, 2009 1:09 pm
Bydliště: 758029 HCV

Re: Osvetleni M152/810

Příspěvekod look23 » pát 03 led, 2020 10:00 pm

Nesunuly se také soupravy Železná Ruda město - Špičák od 50. let?
H0, ČSD epocha IV, V - z21+MM
look23
 
Příspěvky: 1274
Registrován: ned 17 lis, 2013 2:20 pm

PředchozíDalší

Zpět na DCC v praxi

Kdo je online

Uživatelé procházející toto fórum: Žádní registrovaní uživatelé a 1 návštěvník