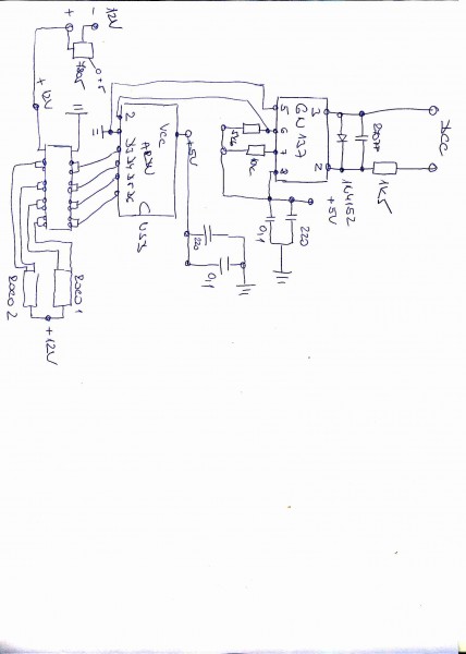
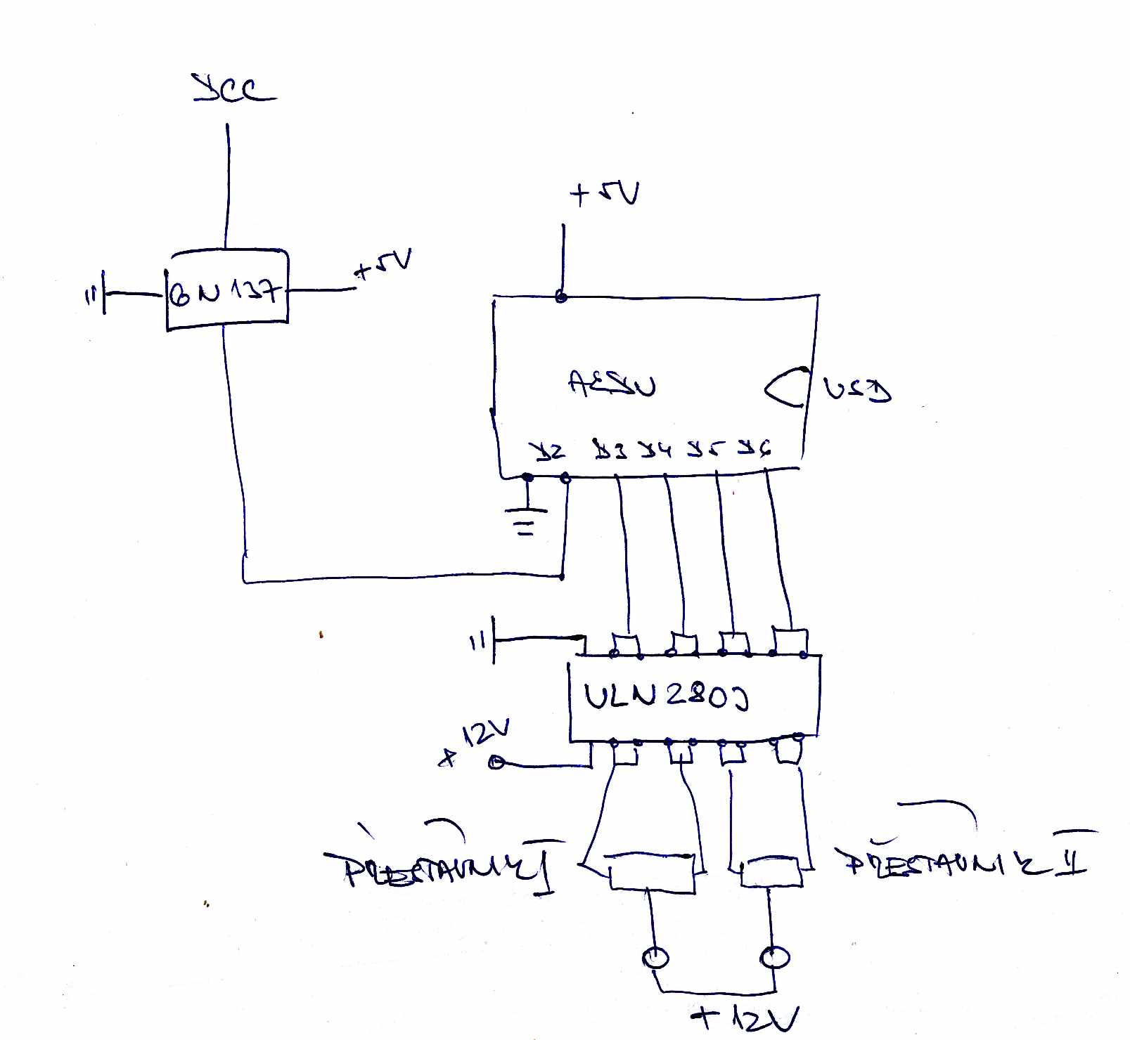
Zdravím, tak verze výhybkového dekodéru pro elektromagnetické přestavníky s Arduino je na světě.Chci moc poděkovat Petrovi,(byl jediný kdo pomohl z mnoha oslovených) že na mne měl nervy

po mnoha emailech a nápovědách

jsme došli(teda spíš Petr

) ke zdárnému konci. Programování není a nebude můj koníček a Wiring není můj kámoš

jsem rád, že je to za mnou

.Mne to vyřeší problémy s taháním kabelů po segmentech k výhybkám.Na segmentu mám dvě výhybky u nich bude tento dekodér a je vyřešeno a ještě je velká rezerva na další výstupy, které mohou ovládat např osvětlení nebo réle pro další aplikace.Další nesporná výhoda je cena.... samotný modul koupíte v Číně za cca 50,- CZK samo bez poštovného jak to domluvil "Miloš"

.Bastlíř jako já použil "uni" desku a je to..(pokud by někdo navrhnul plošný spoj vypadalo by to lépe) myslím, že jsem se vešel celkově do 150,- CZK pro dva přestavníky + funkční výstupy což je slušný. Požádal jsem Petra až bude mít čas, aby zveřejnil vše na svých stránkách ode mne by to nebylo dostatečně fundované

.
P.S. chce se to nebát a jít do toho

protože kdo se bojí .....
Mějte se workous
Roco Geoline/DCC DR5000 + RocRail/JMRI momentálně v pauze..