X-track MSJF 1 - Carendt TT 700x200

Moderátoři: StandaR, milan ferdián, Michal Dalecký, Jarda H.

Re: X-track MSJF 1 - Carendt TT 700x200

Příspěvekod hank » ned 14 úno, 2021 3:30 pm

Pro srovnání skutečný Senotín aktuálně 31. 01. t.r.: :wink:

senotin.jpg


(Zdroj: https://www.k-report.net/presmerovani/? ... ek=4300750)
... i my dědci ještě můžeme být všelijak užiteční...
Es ist viel später als du denkst.
hank
 
Příspěvky: 6910
Registrován: stř 24 čer, 2009 4:43 pm

Re: X-track MSJF 1 - Carendt TT 700x200

Příspěvekod Bobo » stř 03 pro, 2025 8:05 am

Kavka_ píše:
Ivan píše::shock: :shock: :shock: :shock: ta automatika je parádní. Nenašel jsem zmínku, ale předpokládám arduino?

Chjo, další věc co se budu muset naučit :D


Pánové, nerad vám beru nadšení, ale je to 7 obyčejných relátek, jedno časové, dvě čidla a čtyři diody :) Schéma případně vyvěsím...

hopeter píše:Arduino zas není tak složité. Už mám připravený i postupný rozjezd a zastavení v analogu.

Arduino si asi také dopřeju, a rád se nechám navést... (začnu přesuvnou, ať taky trochu povyrostu...)



Ahoj,

mohl bych tě požádat o to schéma. Přeci jen proč vymýšlet už vymyšlené a do arduina se mi moc nechce. :D Děkuji
Bobo
 
Příspěvky: 43
Registrován: čtv 07 kvě, 2020 7:08 am

Re: X-track MSJF 1 - Carendt TT 700x200

Příspěvekod Kavka_ » stř 03 pro, 2025 5:42 pm

Inu mohl:)
Dej mi chvilku, mám toho teď víc... ale připravím.
TT, V. - VI. epocha, ČD
- kolejiště realizovaná na malých plochách neškodí v jakémkoli množství -
Uživatelský avatar
Kavka_
 
Příspěvky: 511
Registrován: pon 01 úno, 2016 10:03 pm
Bydliště: Ústí nad Labem

Re: X-track MSJF 1 - Carendt TT 700x200

Příspěvekod Kavka_ » stř 03 pro, 2025 7:24 pm

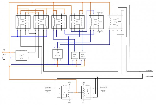
Nalezl jsem skoro hotový plánek u sebe ve složce, takže jsem ho dočáral:
El. schéma zapojení X-track.jpg

Celé je to navržené na MP1, malá reálátka na 12 V, časové relé (Drátek.cz a další - bez trigru - jen vžy na nastavený čas sepne a zase po nastaveném čase rozepne), čidla SN1D (spínají -12V) - je jim to ušito na míru, (přestavníky MP1 - rychlé a aby mohly zůstat pod napětím)
Zároveň opravuji své tvrzení, je to šest relátek a jedno časové... :)

Pozor, po zapnutí je třeba iniciovat jedno z čidel SN1D - relátka R1+R2 fungují jako bistabilní obvod a potřebují úvodní impuls, ať se chytnou. Já to řeším zastíněním jedné z diod na opačném konci než kam jsem postavil na začátek mašinu, ale v případě konstrukce, kde by nebylo možné sahat nad čidlo bych dal tlačítko paralelně k prvnímu čidlu SN1D jako iniciační. Pak už to jede samo. V reálném zapojení jsem přidal ještě třípolohový přepínač 1-0-1, který v klidové poloze pouští jeden směr, v jedné krajní poloze druhý a v druhé krají poloze připojí časové relé.
Na konce všech větví jem pak říznul kolejnici a přidal diodu tak, aby mašiny nemohly přejet konec koleje (takže až se jednou nějaká zkratuje, vyjede mi motorák ven, neb jsem tam další zarážku už nedal). Použité MP1 jsou natolik rychlé, že po přepólování kolejnic čidlem SN1D přijíždí motorák k již přehozené výhybce (takže úspěch)

V případě potřeby se ozvi přes SZ, snad k tomu z hlavy ještě něco poskládám.
TT, V. - VI. epocha, ČD
- kolejiště realizovaná na malých plochách neškodí v jakémkoli množství -
Uživatelský avatar
Kavka_
 
Příspěvky: 511
Registrován: pon 01 úno, 2016 10:03 pm
Bydliště: Ústí nad Labem

Re: X-track MSJF 1 - Carendt TT 700x200

Příspěvekod Zlámalík » stř 03 pro, 2025 7:29 pm

Že tys dřív dělal opraváře výtahů? :D
TT/současnost: Zlámalíkovy mašinky
Uživatelský avatar
Zlámalík
 
Příspěvky: 3141
Registrován: pát 14 led, 2011 10:39 pm
Bydliště: Košíkov

Re: X-track MSJF 1 - Carendt TT 700x200

Příspěvekod Kavka_ » stř 03 pro, 2025 7:38 pm

Skoro. Když já jsem silnoproudař, relátka jsou mi bližší, než elektronické fičury :) (a hlavně jsem s to to vymyslet sám za sebe ...)
TT, V. - VI. epocha, ČD
- kolejiště realizovaná na malých plochách neškodí v jakémkoli množství -
Uživatelský avatar
Kavka_
 
Příspěvky: 511
Registrován: pon 01 úno, 2016 10:03 pm
Bydliště: Ústí nad Labem

Re: X-track MSJF 1 - Carendt TT 700x200

Příspěvekod Bobo » čtv 04 pro, 2025 7:01 am

Díky moc. Pěkná práce. Chtěl bych se do toho taky pustit, tak řeším vstupní informace. :D
Mě osobně jsou relátka taky bližší. Taky jsem silnoproudař a vždycky, když něco dělám, tak chci aby to bylo logický a snadno opravitelný, i když se k tomu pak dostane někdo jiný. Nesnáším když otevřu rozvaděč, je bez popisků, místo vyvázaných vodičů vosí hnízdo atd, atd.
Navíc to má svoje kouzlo a jako elektikář budu radši poslouchat cvakat relátka než koukat jak bliká ledka na nějaký placičce. Pamatuji si ještě na starý telefonní ústředny s relátkama, to byl koncert.
Ale jinak arduino nezahrnuji, ale pro tento případ mi to přijde přinejmenším jako zbytečný luxus.
Bobo
 
Příspěvky: 43
Registrován: čtv 07 kvě, 2020 7:08 am

Předchozí

Zpět na Mini kolejiště

Kdo je online

Uživatelé procházející toto fórum: Žádní registrovaní uživatelé a 1 návštěvník