S tím přejezdem je to u mě takhle (zatím je to ve stavbě, pokládám koleje a drátuju):
- DCC budou jenom lokomotivy/vozy; všechno ostatní bude analog (tj. přestavníky/relátka), protože ovládání počítačem by mě vůbec nebavilo - když model, tak co nejpodobnější skutečnosti, tj. klasické staniční ZZ (něco na elektrický způsob klíčového zabezpečení - je to koncová stanice živější lokálky)
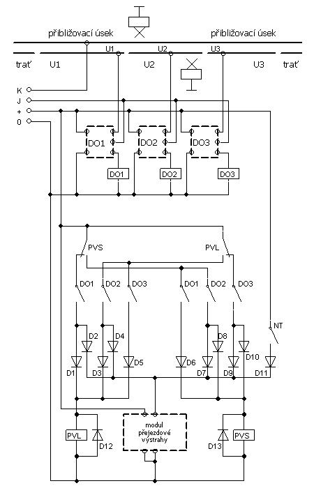
- přejezd přiléhá ke zhlaví stanice (cca 20 cm od krajní výhybky do širé tratě), tj. mezi výhybkou a přejezdem je první izolovaný úsek, přejezd je druhý izolovaný úsek
- z druhé strany je cca 1,5 metru tratě (částečně v tunelu) a před tunelem stojí vjezdové návěstidlo, úsek mezi VN a přejezdem je třetí izolovaný úsek
Pokud se blíží vlak ze širé tratě, zapne se přejezd automaticky, jakmile vlak mine vjezdové návěstidlo (tj. obsadí izolovaný úsek). Když vlak jede ze stanice, aktivuje se přejezd stiskem tlačítka odjezdového návěstidla - napřed se aktivuje přejezdová výstraha a teprve po cca 6 vteřinách spíná znak na odjezdovém návěstidle (modulem pro zpožděné připojení reprobeden

). Ve chvíli, kdy vlak mine odjezdové návěstidlo, shodí ho na "Stůj", ale přejezd je uzavřený do té doby, dokud ho obsazuje vlak. Při posunu je vyřazeno shazování návěsti, takže přejezd běsní, dokud na návěstidle svítí "Posun dovolen". Případně se dá přejezd uzavřít na libovolnou dobu i ručně spínačem na desce ZZ.
Pokud použiju 3 optosnímače, pořád to není ono, protože třetí snímač musí být uprostřed přejezdu. Ale mě jde o to, uvolnit přejezd až potom, když je CELÝ volný. Může se to zdát jako prkotina, ale rád bych to měl jako ve skutečnosti, když už je u DCC v kolejích pořád šťáva.