zpětné hlášení

Schémata, zapojení, návody, dotazy a postupy k využití v železničním modelářství.

Moderátoři: Michal Dalecký, Jarda H., Rudolf, 123.marek

zpětné hlášení

Příspěvekod PatMat55 » ned 20 zář, 2009 1:40 pm

Chtěl bych se zeptat zda jde nějak udělat u výhybky Tillig zpětné hlášení, když mám koleiště v DCC, ale všechno ostaní ovládání atd přes ovládací pult, a chtěl bych aby se mi na něm rozsvítila LEDka podle směru výhybky, jde to nějak udělat?? Předem děkuji za odpověď
PatMat55
 
Příspěvky: 66
Registrován: sob 14 bře, 2009 8:44 pm

Re: zpětné hlášení

Příspěvekod PaMi » ned 20 zář, 2009 3:23 pm

PatMat55 píše:Chtěl bych se zeptat zda jde nějak udělat u výhybky Tillig zpětné hlášení, když mám koleiště v DCC, ale všechno ostaní ovládání atd přes ovládací pult, a chtěl bych aby se mi na něm rozsvítila LEDka podle směru výhybky, jde to nějak udělat?? Předem děkuji za odpověď

Toto není ani tak problém vyhýbky, ale přestavníku. Jaké používáš?
-- TT -- ČSD -- Jenom pro radost -- TrainController 8.0 Gold -- Moduly
Uživatelský avatar
PaMi
 
Příspěvky: 512
Registrován: úte 04 bře, 2008 1:57 pm

Příspěvekod Jirka1 » ned 20 zář, 2009 4:58 pm

U elektromagnetických přestavníků Tillig pro TT je koncové vypínání, které umožňuje zapojení ohlasů, i když do nich vedou pouze 3 vodiče.

U elektromagnetických přestavníků pro H0 jsou extra kontakty pro ohlasy, ale s jejich funkcí zkušenosti nemám...

Motorické přestavníky Tillig zapojení ohlasů také umožňují.
Uživatelský avatar
Jirka1
 
Příspěvky: 534
Registrován: pon 28 led, 2008 6:30 pm
Bydliště: Ústeckoorlicko

Příspěvekod PatMat55 » ned 20 zář, 2009 6:29 pm

No jde o velikost H0 a přestavníky používám tyto: http://www.modelova-zeleznice.eu/catalo ... 12&x=0&y=0 vím že na přestavníku jsou kontakty pro zpětné hlášení, ale bude to fungovat když je přestavník jenom na "mžikové" napětí??
PatMat55
 
Příspěvky: 66
Registrován: sob 14 bře, 2009 8:44 pm

Příspěvekod Jirka1 » ned 20 zář, 2009 7:47 pm

PatMat55 píše:No jde o velikost H0 a přestavníky používám tyto: http://www.modelova-zeleznice.eu/catalo ... 12&x=0&y=0 vím že na přestavníku jsou kontakty pro zpětné hlášení, ale bude to fungovat když je přestavník jenom na "mžikové" napětí??

Proč by nefungovalo?
Mžikově ovládáš přestavník, na ohlasy připojíš signalizační LED (samozřejmě s odporem) a ty svítí podle postavení přepínacího kontaktu ohlasů...
Uživatelský avatar
Jirka1
 
Příspěvky: 534
Registrován: pon 28 led, 2008 6:30 pm
Bydliště: Ústeckoorlicko

Příspěvekod kecu.p » sob 31 říj, 2009 8:20 pm

U starých přestavníků si ovládal mžikově cívky tak že si měl 3 dráty, 2 si vypínal klávesnicí, tlačítkem ... a ten 3 dělal kostru. Ten se nikdy nevypínal. Zpětné hlášení bylo přesně té stejné polarity (kostry) jako ten 3. vodič, proto k tomu je třeba přivést přes žárovku, LED s odporem druhý konec který máš přivedený ke klávesnici, ale POZOR!! ne z té strany která se vypíná !!! Rád bych ti to vysvětlil na obrázku, ale nevím jak jej sem vložit :-(
H0 DCC + H0e analog
KŽM Sokolov

ČSD ep. 3 a 4
Uživatelský avatar
kecu.p
 
Příspěvky: 613
Registrován: pon 18 kvě, 2009 8:08 am

Příspěvekod Zdenek Valter » sob 31 říj, 2009 8:40 pm

kecu.p píše:U starých přestavníků si ovládal mžikově cívky tak že si měl 3 dráty, 2 si vypínal klávesnicí, tlačítkem ... a ten 3 dělal kostru. Ten se nikdy nevypínal. Zpětné hlášení bylo přesně té stejné polarity (kostry) jako ten 3. vodič, proto k tomu je třeba přivést přes žárovku, LED s odporem druhý konec který máš přivedený ke klávesnici, ale POZOR!! ne z té strany která se vypíná !!! Rád bych ti to vysvětlil na obrázku, ale nevím jak jej sem vložit :-(


Sem přímo vložit nejde. Musíš ho někam umístit na internet a sem na něj vložit odkaz do závorek IMG - zjištíš to když dáš někomu odpověď kdo ten obrázek ve svém příspěvku má.
Zdenek Valter
 
Příspěvky: 3377
Registrován: pon 09 říj, 2006 2:38 pm
Bydliště: Ústí n.L.

Příspěvekod kecu.p » sob 31 říj, 2009 9:34 pm

Naposledy upravil kecu.p dne pon 02 lis, 2009 10:09 am, celkově upraveno 2
H0 DCC + H0e analog
KŽM Sokolov

ČSD ep. 3 a 4
Uživatelský avatar
kecu.p
 
Příspěvky: 613
Registrován: pon 18 kvě, 2009 8:08 am

Příspěvekod Zdenek Valter » sob 31 říj, 2009 10:58 pm

kecu.p píše:Snad toto pomůže ... http://rajce-jrajcani.rajce.idnes.cz/Ko ... pinani.jpg


A co toto :

Obrázek

;-)

Akorát je nutné tomu dát max 800 x něco aby to nebylo příliš široké ;-)
Zdenek Valter
 
Příspěvky: 3377
Registrován: pon 09 říj, 2006 2:38 pm
Bydliště: Ústí n.L.

Příspěvekod kecu.p » sob 31 říj, 2009 11:02 pm

Ja se to jednou naučím a to budete všichni koukat, ještě dobiju svět a nebo vznikne 5. světová nooo... :-D
H0 DCC + H0e analog
KŽM Sokolov

ČSD ep. 3 a 4
Uživatelský avatar
kecu.p
 
Příspěvky: 613
Registrován: pon 18 kvě, 2009 8:08 am

Příspěvekod Myšpulín » pon 02 lis, 2009 6:52 am

kecu.p píše:Snad toto pomůže ...

Toto tak úplně nepomůže, neb v tom je chyba. Spodní přívod k žárovkám nemá být připojen k modrému, ale červenému vodiči. Sám píšeš :
... proto k tomu je třeba přivést přes žárovku, LED s odporem druhý konec který máš přivedený ke klávesnici, ale POZOR!! ne z té strany která se vypíná !!!
H0, III až IV, ČSD, nemodelář
Myšpulín
 
Příspěvky: 1566
Registrován: stř 24 led, 2007 7:43 pm
Bydliště: Hostinné

Příspěvekod kecu.p » pon 02 lis, 2009 9:46 am

Ano, máš pravdu, udělal jsem tam chybu, ale koukám, pochopil jsi to. Je to přesně tak jak říkáš. Za tuto chybu se omlouvám. :oops:
H0 DCC + H0e analog
KŽM Sokolov

ČSD ep. 3 a 4
Uživatelský avatar
kecu.p
 
Příspěvky: 613
Registrován: pon 18 kvě, 2009 8:08 am

Příspěvekod kecu.p » pon 02 lis, 2009 10:10 am

Již opraveno
H0 DCC + H0e analog
KŽM Sokolov

ČSD ep. 3 a 4
Uživatelský avatar
kecu.p
 
Příspěvky: 613
Registrován: pon 18 kvě, 2009 8:08 am

Re: zpětné hlášení

Příspěvekod Zdenda » pon 18 lis, 2013 7:33 am

Zdravím :P Mám tyto přestavníky http://www.modelyvlacku.cz/index.php?main_page=popup_image&pID=5278&zenid=c4141ed79706a586d5c69a856851c536
a potřeboval bych zjistit, jakým způsobem funguje ta koncová poloha, např. kdybych na to chtěl zapojit ledku? Pomohl by mi někdo (nejlépe) nakreslit nebo dobře popsat, jak to udělat? Díky 8)
Zdenda
 
Příspěvky: 1
Registrován: ned 10 lis, 2013 9:07 pm

Re: zpětné hlášení

Příspěvekod BohousP » pon 18 lis, 2013 8:18 am

Zdenda píše:Zdravím :P Mám tyto přestavníky http://www.modelyvlacku.cz/index.php?main_page=popup_image&pID=5278&zenid=c4141ed79706a586d5c69a856851c536
a potřeboval bych zjistit, jakým způsobem funguje ta koncová poloha, např. kdybych na to chtěl zapojit ledku? Pomohl by mi někdo (nejlépe) nakreslit nebo dobře popsat, jak to udělat? Díky 8)


Podívej se sem: http://www.k-report.net/diskuse/archiv2011/3175/148837-archiv-32.html a najdi příspěvek: Schotek, Číslo příspěvku: 12.

Další najde Google: zapojení přestavníku tillig

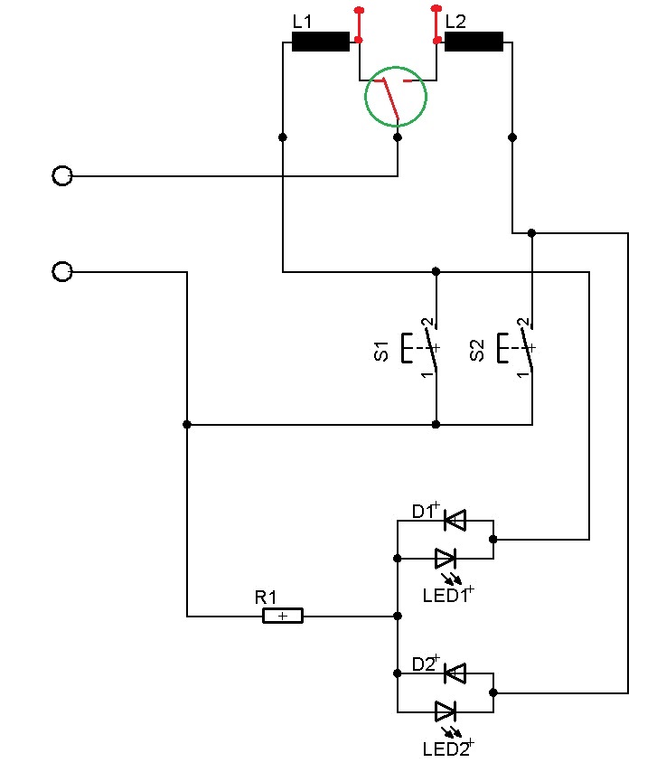
Pokud jde o vnitřní zapojení přestavníku, jsou tam dvě cívky s kontakty, které po přepnutí odpojí příslušnou cívku od společného vodiče, aby se delším připojením na napětí nespálila (cívka je dimenzovaná jen pro mžikové přepínání). Zároveň jsou ty kontakty vyvedeny na dva vývody na užší straně, to se využíva pro zpětný ohlas žárovkami. Ale pomocí LED je to lepší podle uvedené schémy (méně vodičů). Pouze drobný detail - vždy bude svítit dioda připojená k tlačítku pro opačný směr - tzn. pokud bude výhybka rovně, bude svítit dioda připojená k tlačítku "odbočka" a naopak. To samozřejmě není žádný problém (LED se umístní k "opačnému" spínači ...). Na schémě nebyly zakresleny ty vnitřní kontakty v přestavníku - ty jsou v sérii s cívkou proti společnému střednímu vodiči. Krajní polohy kontaktu jsou vyvedeny na ty dvě letovací plošky na užší straně přestavníku. Proto jsem obrázek upravil. Napájí se to střídavým napětím obvykle 16V.
EDIT: Pokud by se stalo, že LED budou svítit odlišnou intenzitou (jiný nebo barva typ diod), vynechá se odpor R1 a nahradí se dvěma odpory, pro každou LED zvlášť. Ty se zapojí do serie s příslušnou dvojici D1+LED1, D2+LED2. Orientační hodnota pro 16V je cca 1k5.
Přílohy
634571.jpg
TT, DCC, NanoX-2017, TC8, ... http://masinky.info
Uživatelský avatar
BohousP
 
Příspěvky: 3064
Registrován: stř 12 kvě, 2010 9:17 am
Bydliště: Praha - Malešice

Další

Zpět na Elektrika a elektronika

Kdo je online

Uživatelé procházející toto fórum: Žádní registrovaní uživatelé a 1 návštěvník