Leptání, tištěný spoj

Schémata, zapojení, návody, dotazy a postupy k využití v železničním modelářství.

Moderátoři: Michal Dalecký, Jarda H., Rudolf, 123.marek

Re: Leptání, tištěný spoj

Příspěvekod Seidl » čtv 13 lis, 2014 9:41 pm

pokud se rozhodneš a necháš si to vyrobit u Kohouta, tak musíš vzít na vědomí jeho technické možnosti.
Už nezvládá 4. konstrukční třídu, což přeloženo do češtiny znamená síla čáry 0,3 mm a pájecí bod 1,5 mm s dírou. Do té plošky 1,5 mm ti sice vyvrtá díru 0,6mm, už ti tam ale nezbyde skoro nic na letování. A to ještě musíš mít podklad s odleptaným středem v plošce. jinak vrtá mimo...
A pokud máš dvouplát, tak sesazení vrstev je taky s nějakou rezervou...
Takže čáry alespoň 1mm a plošky 3 mm. pak je to ok
Seidl
 
Příspěvky: 49
Registrován: pát 13 led, 2012 11:48 am

Re: Leptání, tištěný spoj

Příspěvekod fulda » pát 14 lis, 2014 8:39 am

Moje rada pro dnešní den zní - pokud potřebuješ něco fajnovějšího, tak nenechávej Kohouta vrtat.
Občas se rozhodne že místo dírky 0,6 udělá 0,8 a občas si ušetří práci a položí dva plošňáky na sebe a vrtá to najednou.
Za pravopisné chyby v této zprávě může moje učitelka češtiny.
Uživatelský avatar
fulda
 
Příspěvky: 5308
Registrován: pon 09 srp, 2010 8:08 am
Bydliště: Praha - Uhříněves

Re: Leptání, tištěný spoj

Příspěvekod zdeno » pát 14 lis, 2014 9:03 am

ja delam plosaky v systemu delicich car. Pozri http://loconet.ic.cz/ev_cv.html , je tam fotka plosaku na Evku.
Problem je doprava a platba. Tebe udelam cenu 5 Eur za 0,8 dm2 hotoveho plosaku. Delam jen jednostranne plosaky. Vsechno vrtam jen na 0.8 mm a vetsi. Lakujem kalafunou.
Navrhy v Eagle max 8x10cm nebo schema, ja si to stejne musim udelat k obrazu svemu.
Uživatelský avatar
zdeno
 
Příspěvky: 3202
Registrován: pon 11 črc, 2011 8:54 am

Re: Leptání, tištěný spoj

Příspěvekod fulda » pát 14 lis, 2014 9:35 am

Lehkej OT - jak se dá plošňák opravit: http://hackaday.com/2014/11/13/extreme- ... burnt-pcb/
Za pravopisné chyby v této zprávě může moje učitelka češtiny.
Uživatelský avatar
fulda
 
Příspěvky: 5308
Registrován: pon 09 srp, 2010 8:08 am
Bydliště: Praha - Uhříněves

Re: Leptání, tištěný spoj

Příspěvekod vvitty » pát 14 lis, 2014 9:59 am

Jen pro zajimavost, v sobotu jsem si objednal v Cine desky na prototyp osvetleni M152. Ve ctvrtek to meli hotove a odeslane... jsem zvedav kdy to dorazi :D
Cena smesna...
Stavebnice, díly, nářadí pro modeláře, - [url]https://www.pojezdy.eu/eshop[/url]
vvitty
 
Příspěvky: 2855
Registrován: pát 28 pro, 2007 7:11 pm
Bydliště: Praha

Re: Leptání, tištěný spoj

Příspěvekod zdeno » pát 14 lis, 2014 1:01 pm

vvitty píše:Jen pro zajimavost, v sobotu jsem si objednal v Cine desky na prototyp osvetleni M152. Ve ctvrtek to meli hotove a odeslane... jsem zvedav kdy to dorazi :D
Cena smesna...

asi neprozradis, kdo a za kolik ti to delali ??
by se to hodilo vice lidem.
Uživatelský avatar
zdeno
 
Příspěvky: 3202
Registrován: pon 11 črc, 2011 8:54 am

Re: Leptání, tištěný spoj

Příspěvekod vvitty » pát 14 lis, 2014 1:29 pm

Az budu mit desky v ruce tak klidne, zatim netusim co mi prijde :-) ale staci zkusit google, tech firem co to delaji je spousta.
Desky 5 x 5 cm vychazi na $9.9 / 10ks, 10 x 10 cm na $13. Ta moje je ponekud vetsi ...

Na prototypy je to fajn, na maloseriovou vyrobu to vhodne neni. Jak do toho zacne mluvit moznost panelizace vic desek tak se dramaticky snizuje rozdil proti ceskym vyrobcum. Teda, on ten Cinan umi udelat i panelizovane desky. Jenze je nechce rozrezat, ofrezovat ani jinak delit. Resp. ne ze by uplne nechtel, ale pak uz cena neni tak super a rozdil dela jednotky az desitky procent, ne stovky... A to uz radeji podporim domaci vyrobu nez Cinana :-) Sice bych si je mohl ofrezovat doma na CNC, ale ...
Stavebnice, díly, nářadí pro modeláře, - [url]https://www.pojezdy.eu/eshop[/url]
vvitty
 
Příspěvky: 2855
Registrován: pát 28 pro, 2007 7:11 pm
Bydliště: Praha

Re: Leptání, tištěný spoj

Příspěvekod MarekD » pon 17 lis, 2014 7:03 am

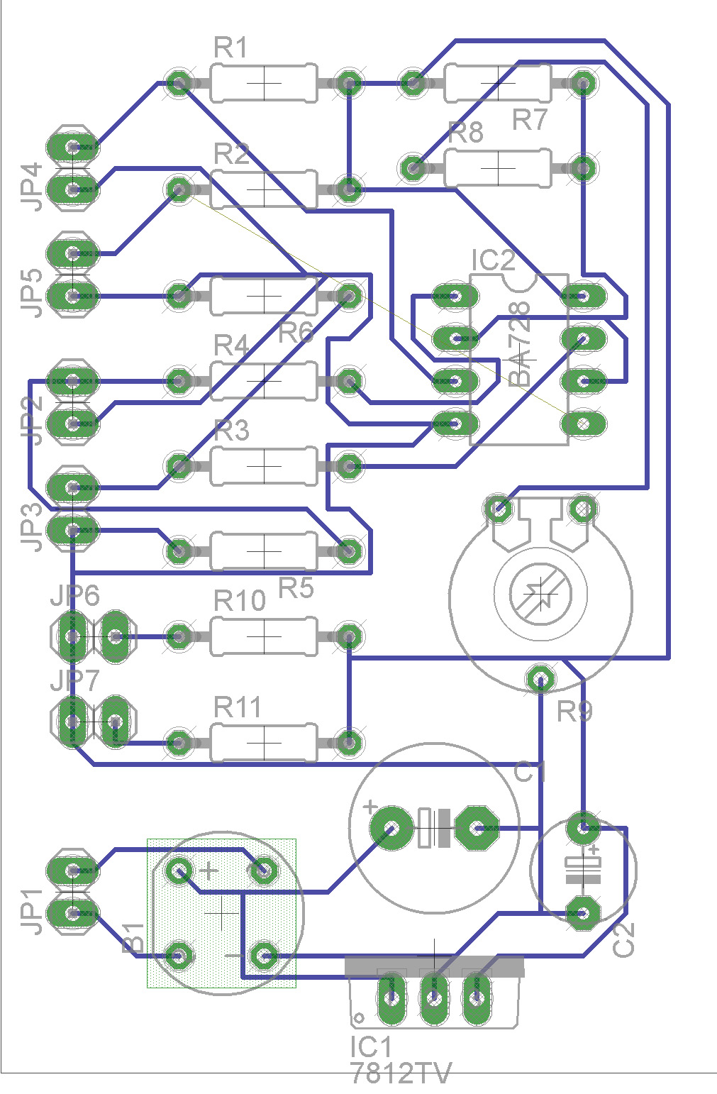
Tohle je ten tišťák. Kde mi teda doporučujete to udělat? Radši bych i někoho tady z fóra za poplatek než to brát někde s čajny.
Plosnak600vse.jpg
MarekD
 
Příspěvky: 109
Registrován: ned 26 čer, 2011 10:42 pm

Re: Leptání, tištěný spoj

Příspěvekod BohousP » pon 17 lis, 2014 8:26 am

Už to tu padlo: http://www.tistaky.cz/. Omezení viz příspěvek výše, ale na tuto dps je to ok.
TT, DCC, NanoX-2017, TC8, ... http://masinky.info
Uživatelský avatar
BohousP
 
Příspěvky: 3064
Registrován: stř 12 kvě, 2010 9:17 am
Bydliště: Praha - Malešice

Re: Leptání, tištěný spoj

Příspěvekod fulda » pon 17 lis, 2014 9:12 am

MarekD píše:Tohle je ten tišťák. Kde mi teda doporučujete to udělat? Radši bych i někoho tady z fóra za poplatek než to brát někde s čajny.

Napřed bych ti doporučil si ho trochu předělat = tlustější čáry, pravoúhlé, pořádně vyznačené propojky a tak. Aby to vypadalo jako plošňák od normálnch bělochů.
Je to tišťák kterej normální lidi nakreslej fixou.
Martin nafotil hezkej návod pro začátečníky: TADY.

Asi nemá cenu ti říkat, že poloha kondenzátoru C1 není úplně vhodná vzhledem k filtraci napájení a že ti kolem 7812 scházejí keramické kondenzátory proti rozkmitání a cesta od nožičky 5 k odporu R2.
Taky by se ten plošňák dal udělat poloviční velikosti a například otočením R8 by jsi dostal poloviční délku spoje. Pak taky že se u trimrů spojuje jezdec s nepoužitým konce, aby nedocházelo k rozpojování při otáčení a tak.
Za pravopisné chyby v této zprávě může moje učitelka češtiny.
Uživatelský avatar
fulda
 
Příspěvky: 5308
Registrován: pon 09 srp, 2010 8:08 am
Bydliště: Praha - Uhříněves

Re: Leptání, tištěný spoj

Příspěvekod look23 » pon 17 lis, 2014 7:39 pm

MarekD píše:Tohle je ten tišťák. Kde mi teda doporučujete to udělat? Radši bych i někoho tady z fóra za poplatek než to brát někde s čajny.


Také záleží na počtu kusů.
Pro jeden až dva buď samo doma nebo p. Kouhout www.tistaky.cz
Pro více jsou profi firmy www.pragoboard.cz (Praha), www.cube.cz (Hejnice u Liberce), www.markom.cz (Mělník), www.gatema.cz (Boskovice u Brna).
H0, ČSD epocha IV, V - z21+MM
look23
 
Příspěvky: 1274
Registrován: ned 17 lis, 2013 2:20 pm

Re: Leptání, tištěný spoj

Příspěvekod harmi » pon 17 lis, 2014 10:11 pm

zdeno píše:
vvitty píše:Jen pro zajimavost, v sobotu jsem si objednal v Cine desky na prototyp osvetleni M152. Ve ctvrtek to meli hotove a odeslane... jsem zvedav kdy to dorazi :D
Cena smesna...

asi neprozradis, kdo a za kolik ti to delali ??
by se to hodilo vice lidem.


vvitty mozno mysli na seeedstudio.com, ja som od nich bral male jednostranne dosky dvakrat a pacilo sa mi. Biela potlac na strane suciastok, nepajiva maska na strane spojov, co si zelat viac? Ceny maju odstupnovane v krokoch po 5cm, takze napriklad 10x7cm stoji rovnako ako 10x9,9cm, ale 10x10cm uz je vyssie pasmo. Ako pise vvitty, cinan bez priplatku panelizovane nenareze, ale stale je to vyhodnejsie nez jednotlive kusy. Ano, jednotkove mnozstva plosaky sa moc neoplatia, cez http://www.seeedstudio.com/service/index.php?r=pcb sa da namodelovat cena pre to, co chcete. Este k tomu postovne je zopar dolarov podla hmotnosti, zadarmo az pri zakazke nad 50USD.

Prikladam foto DPS z oboch stran
IMG_3405.JPG


Vyuzity bol v http://www.railnet.sk/view.php?cisloclanku=2014090001.
TT moduly, Wintrack (aj cz).
harmi
 
Příspěvky: 125
Registrován: pon 09 bře, 2009 6:48 pm
Bydliště: Marianka, SK

Re: Leptání, tištěný spoj

Příspěvekod vvitty » pon 17 lis, 2014 10:43 pm

Seedstudio je jedna z mnoha moznosti. Ja to delal jinde... vhodny dotaz na google tech firem vyhodi aspon pet uz na prvni strance. Uvidime kdy desky dorazi, uz se tesim na osazovani prototypu. Dlouho jsem si nehral s hardwarem :D
Stavebnice, díly, nářadí pro modeláře, - [url]https://www.pojezdy.eu/eshop[/url]
vvitty
 
Příspěvky: 2855
Registrován: pát 28 pro, 2007 7:11 pm
Bydliště: Praha

Re: Leptání, tištěný spoj

Příspěvekod michal_n_cz » čtv 04 pro, 2014 12:44 am

MarekD píše:Tohle je ten tišťák. Kde mi teda doporučujete to udělat? Radši bych i někoho tady z fóra za poplatek než to brát někde s čajny.

Takovej jednoduchej snad nemá smysl někam zadávat. Zkus vyrobit sám - lze i jinak než fotocestou - termotransfer metoda - popis zde:
https://picasaweb.google.com/1174789632 ... directlink
Jen bych asi udělal ty spoje trochu tlustší jak píše Fulda. Taky by stálo za to spoje optimalizovat - je to zbytečně složitě pospojované - to tak vypadlo z Eaglu?
Uživatelský avatar
michal_n_cz
 
Příspěvky: 881
Registrován: stř 09 led, 2008 9:17 pm
Bydliště: Olomouc

Re: Leptání, tištěný spoj

Příspěvekod rawen » čtv 22 led, 2015 6:55 pm

Nazdar,
prosím o radu ohledně zadávání dat "číňanovi". Našel jsem jich pár, kteří berou přímo Eagle.
Mám v něm nakresleno jednoduché propojení několika nestandardních konektorů a spínačů. A díry. Je to vlastně jen .brd bez součástek.
Prototyp jsem udělal transferem toneru, ale na hromadnou výrobu jsou tam příliš tenké linky a chtělo by to namísto drátových propojek dvouvrstvý PCB.
Takže konkrétně - jaké vrstvy budu muset kreslit pro dvouvrstvý plošňák a prokovy? Top, Bottom, Pads, Vias, Dimension, Holes ... nějaké další? (Nejjednodušší by to bylo poslat v pdf :? )

A nepájivá maska se generuje automaticky podle Padů, anebo kreslí zvlášť?

Děkuji za pomoc, případně napište SZ.

Radek
rawen
 
Příspěvky: 1956
Registrován: stř 08 dub, 2009 10:42 am
Bydliště: Prostějov

PředchozíDalší

Zpět na Elektrika a elektronika

Kdo je online

Uživatelé procházející toto fórum: Žádní registrovaní uživatelé a 1 návštěvník

cron