zpětné hlášení

Schémata, zapojení, návody, dotazy a postupy k využití v železničním modelářství.

Moderátoři: Michal Dalecký, Jarda H., Rudolf, 123.marek

Re: Oblouk s použitím obloukové výhybky

Příspěvekod palo-1 » úte 07 led, 2014 8:02 pm

Nechci zakládat nové téma, tak snad nebude vadit když se zeptám tady - jaké používáte vodiče ("dráty") k ovládání výhybek? Máte nějaký oblíbený a doporučitelný "typ" ? :) Děkuji
palo-1
 
Příspěvky: 46
Registrován: ned 05 led, 2014 8:47 am

Re: Oblouk s použitím obloukové výhybky

Příspěvekod Tomáš » úte 07 led, 2014 8:12 pm

Na elektrické ovládání toto: (prakticky na všechno ne jen výhybky)
http://www.ges.cz/cz/cyh-2x0-35mm2-2-0-GES06900205.html

Na mechanické ovládání výhybky Kytarovou strunu E. :mrgreen:
"TT" - NYNÍ UŽ DCC - IV 1985-1995 (pád ČSD)
Uživatelský avatar
Tomáš
 
Příspěvky: 3152
Registrován: pon 02 črc, 2007 8:36 pm
Bydliště: Brno - Bosonohy

Re: Oblouk s použitím obloukové výhybky

Příspěvekod Polabský » úte 07 led, 2014 9:13 pm

palo-1 píše:Nechci zakládat nové téma, tak snad nebude vadit když se zeptám tady - jaké používáte vodiče ("dráty") k ovládání výhybek? Máte nějaký oblíbený a doporučitelný "typ" ? :) Děkuji



Já osobně jsem si na menší vzdálenosti (cca 6 metrů), při napájení trafem FZ 1 a přestavníky Pilz, vystačil s rozpleteným telefonním kabelem.Před mnoha lety značený SYKFY. Mnohožilový kabel se stíněním hliníkovou folií a šedým PVC pláštěm.
Kabel lze snadno rozholit nožem a rozplést na jednotlivé páry (barva + bílá).
Zbytky těchto kabelů jsem vždy sehnal někde na telefonní ústředně.
Polabský
 
Příspěvky: 856
Registrován: ned 26 úno, 2012 7:45 pm

Re: Oblouk s použitím obloukové výhybky

Příspěvekod pekl024 » úte 07 led, 2014 11:03 pm

Kabel SYKFY je drát, lepší je lanko, neláme se .

Petr
Uživatelský avatar
pekl024
 
Příspěvky: 900
Registrován: čtv 11 lis, 2010 2:40 pm
Bydliště: Plzeň

Re: Oblouk s použitím obloukové výhybky

Příspěvekod Polabský » stř 08 led, 2014 5:41 pm

U licny se ovšem musí proletovat konce, jinak za nějaký čas zoxiduje a začne blbnout. Nevím ovšem, co je na drátu špatného, vždyť se za normálního provozu zpravidla neuklepe.
Polabský
 
Příspěvky: 856
Registrován: ned 26 úno, 2012 7:45 pm

Re: Oblouk s použitím obloukové výhybky

Příspěvekod palo-1 » stř 08 led, 2014 7:50 pm

Děkuji všem za rady, když už jsme u těch vodičů tak by mě ještě zajímalo jaké "žárovičky" používáte pro zpětná hlášení výhýbek?
palo-1
 
Příspěvky: 46
Registrován: ned 05 led, 2014 8:47 am

Re: Oblouk s použitím obloukové výhybky

Příspěvekod Polabský » stř 08 led, 2014 8:11 pm

Zárovičky nebrat!! Dneska frčí ledky. Koukni na odkazy u Houmrových vlaků, tuším Mašinky 2003, tam má někde v radách vysvětlení k LED -kám.
Hezký večer !!
Polabský
 
Příspěvky: 856
Registrován: ned 26 úno, 2012 7:45 pm

Re: Oblouk s použitím obloukové výhybky

Příspěvekod BohousP » čtv 09 led, 2014 7:43 am

Polabský píše:Zárovičky nebrat!! Dneska frčí ledky. Koukni na odkazy u Houmrových vlaků, tuším Mašinky 2003, tam má někde v radách vysvětlení k LED -kám.
Hezký večer !!


Houmr a Mašinky 2003 jsou odlišné stránky, ale oboje dobré. Pokud jde o zpětný ohlas a LED, bylo to popsáno i tady v diskusi, mrkni na http://diskuze.modely.biz/viewtopic.php?f=7&t=2663&hilit=ohlas#p138375
TT, DCC, NanoX-2017, TC8, ... http://masinky.info
Uživatelský avatar
BohousP
 
Příspěvky: 3068
Registrován: stř 12 kvě, 2010 9:17 am
Bydliště: Praha - Malešice

Re: Oblouk s použitím obloukové výhybky

Příspěvekod palo-1 » sob 11 led, 2014 8:25 pm

Díval jsem se na výše uvedené stránky a pokud to dobře chápu, tak na střídavých 16V lze připojit klasickou diodu. Ale pořád nevím jak velký odpor mám před ní dát, za předpokladu že klasická dioda má napětí kolem 2V.
palo-1
 
Příspěvky: 46
Registrován: ned 05 led, 2014 8:47 am

Re: Oblouk s použitím obloukové výhybky

Příspěvekod D » sob 11 led, 2014 9:22 pm

palo-1:
Kromě napětí na LED potřebuješ znát její jmenovitý proud. Ten je běžně 20 mA, na úsporných 2 mA. Při tomto proudu potřebuješ před LED srazit zbytek napětí, 16 V - 2 V = 14 V. Odpor zjistíš, když srážené napětí podělíš požadovaným proudem.

R = U ÷ I

R = 14 V ÷ 0,02 A

R = 700 Ω

Nejbližší prodávaná hodnota je 680 Ω. Nezapomeň, že do LED můžeš pouštět jen usměrněné napětí, použij tedy také usměrňovací diodou. V odkázaném schématu je použita antiparalelně, já bych asi použil jen jednu těsně za svorku přivádějící napětí.

--

Jak upozornil mpinta níže, předpokladem pro tento výpočet je stejnosměrné napětí. Při použití střídavého napětí na vstupu usměrněného jednou diodou postačí filtrační kondenzátor, který napětí vyhladí. Nebo lze do výpočtu dosadit polovinu střídavého napětí.

Poloviční napětí tam pochopitelně není, je celé, ale pulzující. Na světelné diodě se chybějící půlvlna projeví jako poloviční světelný výkon. Kompenzovat se to dá dvojnásobným proudem (polovičním předřadným odporem), dioda to snese a v chybějící půlvlně se dochladí. Tím se dostane opět plný světelný výkon.
Naposledy upravil D dne sob 11 led, 2014 11:36 pm, celkově upraveno 2
Uživatelský avatar
D
 
Příspěvky: 1372
Registrován: sob 27 úno, 2010 1:52 pm
Bydliště: Brno

Re: Oblouk s použitím obloukové výhybky

Příspěvekod mpinta » sob 11 led, 2014 9:44 pm

D píše:palo-1:
Kromě napětí na LED potřebuješ znát její jmenovitý proud. Ten je běžně 20 mA, na úsporných 2 mA. Při tomto proudu potřebuješ před LED srazit zbytek napětí, 16 V - 2 V = 14 V. Odpor zjistíš, když srážené napětí podělíš požadovaným proudem.
R = U ÷ I
R = 14 V ÷ 0,02 A
R = 700 Ω
Nejbližší prodávaná hodnota je 680 Ω. Nezapomeň, že do LED můžeš pouštět jen usměrněné napětí, použij tedy také usměrňovací diodou. V odkázaném schématu je použita antiparalelně, já bych asi použil jen jednu těsně za svorku přivádějící napětí.

To je ovšem při jednocestném usměrnění chybný výpočet, neboť tam je napětí jen poloviční.
Chce to trochu nastudovat, třeba
http://lokopin.wz.cz/body.php/ruzne/zak ... roniky.htm
nebo
http://lokopin.wz.cz/prislusenstvi/stavba3.htm
Martin (LokoPin)
Uživatelský avatar
mpinta
 
Příspěvky: 783
Registrován: úte 08 led, 2008 11:55 am
Bydliště: Písek

Re: Oblouk s použitím obloukové výhybky

Příspěvekod BohousP » ned 12 led, 2014 8:46 am

palo-1 píše:Díval jsem se na výše uvedené stránky a pokud to dobře chápu, tak na střídavých 16V lze připojit klasickou diodu. Ale pořád nevím jak velký odpor mám před ní dát, za předpokladu že klasická dioda má napětí kolem 2V.


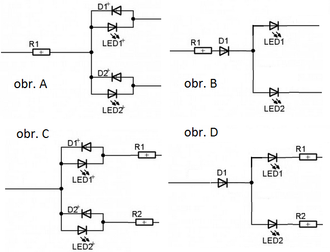
Na těch stránkách máš ve schémě vždy dvě diody proti sobě, jedna z nich je LED, druhá klasická usměrňovací. Je to proto, že je tam střídavé napětí 16V a LED se nemá v závěrném směru namáhat napětím vyšším než cca 3-5V. Takže to můžeš zapojit tak, jak je ve schémě, nebo jak píše Lokopin, jednu diodu společnou do série (spolu s odporem). Ono by to asi svítilo i bez klasických diod, ale dlouho ne :( . Klasickou diodou myslím 1N4148, 1N4007 a pod. Sériový odpor - viz předešlý příspěvek. Na zpětném ohlase asi požaduješ, aby byl dobře vidět, takže počítej proud 10-20 mA. (Anebo vezmi pár oporů 680 ohm až 2k2 a vyzkoušej s danými diodami, jak ti to svítí :D .)

Připojuji možné úpravy zapojení:
obr. A - původní zapojení
obr. B - rovnocenné zapojení podle Lokopina
obr. C - úprava A, pokud budou rozdílné svítivosti LED (např. různých barev) - nejlépe vyzkoušet vhodnou velikost odporu
obr. D - úprava B + C
Přílohy
ohlas-upravy.png
TT, DCC, NanoX-2017, TC8, ... http://masinky.info
Uživatelský avatar
BohousP
 
Příspěvky: 3068
Registrován: stř 12 kvě, 2010 9:17 am
Bydliště: Praha - Malešice

Re: Oblouk s použitím obloukové výhybky

Příspěvekod mpinta » ned 12 led, 2014 9:15 am

Jednoznačně nejlepší je zapojení D, když jsou použity LED o různých barvách a tedy i parametrech. Současně je to nejméně součástek. I "C" je ok, ale o jednu diodu víc. "A" a "B" je také dobře, ale obě LED by musely být stejné. Pro případ stejných LED tedy "B".
Martin (LokoPin)
Uživatelský avatar
mpinta
 
Příspěvky: 783
Registrován: úte 08 led, 2008 11:55 am
Bydliště: Písek

Re: zpětné hlášení

Příspěvekod BohousP » ned 12 led, 2014 9:47 am

Související diskuse je (trochu nelogicky) na http://diskuze.modely.biz/viewtopic.php?f=43&t=8114&p=142547#p142251

EDIT 17.1.2014 - tak po zásahu admina se diskuze dostala tam, kam patří, tedy zpět sem ....
Naposledy upravil BohousP dne pát 17 led, 2014 9:15 pm, celkově upraveno 1
TT, DCC, NanoX-2017, TC8, ... http://masinky.info
Uživatelský avatar
BohousP
 
Příspěvky: 3068
Registrován: stř 12 kvě, 2010 9:17 am
Bydliště: Praha - Malešice

Re: Oblouk s použitím obloukové výhybky

Příspěvekod palo-1 » ned 12 led, 2014 12:51 pm

Děkuji všem za vysvětlení. Takže pokud to dobře chápu, kdybych chtěl konkrétně připojit tuto diodu: http://www.gme.cz/led-10mm-red-p511-047 na střídavých 16V, tak bych musel před ní předřadit např. tento usměrňovací můstek: http://www.gme.cz/b250c1500-p227-004 a samozřejmě odpor, který by mi podle vzorce vyšel na nějakých 327,5ohmů? Pochopil jsem to a spočítal správně? :oops:
palo-1
 
Příspěvky: 46
Registrován: ned 05 led, 2014 8:47 am

PředchozíDalší

Zpět na Elektrika a elektronika

Kdo je online

Uživatelé procházející toto fórum: Žádní registrovaní uživatelé a 1 návštěvník