Napájení kolejiště

Schémata, zapojení, návody, dotazy a postupy k využití v železničním modelářství.

Moderátoři: Michal Dalecký, Jarda H., Rudolf, 123.marek

Re: Napájení kolejiště

Příspěvekod milan008 » ned 24 led, 2021 6:23 pm

Takže připojíš oba napájecí vodiče ke koleji a pak zapneš trafo do zásuvky a hned se rozsvítí červená signalizace? A když odpojíš jeden vodič od koleje tak zhasne?
milan008
 
Příspěvky: 173
Registrován: ned 01 led, 2017 2:06 pm
Bydliště: Olomouc/Skřípov

Re: Napájení kolejiště

Příspěvekod HavJa » ned 24 led, 2021 6:42 pm

Tak postupně, snad na nic nezapomenu.
hopeter píše:Taky mě to nedá. Na té samotné flexikoleji máš doufám na každou kolejnici připojený jeden drát. Promiň ten blbý dotaz ale už jsem zažil ledasco.
A ještě když zapneš samotné trafo bez připojení ke koleji tak kontrolka svítí nebo ne ?

Ano, na každou kolej jen jeden. :D Kontrolka se rozsvítí hned, jak začnu otáčet kontrolérem.

milan008 píše:Takže připojíš oba napájecí vodiče ke koleji a pak zapneš trafo do zásuvky a hned se rozsvítí červená signalizace? A když odpojíš jeden vodič od koleje tak zhasne?

Když vysunu spojky z kolejí a otáčím kontrolérem, tak svítí také.
HavJa
 
Příspěvky: 15
Registrován: pon 02 pro, 2019 9:06 pm

Re: Napájení kolejiště

Příspěvekod milan008 » ned 24 led, 2021 6:48 pm

A zkoušel jsi na kolej postavit nějakou lokomotivu?
milan008
 
Příspěvky: 173
Registrován: ned 01 led, 2017 2:06 pm
Bydliště: Olomouc/Skřípov

Re: Napájení kolejiště

Příspěvekod HavJa » ned 24 led, 2021 7:08 pm

Vypadá, že normálně jezdí.
HavJa
 
Příspěvky: 15
Registrován: pon 02 pro, 2019 9:06 pm

Re: Napájení kolejiště

Příspěvekod milan008 » ned 24 led, 2021 7:13 pm

Tak když jezdí, tak nemůže být zkrat.
milan008
 
Příspěvky: 173
Registrován: ned 01 led, 2017 2:06 pm
Bydliště: Olomouc/Skřípov

Re: Napájení kolejiště

Příspěvekod hopeter » ned 24 led, 2021 7:22 pm

No návod jsem jen tak narychlo prošel a o kontrolce tam nic není nebo jsem to přehlédl. Pokud po koleji lokomotiva jezdí tak je vysvětlení prosté - kontrolka říká , že z regulátoru jde proud. Jestli s kolečem regulátoru v nule nesvítí tak je to jasné. :)
TT a G , epocha III / IV , jen si tak hraju ...,V jednoduchosti je síla... HOnza PETERa
Uživatelský avatar
hopeter
 
Příspěvky: 3059
Registrován: pát 20 pro, 2013 3:03 pm
Bydliště: Červený Kostelec

Re: Napájení kolejiště

Příspěvekod HavJa » ned 24 led, 2021 7:27 pm

hopeter píše:No návod jsem jen tak narychlo prošel a o kontrolce tam nic není nebo jsem to přehlédl. Pokud po koleji lokomotiva jezdí tak je vysvětlení prosté - kontrolka říká , že z regulátoru jde proud. Jestli s kolečem regulátoru v nule nesvítí tak je to jasné. :)

Asi to tak bude, jako jediný to ve výsledku dává smysl.
Děkuji všem za Vaše rady a čas.
HavJa
 
Příspěvky: 15
Registrován: pon 02 pro, 2019 9:06 pm

Re: Napájení kolejiště

Příspěvekod jirkan » pon 25 led, 2021 12:00 am

Ale to pořád nevysvětluje situaci, kdy je pouze připojená samotná kolej a regulátor není v nule. Tam přece žádný proud taky neteče?!
jirkan
 
Příspěvky: 1076
Registrován: stř 16 bře, 2011 9:47 pm
Bydliště: Praha

Re: Napájení kolejiště

Příspěvekod JendaTT » pon 25 led, 2021 1:26 am

A není to jako u trafa od Tilliga? Tam také svítí zelená LED kontrolka, stačí když se vyhne regulátor na stranu od nuly. A dělá to i bez proudové zátěže. Prostě jen indikace toho, že v drátech na výstupu je napětí....
JendaTT
 
Příspěvky: 548
Registrován: pát 06 bře, 2015 2:56 pm

Re: Napájení kolejiště

Příspěvekod hank » pon 25 led, 2021 6:58 am

Z Murphyho zákonů: Když selže všechno ostatní, přečtěte si konečně ten manuál... :lol:
... i my dědci ještě můžeme být všelijak užiteční...
Es ist viel später als du denkst.
hank
 
Příspěvky: 6907
Registrován: stř 24 čer, 2009 4:43 pm

Re: Napájení kolejiště

Příspěvekod JenikPluto » pon 25 led, 2021 10:19 am

hank píše:Z Murphyho zákonů: Když selže všechno ostatní, přečtěte si konečně ten manuál... :lol:


<offtopic>

Me se libi, jak se klasicke "If all else fails, RTFM!" casto pro mnohe meni na "If all else fails,find a YouTube channel!". Nenatocil nekdo o tomhle problemu instruktazni video?

Kdysi taky nekdo prohlasil: "Kdyz veskere snazeni selhava, je nacase vyndat z kose manual!" :-)

</offtopic>

Ale je jasne, ze kazdy se nekdy zasekne, o tom zadna...

JP
JenikPluto
 
Příspěvky: 465
Registrován: pát 08 lis, 2013 10:19 am
Bydliště: Kladno

Re: Napájení kolejiště

Příspěvekod HavJa » stř 03 úno, 2021 3:31 pm

Opět zdravím, byť nerad, tak opět otravuju.
Tentokrát s jiným problémem.
Tento týden jsem konečně měl čas a postavil si menší kolejiště, které jsem měl v plánu. Po dokončení jsem chtěl zkušebně projet, zda je vše v pořádku, ale narazil jsem na to, že na levém nádraží jde projet pouze zeleně vyznačená kolej, a to pouze v moment, kdy je červeně označená výměna postavené rovně. Zkoušel jsem jiné variace a podle všeho by měl být problém u angličáku. Vždy, když k angličáku připojím dvě koleje, které jsou rozvětveny výměnou na začátku stanice (ukázka na obrázku B), tak už nelze jezdit na celém kolejišti. Přečetl jsem si návod a při použití s jedním analog. ovladačem jsem tam nenašel žádné specifikum, které by bylo nutno dodržet. Ještě dodám, že žlutá čárka označuje místo napájení. Všechno to jsou koleje PECO code 100, angličák klasický a zbylé čtyři výměny s vodivou srdcovkou (do budoucna, jelikož mám v plánu zcela jiné digi kolejiště, toto je jen dočasné na vyblbnutí). Možná je ten problém zcela jasný a já ho nevidím, nemám téměř žádné zkušenosti, tak se rovnou omlouvám, pokud je to nějaká směšná banalita.
Děkuji všem za případnou odpověď.
Přílohy
Plán kolejiště.png
Plán kolejiště.png (9.62 KiB) Zobrazeno 4369 krát
Obrázek B.png
Obrázek B.png (5.25 KiB) Zobrazeno 4369 krát
HavJa
 
Příspěvky: 15
Registrován: pon 02 pro, 2019 9:06 pm

Re: Napájení kolejiště

Příspěvekod Dovi » stř 03 úno, 2021 6:09 pm

Psali jsme Ti to s kolegou Střelcem už krátce po založení tohoto vlákna.
Ale jak vidět, asi zbytečně.


Takže jestli nám stále nevěříš:

- vezmi si jednu výhybku Peco

- připoj ji na napětí

- cvakej si s tou výměnou rovně a do odbočky

- voltmetrem (multimetrem) při tom přecvakávání měř napětí na všech kolejnicích

- a budeš se moc divit...
- v dětství H0 a potom N
- teď už si jen občas hraju (nemodelařím) s H0, H0e, H0f, N a TTm, DC+DCC
Uživatelský avatar
Dovi
 
Příspěvky: 798
Registrován: pon 25 kvě, 2020 5:47 am

Re: Napájení kolejiště

Příspěvekod HavJa » stř 03 úno, 2021 7:15 pm

Tady to není o průchodu proudu bohužel.
Všechny výměny v různých zapojení, klidně i jednotlivých fungují normálně, ve všech směrech. Ale jak říkám, tak je problém v moment, kdy je to zapojeno podle OBRÁZKU B.
Nejsem opravdu zas tak hloupý, abych ignoroval Vaše rady.
HavJa
 
Příspěvky: 15
Registrován: pon 02 pro, 2019 9:06 pm

Re: Napájení kolejiště

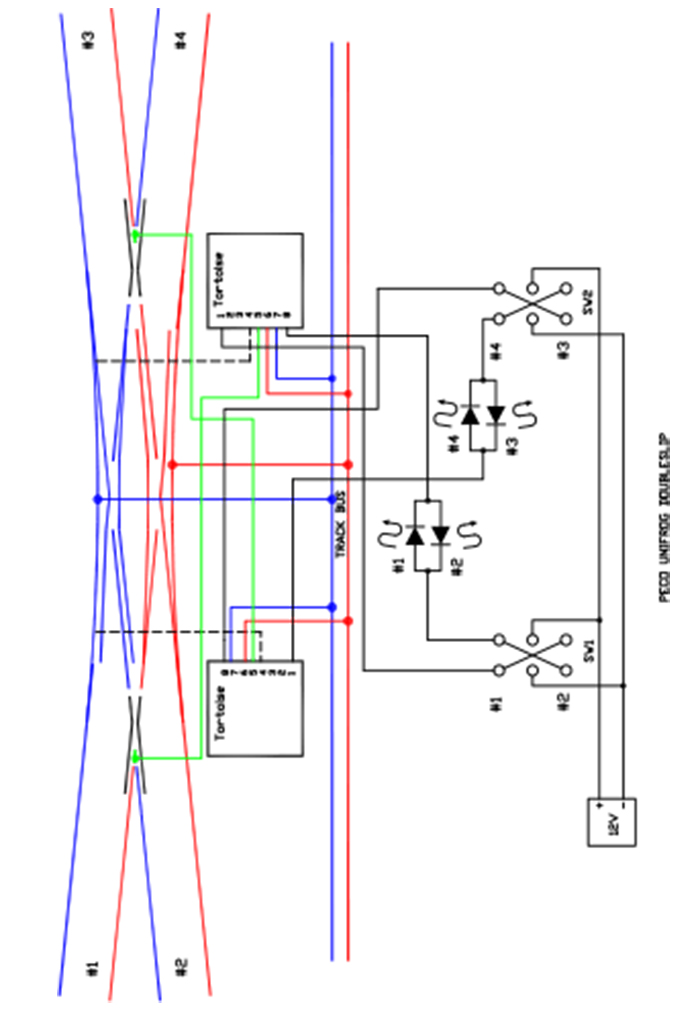
Příspěvekod milan ferdián » stř 03 úno, 2021 8:06 pm

A jak jsi zapojil ty čtyři samostatné vodiče od anglické výhybky?
1 - elektrické zapojení těch čtyřech vodičů
2 - pohled zespodu na anglickou/ čtyři samostatné vodiče jdou krásně vidět
3 - pohled z vrchu na anglickou

Jestli umíš anglicky, zde máš přímo odkaz na studium http://www.wiringfordcc.com/switches_peco.htm
-m-
Přílohy
peco_unifrog_doubleslip.jpg
5A_19B_7602_Double Slipdoubleslip_bottom.jpg
5A_19B_7600_Double Slipdoubleslip_top.jpg
milan ferdián
 
Příspěvky: 12189
Registrován: ned 30 pro, 2007 5:48 pm

PředchozíDalší

Zpět na Elektrika a elektronika

Kdo je online

Uživatelé procházející toto fórum: Žádní registrovaní uživatelé a 1 návštěvník