SPAX

Schémata, zapojení, návody, dotazy a postupy k využití v železničním modelářství.

Moderátoři: Michal Dalecký, Jarda H., Rudolf, 123.marek

Re: SPAX - hledám návod

Příspěvekod D » sob 19 črc, 2025 8:10 pm

sidlo:
> Na obrázku je SPAX nějaká Polská verze Spaxu. Je tam nápis Spaxbooster V2.3. Máte k tomu někdo návod? Případně jak zapojit konektor se třemi svorkami (na obrázku v levém horním rohu)

Ahoj. Tento Spax jsme dostali z naší objednávky na setkání v Bílsku-Bělé a hned jsme ho tam úspěšně vyzkoušeli v provozu. Trojitý konektor je napájecí, zapojené jsou jen krajní kontakty. Dvojitý konektor je výstup DCC. Se zdrojem 18 V DC dává lehce přes 14 V DCC do kolejí.
Uživatelský avatar
D
 
Příspěvky: 1372
Registrován: sob 27 úno, 2010 1:52 pm
Bydliště: Brno

Re: SPAX - hledám návod

Příspěvekod Zdenek Valter » sob 19 črc, 2025 8:26 pm

D píše:sidlo:
> Na obrázku je SPAX nějaká Polská verze Spaxu. Je tam nápis Spaxbooster V2.3. Máte k tomu někdo návod? Případně jak zapojit konektor se třemi svorkami (na obrázku v levém horním rohu)

Ahoj. Tento Spax jsme dostali z naší objednávky na setkání v Bílsku-Bělé a hned jsme ho tam úspěšně vyzkoušeli v provozu. Trojitý konektor je napájecí, zapojené jsou jen krajní kontakty. Dvojitý konektor je výstup DCC. Se zdrojem 18 V DC dává lehce přes 14 V DCC do kolejí.

Díky, je to jak jsem ve svém příspěvku předpokládal.
Zdenek Valter
 
Příspěvky: 3391
Registrován: pon 09 říj, 2006 2:38 pm
Bydliště: Ústí n.L.

Re: SPAX

Příspěvekod fulda » úte 22 črc, 2025 5:52 pm

Pokud by snad někoho můj SPAX, tak jsem zveřejnil popisek.
Užívejte
Za pravopisné chyby v této zprávě může moje učitelka češtiny.
Uživatelský avatar
fulda
 
Příspěvky: 5357
Registrován: pon 09 srp, 2010 8:08 am
Bydliště: Praha - Uhříněves

Re: SPAX

Příspěvekod Rudolf » úte 22 črc, 2025 6:09 pm

Pěkné.
Ta LED1 je buď opačně nebo nemá být připojena na GND ale na Vcc ?
Ruda
Uživatelský avatar
Rudolf
 
Příspěvky: 1003
Registrován: ned 08 říj, 2006 11:10 am
Bydliště: Strakonice

Re: SPAX

Příspěvekod Zdenek Valter » úte 22 črc, 2025 7:16 pm

fulda píše:Pokud by snad někoho můj SPAX, tak jsem zveřejnil popisek.
Užívejte

Ten Pic bys na požádání naprogramoval?
Zdenek Valter
 
Příspěvky: 3391
Registrován: pon 09 říj, 2006 2:38 pm
Bydliště: Ústí n.L.

Re: SPAX

Příspěvekod fulda » úte 22 črc, 2025 7:59 pm

Rudolf píše:Pěkné.
Ta LED1 je buď opačně nebo nemá být připojena na GND ale na Vcc ?
Ruda

No jo, dobrej postřeh. Byla obráceně na schématu. Plošňák je dělanej ze schématu, ale při osazování jsem LEDku osadil správně, takže jsem si toho ani nevšiml.
Už jsem to na stránce opravil.
Za pravopisné chyby v této zprávě může moje učitelka češtiny.
Uživatelský avatar
fulda
 
Příspěvky: 5357
Registrován: pon 09 srp, 2010 8:08 am
Bydliště: Praha - Uhříněves

Re: SPAX

Příspěvekod jipol57 » úte 22 črc, 2025 8:16 pm

Tak, a ještě opravit obrázek na webu. :D
jipol57
 
Příspěvky: 1624
Registrován: pát 06 dub, 2018 5:18 pm

Re: SPAX

Příspěvekod fulda » stř 23 črc, 2025 7:41 am

jipol57 píše:Tak, a ještě opravit obrázek na webu. :D

To jsem udělal už před tím, než jsem to napsal. Ale asi ti obrázek zůstal v nějaké cache. Tak si reloadni cache a je to.
Za pravopisné chyby v této zprávě může moje učitelka češtiny.
Uživatelský avatar
fulda
 
Příspěvky: 5357
Registrován: pon 09 srp, 2010 8:08 am
Bydliště: Praha - Uhříněves

Re: SPAX

Příspěvekod sidlo » pon 20 říj, 2025 4:44 am

Víte někdo, jak z tohoto SPAXU vyvést signalizaci zkratu:?

http://diskuze.modely.biz/viewtopic.php?f=7&t=14181#p347366
Obrázek
Uživatelský avatar
sidlo
 
Příspěvky: 3862
Registrován: ned 27 dub, 2014 7:32 am

Re: SPAX

Příspěvekod rawen » pon 20 říj, 2025 4:57 am

Ahoj.
Uprostřed, nažloutlá LED, je Power. Dole, nečitelná bílá LED, bude provoz/zkrat.
Bohužel chybí podrobnosti, ale začal bych tam, signál zesílil, případně prohnal optickým oddělením, a pak s ním můžeš dělat, co chceš...

Radek
rawen
 
Příspěvky: 1962
Registrován: stř 08 dub, 2009 10:42 am
Bydliště: Prostějov

Re: SPAX

Příspěvekod fulda » pon 20 říj, 2025 6:41 am

Tak ono je to tam napsané. Je to dvoubarevka a zelená znamená provoz a červená zkrat.
IMHO je to spax podle základního schématu, takže prostě tak jak je v základním spaxu.
Za pravopisné chyby v této zprávě může moje učitelka češtiny.
Uživatelský avatar
fulda
 
Příspěvky: 5357
Registrován: pon 09 srp, 2010 8:08 am
Bydliště: Praha - Uhříněves

Re: SPAX

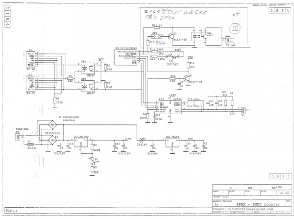
Příspěvekod Zdenek Valter » pon 20 říj, 2025 7:30 am

Spax co používáme my
Je tam vidět jak se bere detekce zkratu.
Zde nahrazujeme PIC podle KŽM Brno
Přílohy
SPAX KZMP4.png
Zdenek Valter
 
Příspěvky: 3391
Registrován: pon 09 říj, 2006 2:38 pm
Bydliště: Ústí n.L.

Re: SPAX

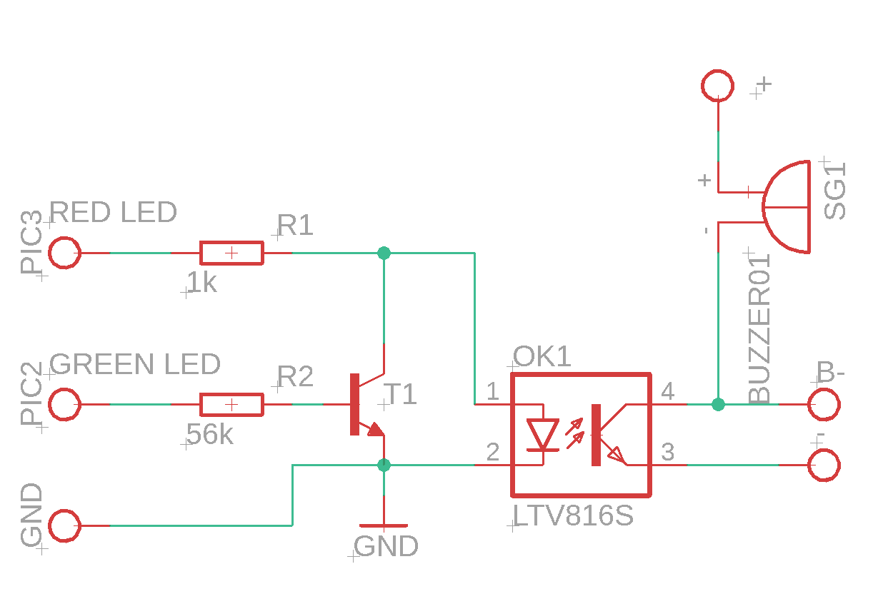
Příspěvekod Zdenek Valter » pon 20 říj, 2025 9:41 am

popřípadě máme na to destičku pro piezo bzučák.
Bohužel už jsem do nikde neviděl ke koupi :-(
Spax buzzer KZM Pha4.png
Spax buzzer KZM Pha4.png (15.19 KiB) Zobrazeno 3911 krát
Přílohy
Spax buzzer KZM Pha4 BRD.png
Zdenek Valter
 
Příspěvky: 3391
Registrován: pon 09 říj, 2006 2:38 pm
Bydliště: Ústí n.L.

Re: SPAX

Příspěvekod Zdenek Valter » pon 20 říj, 2025 9:48 am

Takhle to vypadá:
Přílohy
Spax buzzer bot.png
Spax buzzer bot.png (240.36 KiB) Zobrazeno 3911 krát
Spax buzzer top.png
Spax buzzer top.png (176.07 KiB) Zobrazeno 3911 krát
Zdenek Valter
 
Příspěvky: 3391
Registrován: pon 09 říj, 2006 2:38 pm
Bydliště: Ústí n.L.

Předchozí

Zpět na Elektrika a elektronika

Kdo je online

Uživatelé procházející toto fórum: Žádní registrovaní uživatelé a 1 návštěvník

cron