Schémata, zapojení, návody, dotazy a postupy k využití v železničním modelářství.
Moderátoři: Michal Dalecký, Jarda H., Rudolf, 123.marek
od Miloš_P » čtv 20 zář, 2018 10:02 am
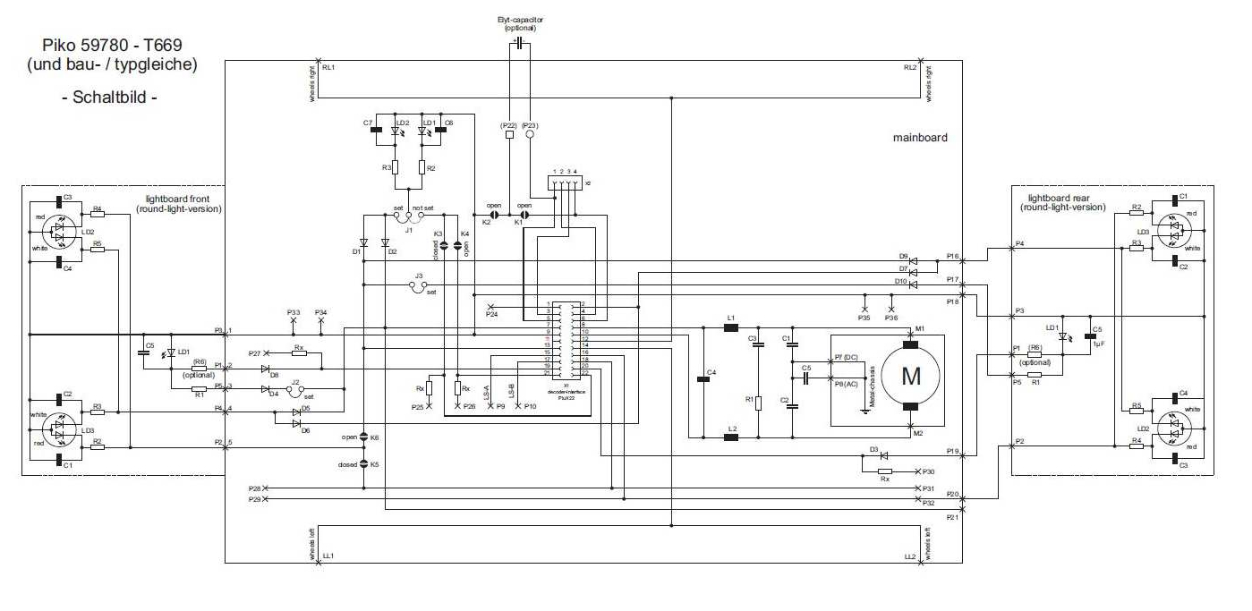
Nevíte někdo, kde by se daly získat (stáhnout) schémata elektrického zapojení loko. Konkrétně se mě jedná v H0 o Brejlovce a Sergeje ROCO a Čmeláka od PIKO. MTB to má pěkně v manuálu, ale u ostatních i strýček Google zarytě mlčí. Poslední možnost je to překreslit z plošňáku, ale to je až krajní řešení.
-

Miloš_P
-
- Příspěvky: 678
- Registrován: stř 20 pro, 2006 9:40 pm
- Bydliště: Praha
-
od mpinta » čtv 20 zář, 2018 11:12 am
Můžu poslat i na mail... ale tady to lze zvětšit do čitelné podoby.
Martin (LokoPin)
-

mpinta
-
- Příspěvky: 783
- Registrován: úte 08 led, 2008 11:55 am
- Bydliště: Písek
-
od Miloš_P » čtv 20 zář, 2018 11:18 am
Díky moc

.
-

Miloš_P
-
- Příspěvky: 678
- Registrován: stř 20 pro, 2006 9:40 pm
- Bydliště: Praha
-
Zpět na Elektrika a elektronika
Kdo je online
Uživatelé procházející toto fórum: Žádní registrovaní uživatelé a 1 návštěvník