Moderátoři: Michal Dalecký, Jarda H., Rudolf
Jirka_US píše:Ten obvod (ESP8266) je docela výkonný procesor a celkem běžně se používá na IoT aplikace.
Ano to je spravna informace, JMRI od verze 4.3.7 podporuje "IoT control" s ESP8266.

Ano, je to klasická vlastnost arduino knihoven (a nejen knihoven).zdeno píše:Kniznice Arduino jsou cista jednoucelovka a nejsou vhodne na spolupraci s jinymi podprogramy. Musel jsem si napisat svoje, ktere se daji pouzit i jinde.
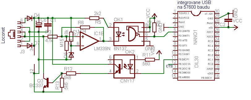
Proč vlastně používáš takhle nesymetrické optické oddělení? IMHO je rychlost Rx a Tx stejná. Chápu to u DCC, kde je směr od centrály k dekodérům o mnoho rychlejší než naopak, ale tady ta rychlost není velká ani v jednom směru a takže by to v pohodě stíhal PC817 (CNY17) s přiměřeným pull up odporem.zdeno píše:Pokladam za vhodne to opticky oddelit, je to stabilnejsi.
zdeno píše:CTS je zapojene na PB1, podle Fuldu.
Nezkoušel jsi porovnat jak se zachová buffer podle návodu na mojich stránkách? Vím že nebude geniální, ale rozhodně bude lepší než ten originál s PICem, ten je dost slabej.zdeno píše:Testovani jsem delal pomoci JMRI a nekolika vstupu USB a jeden MS100. Navolil jsem generovani asi 150paketu za vterinu a potom porovnal. Je zajimave ze nejhure dopadnul klasicky LocoBuffer s PIC procesorem, ktery prosvihnul asi 40 paketu za 30vterin. Muj Locobuffer a MS100 neudelali ani jednu chybu a vsechno odeslali do pocitace.
To je asi vsechno. Dekuji za pozornost.
Nemá cenu komentovat, to je vlastnost kterou si Arduino komunita vytyčila a odspodu změnit nejde.zdeno píše:ad1
Já celkem chápu k čemu je dobré opto oddělení, ale nechápu, proč pro oddělení Rx a Tx které mají hdně podobné vlastnosti používáš pokaždé jiný optron a to optrony s dramaticky jinými vlastnostmi. Jestli jsi k tomu měl někdy nějaký důvod a nebo jsi to jen někde obkreslil a už nevíš kde?zdeno píše:ad2
opticke oddeleni je kvuli zemnicim smyckam, kdy to muze delat problemy.
Neni totiz zajisteno, ze pocitac a centrala jsou napajeny ze stejneho rozvodu 230V. Je to ciste preventivni.
Pouzite opto-reseni mam odzkousene a nemel jsem duvod ho menit.
zdeno píše:ad4
tvuj buffer nemam a ani mne nejak nenapadlo ho stavet. Proto ho nemuzu odzkouset.
To neber osobne, proste to je soucasti velkeho projektu a asi by nebylo dobre tam davat veci, ktere maji pro mne nezname vlastnosti.
U6 jsem si říkal, že jsi to dlouho nenapsal a že se mi po tom stejská.Jirka_US píše:Podivej se na projekt DCC++
Nikoli, nevím jestli jsi si všimnul jaká je má historie v Arduino komunitě. Myslím si, že je dost dlouhá a že jsem vytvořil přiměřeně velké množství oprav, patchů a připomínek, abych si mohl dovolit použít takovéto hodnocení.BorgMcz píše:Hned odsuzovat něco jen proto že to bylo sice vyvinuto pro studenty, je trochu divné.
Na tohle mám trochu jiný názor, pokud něco identifikuju jako evidentní chybu, tak to zareportuji. Pokud na to dlouho není náprava, tak prezentuji i možnou opravu, případně patch. A pokud se dozvím, že je to zajímavé a opravdu je to chyba, ale všichni jsou už na to zvyklí, tak si dovolím být otráven, bez ohledu na to, jestli něco jde a nebo nejde.BorgMcz píše:A pokud ti Fuldo něco na Arduinu nejde, no tak ho nepoužívej, on ti ho nikdo nenutí, ale rozhodně ho neodsuzuj!!
Uživatelé procházející toto fórum: Žádní registrovaní uživatelé a 1 návštěvník