Moderátoři: StandaR, milan ferdián, Michal Dalecký, Jarda H.
milan ferdián píše:A já měl pocit,že máte zájem o nákladní/vlečkovou dopravu o jedné výhybce
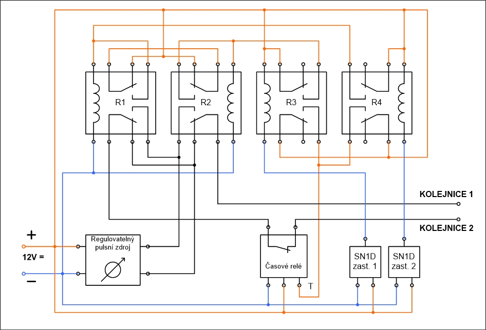
hopeter píše:A co ovládání ? Můžu doporučit tohle http://www.honzikovyvlacky.cz/2014/02/22/honzikovo-kolejiste-31-aneb-aspon-kousek-uzkorozchodne/#more-14731 dole pod názvem cik-cak. Mě se to osvědčilo https://www.youtube.com/watch?v=32akkatunLw ale ještě dumám to udělat na arduino s postupným rozjezdem a zastavením...

fulda píše:Pokud by jsi nepohrdl popisem jak se k podobnému problému staví jiní, tak v posledním amáru (03/19) vyšlo docel hezké řešení.
Víc elektronické, méně cvakající.
Uživatelé procházející toto fórum: Žádní registrovaní uživatelé a 1 návštěvník