DCC

Absolutní začátky s modelovou železnicí. Dotazy na úplně základní věci.

Moderátoři: StandaR, milan ferdián, Michal Dalecký, Jarda H.

Re: Centrála dodává až 3 A a průřez vodiče

Příspěvekod BaWiS » stř 13 čer, 2012 5:36 pm

mizl píše:Ano, toto můžeš použít. Pokud by jsi si roz-klikl datasheet toho to konektoru, který je uveden na stránkách prodejce, zjistil by si, že konektor snese 5A.Michal

Díky Michale, těch 5 A jsem viděl, ale nebyl jsem si jistý, jestli není háček třeba jinde :) Díkes :wink:
Kunčická garáž
Uživatelský avatar
BaWiS
 
Příspěvky: 350
Registrován: čtv 27 lis, 2008 8:34 pm

Re: Centrála dodává až 3 A a průřez vodiče

Příspěvekod BaWiS » stř 13 čer, 2012 7:11 pm

Myšpulín píše:...takže 0,5 mm*2 odhadem tak 8A až 10A. Jinak proud je závislý na odběru spotřebičů a tam je zase dimenzován maximálním proudem dekodérů. Odběr loko je různý, záleží na mnoha faktorech, ale většinou do 0,5A bez zátěže.
Takže pokud mi bude na kolejích jezdit jedna lokomotiva, tak v drátech určitě nebudu mít, 3 A ale o hodně mín, tudíž můžu použít i ten tenčí kabel 0.5 mm^2 , snad to chápu a díky moc :)
Kunčická garáž
Uživatelský avatar
BaWiS
 
Příspěvky: 350
Registrován: čtv 27 lis, 2008 8:34 pm

Re: Centrála dodává až 3 A a průřez vodiče

Příspěvekod PaMi » stř 13 čer, 2012 7:43 pm

BaWiS píše: Takže pokud mi bude na kolejích jezdit jedna lokomotiva, tak v drátech určitě nebudu mít, 3 A ale o hodně mín, tudíž můžu použít i ten tenčí kabel 0.5 mm^2 , snad to chápu a díky moc :)

Ono ani tak nejde o odběr lokomotiv příp. osvětlených vagonů. Je potřeba počítat s nehodami. Když jde něco do čistého zkratu, tak to taky není problém, protože v centrále zafunguje jištění. Horší je ale situace, kdy nastane zkrat přes nějak vytvořený odpor a proud teče a teče a teče a dráty začínají hořet (vlastní zkušenost: zkrat na desce plošného spoje přes zateklou kalafunu a drátek).
-- TT -- ČSD -- Jenom pro radost -- TrainController 8.0 Gold -- Moduly
Uživatelský avatar
PaMi
 
Příspěvky: 515
Registrován: úte 04 bře, 2008 1:57 pm

Re: Centrála dodává až 3 A a průřez vodiče

Příspěvekod Myšpulín » stř 13 čer, 2012 8:03 pm

PaMi píše:
BaWiS píše: Takže pokud mi bude na kolejích jezdit jedna lokomotiva, tak v drátech určitě nebudu mít, 3 A ale o hodně mín, tudíž můžu použít i ten tenčí kabel 0.5 mm^2 , snad to chápu a díky moc :)

Ono ani tak nejde o odběr lokomotiv příp. osvětlených vagonů. Je potřeba počítat s nehodami. Když jde něco do čistého zkratu, tak to taky není problém, protože v centrále zafunguje jištění. Horší je ale situace, kdy nastane zkrat přes nějak vytvořený odpor a proud teče a teče a teče a dráty začínají hořet (vlastní zkušenost: zkrat na desce plošného spoje přes zateklou kalafunu a drátek).

..... . Samo, že stále platí zákon páně Ohma, pokud by ty dráty měly být delší než např. 10 m, určitě by to chtělo silnější. Pro stabilní kolejiště je hlavní rozvod lepší udělat z něčeho silnějšího. Pokud někde něco bude hořet, pak to jistě bude model nebo konektory. :P
H0, III až IV, ČSD, nemodelář
Myšpulín
 
Příspěvky: 1568
Registrován: stř 24 led, 2007 7:43 pm
Bydliště: Hostinné

Chystám se začít s DCC

Příspěvekod sidlo » sob 10 kvě, 2014 12:15 pm

Prostudoval jsem si DCC pro každého http://www.honzikovyvlacky.cz/wp-content/uploads/2012/02/DCC_pro_kazdeho_2.pdf, LokoPin Začínáme http://lokopin.wz.cz/zaciname/zaciname_seznam.htm a Honzíkovy vláčky N-šopík DIGI-CZ http://www.eshop-honzikovyvlacky.cz/honzikovyvlacky/eshop/11-1-DIGI-CZ.

Mám tři dotazy:
  • Je dobré začínat s komponenty DIGI-CZ? Pro a proti.
  • V dokumentu DCC pro každého je uvedeno základní schema Zdroj - Ovladač - Centrála - Zesilovač - Přípravu na digitál ve vozidle - Dekodér. Je to komlpetní výčet?

  • V nabídce N-šopík jsem nenašel Zdroj, Zesilovač a Přípravu na digitál ve vozidle. Hledal jsem dobře a mám navštívit i jiný e-shop?
Uživatelský avatar
sidlo
 
Příspěvky: 3862
Registrován: ned 27 dub, 2014 7:32 am

Re: Chystám se začít s DCC

Příspěvekod mpinta » sob 10 kvě, 2014 1:23 pm

sidlo píše:Mám tři dotazy:
Je dobré začínat s komponenty DIGI-CZ? Pro a proti.
Moc neurčitý dotaz. S jakými komponenty a na co? K čemu? Osobně rozhodně mohu doporučit detektory obsazení Digi-CZ 006-A 4-nás. detektor.

sidlo píše:V dokumentu DCC pro každého je uvedeno základní schema Zdroj - Ovladač - Centrála - Zesilovač - Přípravu na digitál ve vozidle - Dekodér. Je to komlpetní výčet?
Opět neurčitý dotaz. Pro ovládání mašiny z ruky, ovladače, ANO.
Pro ovládání výhybek, návěstidel atd., pro automatizaci z PC, rozhodně NE.

sidlo píše:V nabídce N-šopík jsem nenašel Zdroj, Zesilovač a Přípravu na digitál ve vozidle. Hledal jsem dobře a mám navštívit i jiný e-shop?
Zdroj je potřebný především pro napájení centrály. Proto je také poplatný tomu, o jakou centrálu jde. V základu vyhoví jištěný zdroj střídavého napětí 16 V, třeba i FZ1. Čím je možné centrálu napájet, je uvedeno v jejím manuálu.
Zesilovač je obvykle součástí centrály. Lenz LZV100 ho má, NanoX také, Roco multiMAUS (v kompletní sadě) též.
Příprava na digitál ve vozidle není nic jiného, než rozhraní, konektor pro lokodekodér. Většina nových mašin ho má. Podle typu konektoru se vybírá lokodekodér. Někdy bývá součástí "přípravy na digi" i další elektronika (na desce v mašině), která umožňuje třeba zvláštní ovládání světel (koncová, reflektor), příp. i dalších komponent (spřáhlo, pantograf, dveře...). Mašiny bez rozhraní lze digitalizovat lokodekodérem s vodiči.

Obecně bych ti doporučoval návštěvu některého modeláře, příp. klubu, kde se problematikou zabývají. Osobní pokec nic nenahradí a zpočátku bych to považoval skoro za nutnost. Konkrétně nevím, koho poradit, nevím, odkud jsi.
Nebo použij aspoň Skype. Moje kontakty jsou všechny na stránkách (LokoPin).
Ahoj Martin
Martin (LokoPin)
Uživatelský avatar
mpinta
 
Příspěvky: 783
Registrován: úte 08 led, 2008 11:55 am
Bydliště: Písek

Re: Chystám se začít s DCC

Příspěvekod fulda » sob 10 kvě, 2014 1:27 pm

sidlo píše:Prostudoval jsem si DCC pro každého http://www.honzikovyvlacky.cz/wp-content/uploads/2012/02/DCC_pro_kazdeho_2.pdf,

To je prosím druhej díl, první je Jemný úvod.

sidlo píše:Je dobré začínat s komponenty DIGI-CZ? Pro a proti.
Za mne bych řekl, že máš několik možností, které seřadím podle ceny:
Roco startset (Velice dobrá cena, bezva ovladač, v setu velmi nízkej výkon)
Malosériovky (atraktivní ceny, přijatelnej výkon za ty prachy spíš lepš výkon) - zde se pochválím, že DIGI-CZ je to nejmodernější na českém trhu
Profi nářadí (tady si holt trošku připlatš, ale většinou dostaneš velice dobré komponenty)

sidlo píše:V dokumentu DCC pro každého je uvedeno základní schema Zdroj - Ovladač - Centrála - Zesilovač - Přípravu na digitál ve vozidle - Dekodér. Je to komlpetní výčet?
Tak jak jsi to napsal tak ano, ALE zálež co a jak chceš ovládat. Pokud si pod slovem "dekodér" představme dekodér pro příslušenství (výhybky, serva, točny, ...) a pod pojmem "příprava ve vozidle" představíme vozidla vybavená DCC dekodérem, tak je to víc než dobré.
Tím jsem chtěl říci, že právě to příslušenství je potřeba si rozmyslet, například jestli budeš používat přestavníky v kolejích, servo přestavníky, želva přestavníky, elektromagnetické přehazovačky, ...

sidlo píše:V nabídce N-šopík jsem nenašel Zdroj, Zesilovač a Přípravu na digitál ve vozidle. Hledal jsem dobře a mám navštívit i jiný e-shop?

Základní zesilovač (2,9A) je přímo součást centrály NanoX, zdroj tam není, protože by se jednalo pouze o přeprodej z jiného obchodu, takže zdražení pro nic.
Jako zdroj můžeš použít adaptér od starého laptopu, pokud dává 16-20V a proud větší než 3A, nebo ti nějakej najdu v obchodech - taky podle toho jak jsi zručnej s elektrikou, třeba toroidní trafo je bezva a je levné, ale dostaneš jen odizolované dráty, takže pokud si ho neumíš zapojit a dát do škatule, tak si můžeš přivodit smrt elektrickým proudem a to není dobře.
To samé dekodéry do vozidel. Občas se v nabídce objevují dekodéry Doehler Haass, ale jejich zastoupení v ČR už asi nefunguje. Dekodéry ostatních výrobců mají celkem dost prodejců a tak nemá cenu je zde přeprodávat.
Za pravopisné chyby v této zprávě může moje učitelka češtiny.
Uživatelský avatar
fulda
 
Příspěvky: 5357
Registrován: pon 09 srp, 2010 8:08 am
Bydliště: Praha - Uhříněves

Re: Chystám se začít s DCC

Příspěvekod sidlo » sob 10 kvě, 2014 2:42 pm

Jo, chci začít pomalu, takže první krok pouze rozjet lokomotivu.
Start set Roco mi dnes v obchodě také nabídli, ale co dělat se soupravou a kolejemi, které se nehodí do mého záměru. Proto dotaz na DIGI-CZ.
Tou přípravou ve vozidle jsem myslel usměrňovač, patici na dekodér atd. (MZ na to má součástku Univerzální deska pro lokomotivy http://www.zajic.cz/zeleznice/doloko/doloko.htm).
Pro začátek bych si rád rozchodil jednu mašinku PIKO Hobby http://www.piko-shop.de/index.php?vw_type=artikel&vw_id=35, abych si to osahal. Příslušenství přijde na řadu později.

Abych to shrnul -- potřebuji zdroj 16 V ~, 3 A.
Do kolejí je střídavé napětí nebo stejnosměrné? To mi nějak uniklo.
Není podstatné do které koleje se přivede signál J a K. Samozřejmě se to nesmí zkratovat ve smyčce. Je to tak?
S pájkou a kleštěma bych si poradil. Ale jenom do 24 V. To co je výš ne, nechci riskovat úraz. A součástky s pájením na desku taky radši ne. Tak zručný nejsem. To většinou poškodím měděný spoj na desce. To preferuji konektory nebo extra vyvedený vodič.
Uživatelský avatar
sidlo
 
Příspěvky: 3862
Registrován: ned 27 dub, 2014 7:32 am

Re: Chystám se začít s DCC

Příspěvekod BohousP » sob 10 kvě, 2014 3:27 pm

sidlo píše:Jo, chci začít pomalu, takže první krok pouze rozjet lokomotivu.
Start set Roco mi dnes v obchodě také nabídli, ale co dělat se soupravou a kolejemi, které se nehodí do mého záměru. Proto dotaz na DIGI-CZ.
Tou přípravou ve vozidle jsem myslel usměrňovač, patici na dekodér atd. (MZ na to má součástku Univerzální deska pro lokomotivy http://www.zajic.cz/zeleznice/doloko/doloko.htm).
Pro začátek bych si rád rozchodil jednu mašinku PIKO Hobby http://www.piko-shop.de/index.php?vw_type=artikel&vw_id=35, abych si to osahal. Příslušenství přijde na řadu později.


Přípravu ve vozidle nemusíš řešit, pokud si koupíš mašinku s vestavěným dekodérem. Nebo alespoň s konektorem pro dekodér (viz M.Pinta výše), který si koupíš zvlášť a do konektoru jenom vsuneš. To Zajícovo řešení je také možné, ale spíš už pro lidi s nějakými zkušenostmi. Navíc, nelze dopředu říct, jestli se ti to vejde do mašinky. Žádný usměrňovač se nepřidává, je součástí dekodéru.
Volba mašinky je na tobě, ale nevím, kolik místa právě v této mašince je.

sidlo píše: Abych to shrnul -- potřebuji zdroj 16 V ~, 3 A.
Do kolejí je střídavé napětí nebo stejnosměrné? To mi nějak uniklo.
Není podstatné do které koleje se přivede signál J a K. Samozřejmě se to nesmí zkratovat ve smyčce. Je to tak?
S pájkou a kleštěma bych si poradil. Ale jenom do 24 V. To co je výš ne, nechci riskovat úraz. A součástky s pájením na desku taky radši ne. Tak zručný nejsem. To většinou poškodím měděný spoj na desce. To preferuji konektory nebo extra vyvedený vodič.


K té druhé části dotazu: zdroj 16V stř./3A se připojuje do centrály (např. NanoX) - ne do kolejí. Co s tím centrála udělá se popisuje v jiných vláknech a není to pro tebe zatím podstatné. Výstupem je napětí (signál) DCC - přivádí se do kolejí. Skutečně není důležité, do které koleje přivedeš J a do které K. Jen je nikde nesmíš vyzkratovat.
TT, DCC, NanoX-2017, TC8, ... http://masinky.info
Uživatelský avatar
BohousP
 
Příspěvky: 3068
Registrován: stř 12 kvě, 2010 9:17 am
Bydliště: Praha - Malešice

Re: Chystám se začít s DCC

Příspěvekod sidlo » sob 10 kvě, 2014 4:58 pm

Děkuji za odpovědi.
Podíval jsem se do manuálu dekodéru http://doehler-haass.de/cms/pages/downloads/fahrzeugdecoder.php a opravdu není žádného usměrňovače třeba. To mi zjednodušuje situaci.

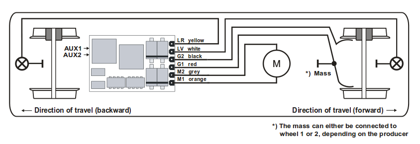
U motoru jsou dvě tlumivky a kondenzátor. Mám je nechat připojené na vývody M1, M2?
Přílohy
doehler-haass.png
Schéma zapojení dekodéru Doehler & Haass
Uživatelský avatar
sidlo
 
Příspěvky: 3862
Registrován: ned 27 dub, 2014 7:32 am

Re: DCC

Příspěvekod fulda » sob 10 kvě, 2014 5:19 pm

Tlumivky a kondenzátor se většinou zahazují.

Podívej se na dostupnější dekodéry, ta mašinka je celkem jednoduchá. Já s oblibou používám TENTO. Je na něm konektor na drátkách, takže když ho nepotřebuju, tak ho prostě ustřihnu.

Barvy drátků jsou normalizované, takže podle barev je to stejné.
Za pravopisné chyby v této zprávě může moje učitelka češtiny.
Uživatelský avatar
fulda
 
Příspěvky: 5357
Registrován: pon 09 srp, 2010 8:08 am
Bydliště: Praha - Uhříněves

Re: Chystám se začít s DCC

Příspěvekod sidlo » sob 10 kvě, 2014 6:41 pm

Tak se asi blížím finální specifikaci.
  • Zdroj -- seženu si.
  • MiniMaus - malý univerzální ovladač
  • Centrála NanoX-S88
    • příplatek a) - funkce F13 - F28 -- sice nevím k čemu to je dobré, ale asi jo
    • příplatek b) - to se mě netýká
    • příplatek c) - to se mě asi taky netýká
    • příplatek d) - displej -- zní to zajímavě, k čemu je to dobré?
  • dekodér LENZ

Otázky:
  • Je to funkční sestava pro začátek a použitelný základ pro další rozšiřování?
  • Honzíkovy vláčky a modely.biz jsou pouze zásilkové obchody nebo mají i svoji kamennou podobu?
Uživatelský avatar
sidlo
 
Příspěvky: 3862
Registrován: ned 27 dub, 2014 7:32 am

Re: DCC

Příspěvekod fulda » sob 10 kvě, 2014 7:19 pm

To je slušnej začátek.
Příplatek A se celkem hodí.
Display je taková celkem užitečná blbůstka, která ukazuje zatížení. Zelená OK, žlutá jezdí toho hodně, červená - jezdí toho kurevsky hodně.
Tady je obrázek:
Obrázek

modely.biz mají prodejnu v Řepích, ten lenz dekodér se dá koupit i jinde, třeba ben-zerba, marathon model, ... Je to celkem běžné zboží.
honzikovi vláčky prodejnu nemají, ale Honza připouští osobní odběr před barákem a nebo na burze v Opletalce.
Za pravopisné chyby v této zprávě může moje učitelka češtiny.
Uživatelský avatar
fulda
 
Příspěvky: 5357
Registrován: pon 09 srp, 2010 8:08 am
Bydliště: Praha - Uhříněves

Re: Centrála dodává až 3 A a průřez vodiče

Příspěvekod zdeno » ned 11 kvě, 2014 9:15 am

Edit moderátor : níže uvedený příspěvek je reakcí na příspěvky, vymazané na žádost autora těchto příspěvků !!

problem nejsou prurezy mm2, ale ubytky napeti !!!
To je dost velky problem velkych layoutu, ze soucet prechodovych a jinych odporu muze pri zkratu zrusit zkratovou ochranu. Teda, ze dodava tesne pod limit zkratove ochrany a tece tam treba 4A pri 15V = 60W a to je dost na vznik pozaru.
Proto se velke layouty testuji sroubovakem (minci) na zkrat, ci ochrany funguji.
Tento test doporucuji i na domacim kolejisti, kde treba prechodove spojky mezi pruty kolejiva maji realny odpor.
Uživatelský avatar
zdeno
 
Příspěvky: 3207
Registrován: pon 11 črc, 2011 8:54 am

Re: Chystám se začít s DCC

Příspěvekod miroslav lengyel » ned 11 kvě, 2014 12:17 pm

sidlo píše:Jo, chci začít pomalu, takže první krok pouze rozjet lokomotivu.
Start set Roco mi dnes v obchodě také nabídli, ale co dělat se soupravou a kolejemi, které se nehodí do mého záměru.

Tak se porozhlédni okolo,zda někdo nenabízí třeba něco takového:
http://inzerce.modelbazar.cz/inzeraty-notysek.php
Pokud budeš potřebovat trafo,tak pořídíš třeba zde:
http://www.bazarmodelovezeleznice.cz/ba ... 6V-AC-52-W
H0 II.epocha DRG+1souprava Würtenberg(startset)a pára K.P.E.V.ještě je nestihli přeznačit.
Uživatelský avatar
miroslav lengyel
 
Příspěvky: 3591
Registrován: sob 17 led, 2009 6:26 am
Bydliště: Ústí nad Labem

PředchozíDalší

Zpět na Začátečnické dotazy

Kdo je online

Uživatelé procházející toto fórum: Žádní registrovaní uživatelé a 1 návštěvník