Nedávno jsem doma našel velmi zubožené torzo červeného Malého Lega od firmy ETS které jsem před mnoha lety zakoupil přes inzerát, v naději, že si ho dám dohromady a bude mi dělat aspoň nějakou radost.V průběhu let jsem pokukoval po nějakém lépe zachovalém kusu, ale vzhledem k ceně a stavu některých nabízených kusů jsem se do toho moc nehrnul.Tak jsem se rozhodnul, že se ho pokusím vzkřísit do aspoň koukatelného stavu.
Nejprve něco z historie, co se mi zatím podařilo zjistit.Přibližně na začátku 90.let se do sortimentu firmy ETS dostal model dieselelektrické lokomotivy řady 704 (T234.0) a to v podobě dle červeného prototypu lokomotivy 704 001-7 z produkce ČKD tzv. Malé Lego.
Pak přibyla další barevná podoba a to modré Lego dle druhého prototypu ČKD představující průmyslovou variantu lokomotivy s označením T 238 0006.
V celkovém počtu vyrobených modelů převažují červené nad menší částí modrých.
Jako další barevné kombinace modelů se zkoušeli podle třetího vyrobeného prototypu z ČKD T 237 0001 černo-červená a nebo dle stejné lokomotivy z pozdějších měsíců žluto-oranžová kombinace a další tzv. „zebra“ která byla např. na T 211.0 exportovaných do Egypta.Tyto barevné kombinace se do prodeje nedostali .
Pár fotek a popis je také zde:
https://ets.napady.net/rubriky/ets-arch ... -rady-t234
Foto před sériového červeného kusu je v Návodu k obsluze z roku 1991,v katalogu z roku 1994 jsou fotky sériové produkce pod katalogovým číslem 110(červené) a 111(modré), od roku 1995 pod katalogovým číslem 111/112 červené a 113/114 modré. Katalogy po roce 2000 tyto modely již neuvádí.
Ještě někdy okolo roku 2016 se menší část skladových zásob modelů lokomotiv červeného Lega dostalo ještě do oběhu.
https://www.ets.cz/lokomotivy/dieselove ... -lego.html
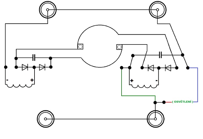
Pro úplnost uvedu nabízené katalogové varianty,které jsou shodná jak pro červené 111/112 tak modré Lego 113/114.
Typ 111 – dvoukolej,osvětlení , DC,změna směru jízdy přepolováním
111S – dvoukolej,osvětlení, zvuk motoru,DC,změna směru jízdy přepolováním
111/3 – tříkolej,osvětlení,DC, vysoký nákolek,změna směru jízdy přepolováním
111/3S – tříkolej,osvětlení, zvuk motoru, DC, vysoký nákolek, změna směru jízdy přepolováním
111/3AC-0 – tříkolej,osvětlení,AC, vysoký nákolek,změna směru jízdy zastavením pomocí elektronického přepínače (jiná varianta byla vybavená graerzovým
můstkem a páčkovým přepínačem umístěným v otvoru místo dálkového reflektoru pod střechou kabiny kterým se přepínal směr jízdy)
111/3AC-1 - tříkolej,osvětlení,AC,vysoký nákolek,změna směru jízdy přepětím pomocí elektronického přepínače (impuls asi 20V)
112 – Dvoukolej, DC,osvětlení,zvuk motoru,s možností houkání na povel z napáječe (další možnost byla výměna celého pohonu s koly s vysokým nákolkem a sběračem pro tříkolej )
Ještě uvedu různé barevné odstíny a kombinace kterých jsem si povšiml při procházení např. inzerce nebo hledání v propagačních materiálech apod.
Červené Lego 704 001-7 : podvozek bez potisku buď šedá/zelenomodrá nebo šedá/šedá (a to světlé nebo tmavé) v pozdějších letech se objevují modely s potiskem z modrého Lega, kapoty a kabina tmavě nebo světle červená, střecha šedá později černá
Modré Lego T 238 0006 : podvozek s potiskem šedý, kapoty a kabina tmavě nebo světle modrá, střecha šedá nebo černá
Tak to je z historie prozatím vše, kdyby někdo věděl více budu rád za jakékoliv doplnění.
Ještě než se vrhnu na renovaci, zjistil jsem že mi chybí červená maska na kapotu, neměl by jí někdo navíc doma?? Díky příp.přes SZ
