AT+ ESP01

Software pro železniční modelářství, simulátory, ovládání, plánování....

Moderátoři: Michal Dalecký, Jarda H.

Re: at+ ESP01

Příspěvekod zdeno » sob 17 zář, 2022 8:35 am

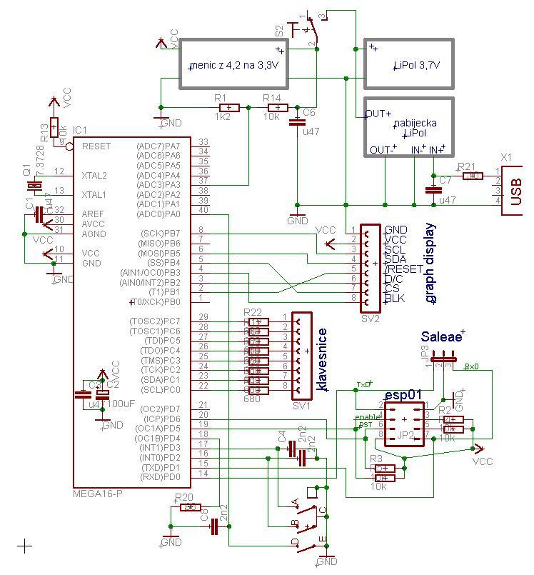
chtel bych se zeptat znalych kolegu,
ci takto zapojena LiPol , nabijecka LiPol a menic napětí s vypinacen jsou spravně ?

lipol.JPG
Uživatelský avatar
zdeno
 
Příspěvky: 3207
Registrován: pon 11 črc, 2011 8:54 am

Re: at+ ESP01

Příspěvekod BohousP » sob 17 zář, 2022 9:39 am

Některé nabíječky LiPol mají tři dvojice pinů: vstup (obvykle z USB, ale i oddělené), BAT+ a BAT-, OUT+ a OUT-.
LiPol se pak logicky připojuje na BAT . OUT je výstup energie do spotřebiče, obvykle s ochranou proti nadproudu a podvybití. Teda tam by následoval step-down na 3.3V. Podívej se na svou desku a dokumentaci k ní. Z obecné značky ve schématu to nepoznám.
Dodatek: podle fotky o stránku dříve tvůj obvod nemá výstupní ochranu. Pak je schéma správně, ale výstupní svorky nejsou na desce označeny OUT ale BAT.
Naposledy upravil BohousP dne sob 17 zář, 2022 9:43 am, celkově upraveno 1
TT, DCC, NanoX-2017, TC8, ... http://masinky.info
Uživatelský avatar
BohousP
 
Příspěvky: 3067
Registrován: stř 12 kvě, 2010 9:17 am
Bydliště: Praha - Malešice

Re: at+ ESP01

Příspěvekod zdeno » sob 17 zář, 2022 9:43 am

pochopil jsem, dakujem.
Uživatelský avatar
zdeno
 
Příspěvky: 3207
Registrován: pon 11 črc, 2011 8:54 am

Re: at+ ESP01

Příspěvekod HonzaM » čtv 22 zář, 2022 3:42 pm

Neuvažoval jsi o použití protokolu WIThrottle, stejně jako používá například FREMO wiFRED? Pak by mohl být Tvůj ovladač použitelný s centrálou disponující tímto protokolem, případně s použitím Uhlenbrock LocoNet USB und WLAN interface.
FREMO, Zababov N-scale
http://www.1ku160.cz
HonzaM
 
Příspěvky: 4532
Registrován: úte 05 úno, 2013 9:01 am
Bydliště: Praha

Re: at+ ESP01

Příspěvekod zdeno » čtv 22 zář, 2022 7:06 pm

HonzaM píše:Neuvažoval jsi o použití protokolu WIThrottle, stejně jako používá například FREMO wiFRED? Pak by mohl být Tvůj ovladač použitelný s centrálou disponující tímto protokolem, případně s použitím Uhlenbrock LocoNet USB und WLAN interface.

uvazoval, ale nejak jsem nepochopil, jak to funguje. Viz predchozi prispevky v tomto vlaknu.
Dokazem se na server prihlasit, ale server neodpovida. Respektive mne ma na haku, to je presnejsi popis.
Jinak pouzivat WEB na komunikaci pripada mi byt jako drbani se nohou za levym uchem, lepsi je prima komunikace pres Loconet.
Uživatelský avatar
zdeno
 
Příspěvky: 3207
Registrován: pon 11 črc, 2011 8:54 am

Re: at+ ESP01

Příspěvekod HonzaM » pát 23 zář, 2022 5:03 am

zdeno píše:
HonzaM píše:Neuvažoval jsi o použití protokolu WIThrottle, stejně jako používá například FREMO wiFRED? Pak by mohl být Tvůj ovladač použitelný s centrálou disponující tímto protokolem, případně s použitím Uhlenbrock LocoNet USB und WLAN interface.

uvazoval, ale nejak jsem nepochopil, jak to funguje. Viz predchozi prispevky v tomto vlaknu.
Dokazem se na server prihlasit, ale server neodpovida. Respektive mne ma na haku, to je presnejsi popis.
Jinak pouzivat WEB na komunikaci pripada mi byt jako drbani se nohou za levym uchem, lepsi je prima komunikace pres Loconet.

Pokud jsem správně pochopil, WLAN interface se připojí k centrále přes LocoNet. Ale zatím nemám bližší informace. To by bylo ideální, na setkání by bylo možné aby u sítě kde se používají FREDy šlo připojit i bezdrátové. Ale zatím nevím jestli to tak funguje.
FREMO, Zababov N-scale
http://www.1ku160.cz
HonzaM
 
Příspěvky: 4532
Registrován: úte 05 úno, 2013 9:01 am
Bydliště: Praha

Re: at+ ESP01

Příspěvekod zdeno » pát 23 zář, 2022 5:42 am

HonzaM píše: Ale zatím nevím jestli to tak funguje.

Ono je nas asi vic, co to nechapu, jak to funguje. :)
V naproste vetsine to funguje pres JMRI, ktere to posilaji pres rozhrani do centraly.
Tento zpusob pokladam za nestastnu volbu, ale to je jen muj nazor.
Uživatelský avatar
zdeno
 
Příspěvky: 3207
Registrován: pon 11 črc, 2011 8:54 am

Re: at+ ESP01

Příspěvekod HonzaM » pát 23 zář, 2022 8:02 am

zdeno píše:
HonzaM píše: Ale zatím nevím jestli to tak funguje.

Ono je nas asi vic, co to nechapu, jak to funguje. :)
V naproste vetsine to funguje pres JMRI, ktere to posilaji pres rozhrani do centraly.
Tento zpusob pokladam za nestastnu volbu, ale to je jen muj nazor.

Ten interface by se mi hodil, má to být interface LocoNet -> USB + WLAN, mám totiž centrálu Digitrax která nemá ani USB. Navíc má ten WLAN pro WiThrottle i Z21 bez nutnosti přepínání protokolu.
Můj názor je, že by bylo lepší aby tvůj dekodér používal WiThrottle než potřeboval vlastní router.
wiFRED používá USB C.
Zjistil jsem, že i Digitrax nabízí interface LocoNet - wifi: http://case-hobbies.de/LNWI-LocoNet-WiFi-Interface/en. Na rozdíl od tebe si zjevně nemyslí, že je to nevhodné.
FREMO, Zababov N-scale
http://www.1ku160.cz
HonzaM
 
Příspěvky: 4532
Registrován: úte 05 úno, 2013 9:01 am
Bydliště: Praha

Re: at+ ESP01

Příspěvekod zdeno » pát 23 zář, 2022 8:51 am

HonzaM píše:Můj názor je, že by bylo lepší aby tvůj dekodér používal WiThrottle než potřeboval vlastní router.

kazdy z nas muze vyskakovat jen do vysky svych znalosti a toho, co dokaze.
Nemam problem priznat, ze nedokazem odchytit komunikaci mezi JMRI a EngineDriver v ovladaci.
To co poskytuje sniffer v JMRI je naprosto nedostacujici.
Uživatelský avatar
zdeno
 
Příspěvky: 3207
Registrován: pon 11 črc, 2011 8:54 am

Re: at+ ESP01

Příspěvekod zdeno » pát 23 zář, 2022 8:56 am

HonzaM píše:Zjistil jsem, že i Digitrax nabízí interface LocoNet - wifi: http://case-hobbies.de/LNWI-LocoNet-WiFi-Interface/en. Na rozdíl od tebe si zjevně nemyslí, že je to nevhodné.

vsak ti nebranim si to koupit :D :D
Uživatelský avatar
zdeno
 
Příspěvky: 3207
Registrován: pon 11 črc, 2011 8:54 am

Re: at+ ESP01

Příspěvekod Zdenek Valter » pát 23 zář, 2022 9:00 am

HonzaM píše:
zdeno píše:
HonzaM píše: Ale zatím nevím jestli to tak funguje.

Ono je nas asi vic, co to nechapu, jak to funguje. :)
V naproste vetsine to funguje pres JMRI, ktere to posilaji pres rozhrani do centraly.
Tento zpusob pokladam za nestastnu volbu, ale to je jen muj nazor.

Ten interface by se mi hodil, má to být interface LocoNet -> USB + WLAN, mám totiž centrálu Digitrax která nemá ani USB. Navíc má ten WLAN pro WiThrottle i Z21 bez nutnosti přepínání protokolu.
Můj názor je, že by bylo lepší aby tvůj dekodér používal WiThrottle než potřeboval vlastní router.
wiFRED používá USB C.

To asi ne - USB C je typ rozhraní USB. na wiFred slouží k nabíjení, a možná i k nastavení (zatím jsem to ještě nestudoval).
HonzaM píše:Zjistil jsem, že i Digitrax nabízí interface LocoNet - wifi: http://case-hobbies.de/LNWI-LocoNet-WiFi-Interface/en. Na rozdíl od tebe si zjevně nemyslí, že je to nevhodné.

Díky za odkaz.
Zdenek Valter
 
Příspěvky: 3389
Registrován: pon 09 říj, 2006 2:38 pm
Bydliště: Ústí n.L.

Re: at+ ESP01

Příspěvekod HonzaM » pát 23 zář, 2022 9:30 am

Zdenek Valter píše:To asi ne - USB C je typ rozhraní USB. na wiFred slouží k nabíjení, a možná i k nastavení (zatím jsem to ještě nestudoval).
HonzaM píše:Zjistil jsem, že i Digitrax nabízí interface LocoNet - wifi: http://case-hobbies.de/LNWI-LocoNet-WiFi-Interface/en. Na rozdíl od tebe si zjevně nemyslí, že je to nevhodné.

Díky za odkaz.

To samozřejmě vím, že USB C slouží k nabíjení wiFRED.
Ten Digitrax asi bude poskytovat jen WiThrottle, zajímal by mne spíš ten Uhlenbrock, protože má umět WiThrottle i Z21 současně, takže je možné používat wiFRED a Roco WLANmaus, a případně i ESU CabControl
wiFRED už máš?
FREMO, Zababov N-scale
http://www.1ku160.cz
HonzaM
 
Příspěvky: 4532
Registrován: úte 05 úno, 2013 9:01 am
Bydliště: Praha

Re: at+ ESP01

Příspěvekod HonzaM » pát 23 zář, 2022 11:17 am

zdeno píše:uvazoval, ale nejak jsem nepochopil, jak to funguje. Viz predchozi prispevky v tomto vlaknu.
Dokazem se na server prihlasit, ale server neodpovida. Respektive mne ma na haku, to je presnejsi popis.

Tam jsi se ovšem nezabýval WiThrottle, ale Engine driver.
FREMO, Zababov N-scale
http://www.1ku160.cz
HonzaM
 
Příspěvky: 4532
Registrován: úte 05 úno, 2013 9:01 am
Bydliště: Praha

Re: at+ ESP01

Příspěvekod Zdenek Valter » pát 23 zář, 2022 11:30 am

HonzaM píše:
Zdenek Valter píše:To asi ne - USB C je typ rozhraní USB. na wiFred slouží k nabíjení, a možná i k nastavení (zatím jsem to ještě nestudoval).
HonzaM píše:Zjistil jsem, že i Digitrax nabízí interface LocoNet - wifi: http://case-hobbies.de/LNWI-LocoNet-WiFi-Interface/en. Na rozdíl od tebe si zjevně nemyslí, že je to nevhodné.

Díky za odkaz.

To samozřejmě vím, že USB C slouží k nabíjení wiFRED.
Ten Digitrax asi bude poskytovat jen WiThrottle, zajímal by mne spíš ten Uhlenbrock, protože má umět WiThrottle i Z21 současně, takže je možné používat wiFRED a Roco WLANmaus, a případně i ESU CabControl
wiFRED už máš?

Mám slíbený plošňák.
Zdenek Valter
 
Příspěvky: 3389
Registrován: pon 09 říj, 2006 2:38 pm
Bydliště: Ústí n.L.

Re: at+ ESP01

Příspěvekod HonzaM » pát 23 zář, 2022 12:47 pm

Zdenek Valter píše:
HonzaM píše:wiFRED už máš?

Mám slíbený plošňák.

Tak na to jsem zvědav. S jakou centrálou to budeš zkoušet?
FREMO, Zababov N-scale
http://www.1ku160.cz
HonzaM
 
Příspěvky: 4532
Registrován: úte 05 úno, 2013 9:01 am
Bydliště: Praha

PředchozíDalší

Zpět na Software

Kdo je online

Uživatelé procházející toto fórum: Žádní registrovaní uživatelé a 1 návštěvník