714 020-5 ČD v H0 od MTB Model

Specializované fórum pouze pro příznivce velikosti H0 (1:87).

Moderátor: Michal Dalecký

Re: 714 020-5 ČD v H0 od MTB Model

Příspěvekod jipol57 » čtv 15 zář, 2022 3:35 pm

Michal Dalecký píše:Ještě mě teď napadlo při ozvučování modelu, že by možná nebylo třeba ten malý plošák letovat k tomu velkému, ale malý jen přišroubovat k rámu a velkou desku k němu jen přiložit a dotáhnout vrutem aby se plochy jen dotýkaly. Pak není problém tu desku kdykoliv sejmout. Případně na velkou desku naletovat pružné kontakty. Tohle myslím že bude asi fungovat :) Letují se pak jen ty pásky od osvětlení. Teď tedy nechápu proč to takhle neudělali u MTB.

Takhle to asi bylo od projektanta myšleno. Oddělené desky, aby se nemusely opakovaně pájet ty pásky, při rozebírání, pro přístup k motoru. A možná bude stačit v místě kontaktu, jen cínové bobky, a pružit bude celá deska.
jipol57
 
Příspěvky: 1615
Registrován: pát 06 dub, 2018 5:18 pm

Re: 714 020-5 ČD v H0 od MTB Model

Příspěvekod Michal Dalecký » čtv 15 zář, 2022 4:08 pm

"Bobek" je na male desce a na velke ne. Uf kdyby byl u modelu přiložený návod na montáž osvětlení tak by to bylo jednodušší.........
:: H0, DCC, III-IV :: http://www.ambmodely.cz :: http://diskuze.modely.biz
Uživatelský avatar
Michal Dalecký
 
Příspěvky: 1889
Registrován: pát 23 lis, 2007 8:50 pm
Bydliště: Praha 6

Re: 714 020-5 ČD v H0 od MTB Model

Příspěvekod vvitty » čtv 15 zář, 2022 4:45 pm

Michal Dalecký píše:Ještě mě teď napadlo při ozvučování modelu, že by možná nebylo třeba ten malý plošák letovat k tomu velkému, ale malý jen přišroubovat k rámu a velkou desku k němu jen přiložit a dotáhnout vrutem aby se plochy jen dotýkaly. Pak není problém tu desku kdykoliv sejmout. Případně na velkou desku naletovat pružné kontakty. Tohle myslím že bude asi fungovat :) Letují se pak jen ty pásky od osvětlení. Teď tedy nechápu proč to takhle neudělali u MTB.


Takhle to sice bylo zamysleno ale bude to vypadat pouzitelne jen do doby nez tam date kastli.
Kdyz to zakaznikum osvetluji tak jsem to taky chtel nejdriv udelat takhle a pak jsem zjistil ze mi to zvedne plosnak a LED hlavniho reflektoru se dostanou prilis vysoko - budou nad svetlovody na jedne strane. Jedine spravne naladit "vysku" cinu na pajeci plosce...
Stavebnice, díly, nářadí pro modeláře, - [url]https://www.pojezdy.eu/eshop[/url]
vvitty
 
Příspěvky: 2855
Registrován: pát 28 pro, 2007 7:11 pm
Bydliště: Praha

Re: 714 020-5 ČD v H0 od MTB Model

Příspěvekod vvitty » čtv 15 zář, 2022 4:48 pm

jipol57 píše:...Ale myslím si, že pájení pásky k desce, není šťastné řešení. Už vzhledem k tomu, kdyby mělo časem dojít k nějaké opravě, a deska musela ven, tak pásky nejsou vhodné pro opakované pájení. Měli tam dát páskové konektory, jako bývají v IT komponentech. Asi by se to prodražilo.


Tech par pajeni ktere model pri provozu potrebuje kvuli servisu to prezije bez problemu.
Konektory maji nekolik problemu - cena, cena, potrebny prostor, roztec pinu a z toho vyplyvajici komplikace pri vyrobe.
Stavebnice, díly, nářadí pro modeláře, - [url]https://www.pojezdy.eu/eshop[/url]
vvitty
 
Příspěvky: 2855
Registrován: pát 28 pro, 2007 7:11 pm
Bydliště: Praha

Re: 714 020-5 ČD v H0 od MTB Model

Příspěvekod Michal Dalecký » pát 16 zář, 2022 6:12 am

Co na plošky s cínem naletovat jemný pružný plíšek? A výšku cínu zredukovat na minimum?
:: H0, DCC, III-IV :: http://www.ambmodely.cz :: http://diskuze.modely.biz
Uživatelský avatar
Michal Dalecký
 
Příspěvky: 1889
Registrován: pát 23 lis, 2007 8:50 pm
Bydliště: Praha 6

Re: 714 020-5 ČD v H0 od MTB Model

Příspěvekod vvitty » pát 16 zář, 2022 9:14 am

Ja to normalne pajim dohromady. Teoreticky by to stacilo pajet na te strane kde LED maji svitit dopredu, na druhe sviti nahoru a tam to asi klidne muze spolehat na pritlak dany kulickou cinu - akorat nesmi byt moc velka.
Stavebnice, díly, nářadí pro modeláře, - [url]https://www.pojezdy.eu/eshop[/url]
vvitty
 
Příspěvky: 2855
Registrován: pát 28 pro, 2007 7:11 pm
Bydliště: Praha

Re: 714 020-5 ČD v H0 od MTB Model

Příspěvekod jipol57 » pon 19 zář, 2022 7:52 pm

Od pátku jsem taky majitelem, ale při mé smůle jsem zastrčil dekodér, na nic nereagoval a po chvilce se z něj začalo kouřit. Nechápal jsem. Nic jsem špatně neudělal. Prohlédl jsem celou desku a nic špatného jsem na ní nenašel. Tak zkoušky musely počkat, a dnes jsem dostal dekodér jiný a ten už nehoří a funguje. Prodejce mě ujistil, že se to občas stane, i u nového.
Hned jsem zapojil pozičky. Doporučuji desky k sobě NEPÁJET! Na předchystaném pocínování na hlavní desce, jsem odsál cín, aby se to tolik nezvedalo. Nechal jsem jen trochu. A aby plošky na sebe dosedaly, tak jsem pod šroubky, co mají držet malé destičky, dal podložky 2mm. A sešrouboval společně s hlavní deskou. Dodané šroubečky, jsou taky trochu delší, jako by se s tím počítalo. Tím na sebe desky přilehnou, zkontaktují se, a dotažením šroubků doladím ledky reflektorů ke kastli, jak se o tom zmínil vvitty. Podložky by byly lepší plastové, ale já jsem použil kovové, a vyhladil jsem je, aby se neprotlačily přes izolační lak na desce.
Takhle se dá hlavní deska odejmou, a malé se jen odklopí, i kdybych se chtěl dostat pod závaží k podvozkům. Nemusí se pásky k pozičkám už nikdy znovu pájet.
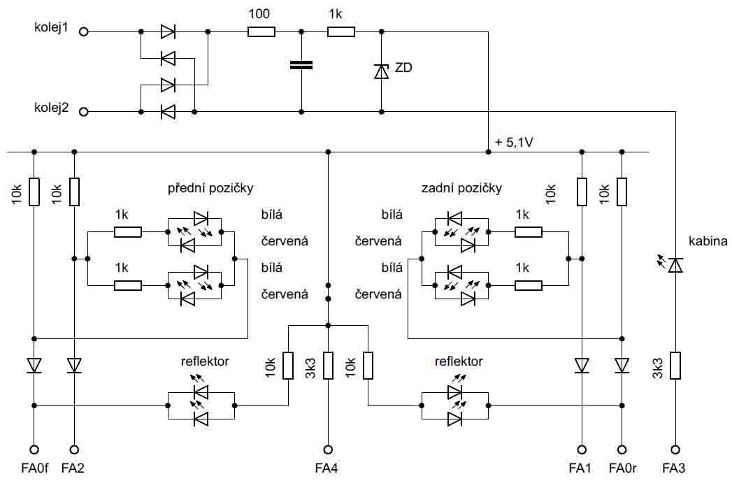
Když jsem studoval desku, jestli je v pořádku, když shořel dekodér, tak jsem si namaloval schéma. (bez záruky)
MTB714.jpg

Ještě CVčka:
CV 29,15 - jak býbá zvykem u MTB, neví, kde je předek a zadek lokomotivy.
CV 33,1
CV 34,2
CV 35,12
CV 36,32
CV 37,3
CV 43,16 - světlo v kabině, já si dávám na F9. Může být kdekoliv jak je libo.
CV 61,96
CV 124,+128 - cokoliv původního +128, zrušení SUSI
CV 127,2 - směrová závislost konců
CV 128,1
CV 430,3 - při posunu F3, zhasne reflektory a konce. Jedna pozička do kříže v V. epoše už není
CV 431,0
CV 432,196
CV 433,194
CV 434,196
CV 435,193

Snad jsem to sem opsal dobře.
Světlo v kabině mně trochu prosvěcuje při použití bílých i červených poziček. Na F9 se rozsvítí naplno. Je to asi divným zapojením ledky, jak to MTBáci vymysleli. Viz to schéma.

EDIT: ještě jsem si vzpomněl. Jak je doporučeno, v přiloženém letáku, tak jsem přerušil plus přívod k reflektorům. Ve schématu jsem to místo označil dvěma puntíky. Sníží se tím mírně intenzita svícení, ale dají se reflektory ovládat F2.
Přerušení provádím na desce efektně. Jehlou si naznačím důlek, přesně na vodiči, kde ho chci přerušit, a v tom místě pak vrtáčkem 0,8mm ručně odvrtám důlek, a tím se spoj přeruší. Nepůsobí to blbě jako nějaké rýhy.
jipol57
 
Příspěvky: 1615
Registrován: pát 06 dub, 2018 5:18 pm

Re: 714 020-5 ČD v H0 od MTB Model

Příspěvekod look23 » pon 19 zář, 2022 8:36 pm

jipol57 píše:CV 29,15 - jak býbá zvykem u MTB, neví, kde je předek a zadek lokomotivy.

Podle tvého výkresu to vychází, že když je FA0f/FA0r aktivní, tak je přizemněný. Proto to nesvítí správně.
Podle mě mělo MTB prohodit zapojení FA0f a FA0r.
H0, ČSD epocha IV, V - z21+MM
look23
 
Příspěvky: 1275
Registrován: ned 17 lis, 2013 2:20 pm

Re: 714 020-5 ČD v H0 od MTB Model

Příspěvekod jipol57 » pon 19 zář, 2022 8:50 pm

Nejde o svícení, ale o jízdu. Světla se vždycky přizpůsobí.
Když otočím na MM doprava, mělo by to jet dopředu. U parních je to komínem dopředu.
Tj. Bardotka, Brejlovec, má chladící články vzadu. U Pielsticku a Krávy je předek na delším představku. Tyhle loko od MTB, když otočím doprava, tak jedou dozadu. Proto na všech těchto dávám Bit0 = 1.
Kocoura a Hektora mají asi dobře.
jipol57
 
Příspěvky: 1615
Registrován: pát 06 dub, 2018 5:18 pm

Re: 714 020-5 ČD v H0 od MTB Model

Příspěvekod vvitty » pon 19 zář, 2022 9:43 pm

Podlozky nedavam. Pouzivam rovnou kratsi sroubky.
Stavebnice, díly, nářadí pro modeláře, - [url]https://www.pojezdy.eu/eshop[/url]
vvitty
 
Příspěvky: 2855
Registrován: pát 28 pro, 2007 7:11 pm
Bydliště: Praha

Re: 714 020-5 ČD v H0 od MTB Model

Příspěvekod jipol57 » úte 20 zář, 2022 12:23 pm

Ty podložky jsem tam dal, aby přimáčkly tu hlavní horní desku ke spodním, a dosedly na sebe. Zároveň tím reguluji výšku reflektorových ledek vůči světlovodům.
jipol57
 
Příspěvky: 1615
Registrován: pát 06 dub, 2018 5:18 pm

Re: 714 020-5 ČD v H0 od MTB Model

Příspěvekod jipol57 » úte 20 zář, 2022 5:36 pm

Přiložím foto. Jistě by byla podložka lepší plastová. Časem ji asi vyměním, až seženu, nebo vyrobím.
MTB714b.jpg
MTB714b.jpg (26.86 KiB) Zobrazeno 5433 krát

A takhle lze malé destičky odklopit, kdybych se chtěl dostat k podvozkům.
MTB714a.jpg
MTB714a.jpg (21.81 KiB) Zobrazeno 5433 krát


Ještě by mohla být změna v CVčkách. Dnešní trojbodové svícení. Reflektor tlumený + 2 spodní bílé.
CV 33, 33
CV 34, 34
To se to shoduje :P . Reflektor se rozsvítí vždycky s bílými předními. Při posunu F3 samozřejmě zhasne. F2 pak nemá význam. Kdyby bylo více výstupů v konektoru dekodéru, tak by se do přerušeného místa mohl vřadit tranzistor, a reflektor by se mohl rozsvítit naplno. Bohužel není, a tahat samostatně drátek z dekoderu se mně nechce.
Taky jsem zkoušel něco udělat s tím prosvěcování ledky v kabině. Když se setmí, tak už je to vidět. Zatím bez výsledku. Možná by pomohlo vzít mínus z dekodéru (je vyvedený v konektoru), místo z můstku v hlavní desce. (viz moje schema výše)

Edit: doplněno "reflektor tlumený" :D
Naposledy upravil jipol57 dne stř 21 zář, 2022 10:40 am, celkově upraveno 1
jipol57
 
Příspěvky: 1615
Registrován: pát 06 dub, 2018 5:18 pm

Re: 714 020-5 ČD v H0 od MTB Model

Příspěvekod look23 » úte 20 zář, 2022 10:02 pm

Jen pozor na to, že 714tky z "výroby" trojbodové svícení neměly. Obzvlášť ne řada 714.0 s kulatými dálkovými reflektory.
H0, ČSD epocha IV, V - z21+MM
look23
 
Příspěvky: 1275
Registrován: ned 17 lis, 2013 2:20 pm

Re: 714 020-5 ČD v H0 od MTB Model

Příspěvekod jipol57 » stř 21 zář, 2022 9:52 am

Mám dojem, že tlumený reflektor ano. Žárovky přes odpory. Jen ne nastavení čela vlaku, jak je to dnes, ale každá žárovka se zapíná samostatně, pozičky samostatně stylem červená - vyp - bílá, a reflektor s pěti polohami, přední zadní, včetně tlumených. Takže trojbodové svícení by mělo jít nastavit.
Tak to jde vlastně na všem starém, protože tlumený reflektor vždycky býval standardem.
Až dnes po reko, dávají reflektory dolů, a něco ledkového, místo původního reflektoru nahoře.
jipol57
 
Příspěvky: 1615
Registrován: pát 06 dub, 2018 5:18 pm

Re: 714 020-5 ČD v H0 od MTB Model

Příspěvekod jipol57 » stř 21 zář, 2022 2:32 pm

Podařilo se mně odstranit to prosvěcování ledky v kabině. Jak jsem předpokládal, napěťové potencionály se se zatížením pozičními světly lišily, a mínus na hlavní desce byl mínusovější, než v dekodéru. Tím pádem se ledka samovolně rozsvěcovala, spolu s pozičkami.
Přerušil jsem spoj co vedl k mínusu usměrňovače na hlavní desce a připojil k mínusu v dekodéru, který je do konektoru vyvedený.
MTB714uprs.jpg
MTB714uprs.jpg (31.16 KiB) Zobrazeno 5099 krát
MTB714upr.jpg
MTB714upr.jpg (36.09 KiB) Zobrazeno 5099 krát

Jinak jsem s loko spokojený. Neuvěřitelně tichý chod, a dobré jízdní vlastnosti. A že si musím něco dodělat? Od toho jsem modelář, a není to televize, od které jen očekávám, že se na ni budu dívat.
jipol57
 
Příspěvky: 1615
Registrován: pát 06 dub, 2018 5:18 pm

PředchozíDalší

Zpět na Velikost H0 (komunita H0)

Kdo je online

Uživatelé procházející toto fórum: Žádní registrovaní uživatelé a 1 návštěvník