Zlámalík: Děkuji za poklonu. Kolem modelařiny se motám cca 25 let. Byl jsem dlouhé roky členem místního klubu železničních modelářů, i nadále jsem s tou partou v kontaktu, lecčemu jsem se tam přiučil a mohl si osahat, vidět. Jak říká kolega z práce - technik se učí očima. Připouštím, že toto je můj první velký počin a spousta věcí se tam nepovedla, byť jsem se samotnému projektu před zahájením stavby věnoval velmi dlouho. Řekl bych, že je to dokonce otázka cca tří, čtyř let. A dnes bych spoustu věcí udělal jinak, než před téměř dvěma lety, kdy jsem začal stavět. Preciznost je řekl bych má silná stránka

Raději 100x měřím a jednou řežu a i zdánlivé prkotiny důkladně promýšlím...
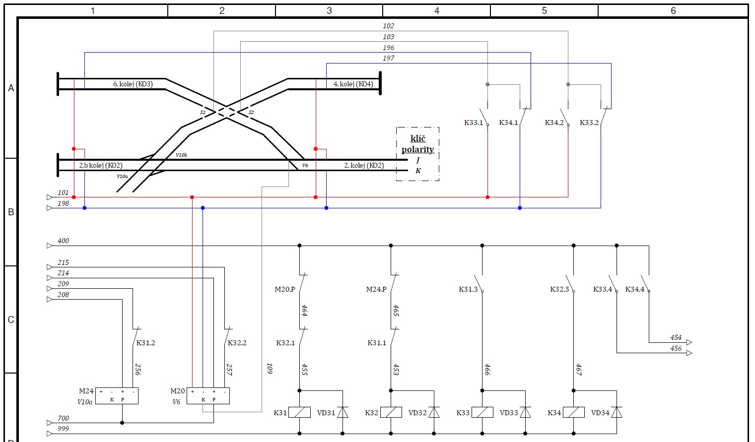
K otázce... Zde je schéma zapojení kolejových obvodů na viditelné části dílu A:

Dlouho jsem přemýšlel nad tím, jak to zapojit. Když jsem zjistil, že zvukové dekodéry neumí v podstatě jezdit výběhem, ztratilo to pro mě kouzlo a nepočítám s žádným ozvučeným modelem. Jet z kopce po ozubnici s manipulákem dolů s mašinou ve výkonu je zvěrstvo. Toto mi značně ulehčilo rozhodování v tom, jak koleje u kříže zapojit. Kolej 4. je sklad, 6. rampa (pila). Nakonec jsem zvolil řešení, kdy pomocné kontakty přestavníků výhybek číslo 6 (k rampě) a 10b (na sklad) sepnou příslušné trakční relé. Tahle relé jsou mezi sebou křížem blokovaná klidovým kontaktem. Zároveň sepne-li relé pro jízdu k rampě, odpojí povel pro přestavník výhybky na sklad do této polohy a opačně. Pak kontakty relé propojí napájení srdcovek kříže a ve výkresu spodní kolejnici příslušné koleje (zapojenou modrým vodičem, ve schématu označené čísly 196 a 197). A zbyl ještě jeden kontakt, na který jsem zapojil odezvu do pultu - napájení kontrolky v kolejovém reliéfu. Této kontrolce říkám "souhlas trakce". Abych na první pohled viděl, že mam trakční relé sepnuté. A ano, je zde možnost přestavit přepínačem současně obě výhybky. Pult ještě nemám, ale snad do měsíce mi ho kamarád vyrobí. Bude dělaný na míru... Takže následující teorii nemám vyzkoušenou, ale dospěl jsem k tomu praktickými zkušenostmi. V tu chvíli pak sepne relé té koleje, která bude mít rychlejší přestavník. Tím zablokuje povel pro přestavení té druhé výhybky, ale nezablokuje povel pro její návrat do odvratné polohy, tj. mimo kříž. Snad jsem to popsal srozumitelně... Čili, pokud nebude ani jedna výhybka do kříže postavená, budou obě koleje odpojené, bez napětí na kolejnici polarity "K". Při jízdě přes kříž je ta sousední odpojená schválně, abych nemohl nechtěně odjet s model stojícím na sousední koleji do srdcovky kříže a nezpůsobil tím zkrat. Jelikož nebudu používat zvukové dekodéry, dojde pouze ke zhasnutí světel loko. Ale u těchto kolejí příliš nepočítám, že zde budu odstavovat lokomotivy, takže to vlastně ani nevadí. Snad jsem odpověděl dostatečným způsobem
