Pokud budeš mít návěstidlo u každé koleje, už potřebuješ závislost na pojížděných výhybkách. Ve skutečnosti se to řeší v nejjednodušším případě klíčovou závislostí, např. ústředním zámkem (ÚZ). Každá výhybka má dva klíče (přímo/odbočka) a každé návěstidlo má pak výsledný klíč, který jde vyjmout z ÚZ, jen když jsou tam uzamčeny všechny klíče od výhybek v jízdní cestě. A jen ten jeden klíč pak jde zamknout v panelu návěstidel a to pak postavit na "volno".
V modelu se tohle samozřejmě řeší elektricky. Tudíž už to bude drátařina.
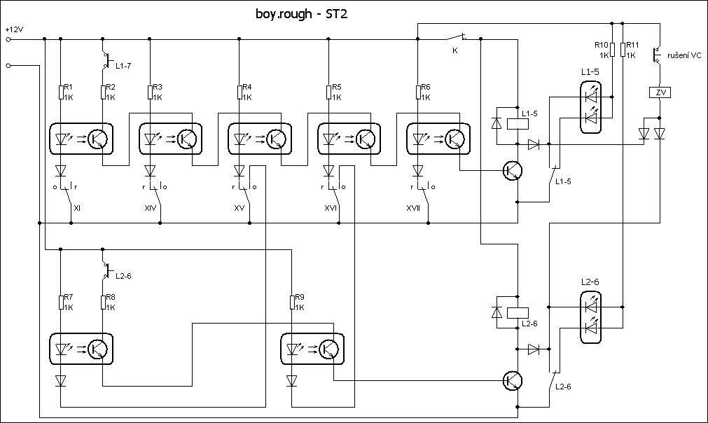
Na obrázku jsem se pokusil navrhnout zabezpečovací zařízení pro 2 skupinová odjezdová návěstidla (L1-5, L2-6) na "druhém" zhlaví (stavědlo II, tam co nejsou "angličani"). Skládá se ze 7 optočlenů (á 2,50 Kč

- zajištění závislosti výhybek na návěstidlech), 3 tlačítek (přestavení návěstidel na "Volno" + rušení závěru výměn), 4 relé (2 pro návěstidla, 1 pro přestavení návěstidel na "Stůj", čtvrté relé závoruje výměny při přestavení návěstidla na "Volno"), 2 tranzistorů (zesilovače pro relé) a několika odporů a diod. Optočleny jsou zapojeny stranou diod na zpětné hlášení přestavníků a spínají jen tehdy, pokud je výhybka v odpovídající poloze. Pokud nejsou sepnuté všechny, nelze přestavit návěstidlo. Relé mají jeden přepínací kontakt. Celková cena zapojení je asi 200,- Kč.
Návěstidlo L1-5 je závislé na výhybkách IX, XIV, XV, XVI a XVII. Výhybka IX musí být pro jízdu vlaku v základní poloze (tj. na kolej 5 - podmínka zabezpečení vlakové cesty proti ohrožení z boku, je-li kolej 7 manipulační), výhybky XIV a XVI pak v poloze přímo. Výhybky XV a XVII jsou odvratné výhybky, opět zabezpečující vlakovou cestu proti ohrožení z boku. Takže návěstidlo L1-5 lze postavit na "Volno" jen za těchto podmínek.
Návěstidlo L2-6 je závislé jen na výhybkách XV a XVI, které musejí být pro jízdu vlaku "do odbočky". V této kolejové skupině nejsou manipulační koleje, tudíž není zapotřebí zahrnovat do závislosti další výhybky.
Závěr výměn se ruší ručně stiskem rozpínacího tlačítka poté, co vlak opustil zhlaví. Lze samozřejmě udělat i samočinně (jako na elektromechanice) pomocí detektoru obsazení (celé zhlaví je jeden izolovaný úsek), který drží relé sepnuté i potom, co návěstidlo spadne na "Stůj".
Přidáním závislosti L1-5 na výhybce XII lze realizovat rychlostní návěstní soustavu. Návěstidlo L2-6 v tom případě bude vždy ukazovat pro jízdu vlaku "Rychlost 40 km/h a volno" (odjíždí se vždy "do odbočky"). Návěstidla lze realizovat i jako sloučená (návěst "posun dovolen" návěstí pak červeným a klidným bílým světlem = nezabezpečený posun).
Pokud je tu někdo přes zabezpečovací zařízení, snad mi odpustí případné drobné nepřesnosti.
