Zkusím navrhnout trochu jiný pohled na věc.
V první řadě nepovažuji každého, kdo se zde na něco zeptá, za blbce. V druhé řadě nemám rád řešení postavené na různých smyčkových modulech. Dle mého názoru si vlak před sebou cestu nestaví. Logika velké železnice je opačná, jak to zde zmiňuje Zlámalík. Nejdříve se zjišťuje volnost cesty, potom se staví výhybky, a u modelu v případě smyček i polarita napájení, potom se staví volnoznak návěstidel a až potom jede vlak.
Přepínání polarity zajišťují dvoupólová relé ovládána dekodérem jako např. tady
http://diskuze.modely.biz/viewtopic.php?f=1&t=13244&p=300197&hilit=rel%C3%A9+p%C5%99ep%C3%ADn%C3%A1n%C3%AD+polarity#p300197 nebo s jiným hardware tady
http://diskuze.modely.biz/viewtopic.php?f=1&t=13533&start=225#p313672.
Při zapojení napájení kolejiště je třeba dodržet zásadu – vyhýbáme se zapojení do kruhu. Napájecí vodiče musí být vždy zapojeny do stromu. Někde o tom píše BohoušP, nechce se mi to teď hledat.
Mnou navrhované řešení není jediné možné nebo jediné správné.
Trochu jsem doplnil schema kolejiště:
Červené úseky značně komplikují řešení. Co se stane, pokud je vynecháme? Zapojení se rozpadne na levou smyčku A, střední úsek B a pravou smyčku C. Potom stačí udělat čtyři dvoukolejnicové dělení úseků, která jsou označena fialovou barvou. Podle pravidla nezapojovat okruhy, tak se vodivě nespojí sousední kolejnice na fialovém dělení.
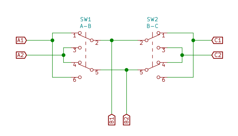
Napájení se přivede pouze k jednomu úseku, např. A. Úsek B potom bude napájen přes relé polarity z úseku A a úsek C bude napájen přes relé polarity z úseku B. Přepínače polarity budou vypadat následovně:

- Krizovatka_smycky.png (24.96 KiB) Zobrazeno 2993 krát
Přepínače SW1 a SW 2 jsou kontakty dvoupólového relé, které je spínáno dekodérem. Počet dvoupólových relé je o jeden menší než je počet samostatně napájených úseků. V našem případě úsek A je napájen z centrály a úseky B a C přes relé polarity. Přepínače SW1 a SW2 se přepínají v závislosti na poleze výhybky pro jízdu z/do smyčky A a pro jízdu z/do smyčky C.
Samozřejmě je možné ponechat i původní schema kolejiště. To nám sice umožní souběžné jízdy kritickým místem až tří vlaků současně, ale elektrické zapojení se nám značně komplikuje. V podstatě každá kolej a každá výhybka může být samostatně napájeným úsekem. To znamená plus jedno dvoupólové relé plus jeden výstup spínacího dekodéru. U některých úseků to může být složitější, protože napájecí body se mohou lišit podle směru jízdy, každý úsek může být tedy napájen ze dvou stran. Potom nepoužitý napájecí bod bude muset být odpojen. Logika spínání jednotlivých relé bude značně komplikovaná. Ale je to řešitelné, jako každý technický problém. Já bych to řešil s JMRI a Layout Editor
https://sites.google.com/site/sidloweb/layout-editor. Na základě postavené vlakové cesty systémem NX Odkud Kam bych se rozhodl, ke kterému nejbližšímu napájecímu bodu se mám připojit a jakou mám mít polaritu. Sice se dosáhne komfortu možné současné jízdy více vlaků, ale řešení bude hodně komplikované i pro zkušeného uživatele.