PWM

Schémata, zapojení, návody, dotazy a postupy k využití v železničním modelářství.

Moderátoři: Michal Dalecký, Jarda H., Rudolf, 123.marek

Re: PWM

Příspěvekod zdeno » úte 15 led, 2019 10:21 am

OT:
To FAKE ozvuceni by mohlo byt zajimave, tim myslim,
ze PWM kmitocet by nemusel byt konstantni, ale ze zvetsujicim plnenim by se mohl zrychlovat.
Teda ze by loko nejen zrychlovala, ale aj bzucela podle rychlosti. ;-)
Uživatelský avatar
zdeno
 
Příspěvky: 3182
Registrován: pon 11 črc, 2011 8:54 am

Re: PWM

Příspěvekod workous » úte 15 led, 2019 7:09 pm

fulda píše:Hmm, já bych tedy raději zvolil ten 16kHz s tím displayem, je to o mnoho lepší zařízení než stavebnice s 555.
Ale jak říkám, analogu já nerozumím.


Tady mají za pár kaček bez poštovného jen si počkat než to přijde :)
https://www.banggood.com/CCM5D-DC-6V-30 ... rehouse=CN
Roco Geoline/DCC DR5000 + RocRail/JMRI momentálně v pauze..
Uživatelský avatar
workous
 
Příspěvky: 2149
Registrován: sob 15 lis, 2008 12:05 pm

Re: PWM

Příspěvekod czcharlie » stř 16 led, 2019 5:36 pm

A na Alíkovi ještě za polovinu (a něco) :D :D
czcharlie
 
Příspěvky: 344
Registrován: čtv 15 pro, 2016 10:42 pm

Re: PWM

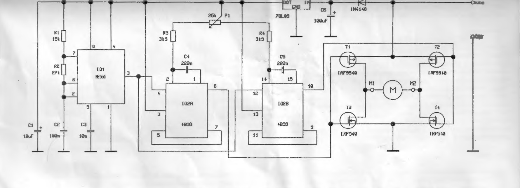
Příspěvekod stanix » úte 25 úno, 2020 8:11 pm

irf_reg.jpg
Vážení, zkoušel jsem udělat pulsní regulátor ze stavebnice GM KH131 - https://www.gme.cz/stavebnice-kh131-obousmerny-regulator-ss-motorku ale bohužel je nepoužitelný. Schéma vypadá jednoduše, obvod 4098 jako dvojitý monostabilní klopný obvod, kde se změnou šířek pulsů ovládá můstek z tranzistorů IRF, potenciometrem tak lze kromě otáček řídit i směr. Nevím z jakého důvodu tranzistory hřejou - i v nulové poloze, zapojení má celkem velký odběr, zdá se, že tranzistory spínají proti sobě. Výstupní napětí při vstupním 13V je přesně polovina, 6,5V v obou směrech. Zapojení bylo zhotoveno ve dvou kusech, vždy stejná závada, vše proměřeno, proběhla i výměna IRF9540/IRF540, ale závadu jsem nenašel.
Má s tím někdo nějaké zkušenosti?
H0 - ČSD - epocha III. - IV.
Uživatelský avatar
stanix
 
Příspěvky: 9
Registrován: úte 25 úno, 2020 5:49 pm

Re: PWM

Příspěvekod Seidl » úte 25 úno, 2020 8:25 pm

obecně řečeno, postavit můstek pro řízení motorku není žádná zábava. Je to velmi háklivé na správné časování a zapojení. To je v rychlosti nástin případných problémů. A když se podívám na ty monostabily, tak si uvědom, že ty kondíky nejsou stejné. Jejich hodnoty se podle výrobce liší i o 20 procent. Tak co to asi udělá. Hoď to do popelnice, tohle neoživíš...
Seidl
 
Příspěvky: 49
Registrován: pát 13 led, 2012 11:48 am

Re: PWM

Příspěvekod JendaTT » úte 25 úno, 2020 8:30 pm

Před několika lety jsme tuhle stavebnici taky zkoušel "rozchodit" - nepovedlo se, hřeje to jak elektrárna a nefunguje. Prostě nepoužitelné... Pak jsme přešel na digitál a tohle už dál neřešil.
JendaTT
 
Příspěvky: 532
Registrován: pát 06 bře, 2015 2:56 pm

Re: PWM

Příspěvekod stanix » úte 25 úno, 2020 8:33 pm

Seidl píše:obecně řečeno, postavit můstek pro řízení motorku není žádná zábava. Je to velmi háklivé na správné časování a zapojení. To je v rychlosti nástin případných problémů. A když se podívám na ty monostabily, tak si uvědom, že ty kondíky nejsou stejné. Jejich hodnoty se podle výrobce liší i o 20 procent. Tak co to asi udělá. Hoď to do popelnice, tohle neoživíš...

Asi máš pravdu. Je však zajímavé, že GM Electronic to už 3 roky prodává jako zaručenou stavebnici za 475,-. Před Vánocemi jsem ji znovu (omylem) koupil v přesvědčení, že jde o něco jiného a hned druhý den jsem to vracel. Na posměšný výraz prodavače, když jsem mu řekl, že zapojení z principu nefunguje - nezapomenu.
H0 - ČSD - epocha III. - IV.
Uživatelský avatar
stanix
 
Příspěvky: 9
Registrován: úte 25 úno, 2020 5:49 pm

Re: PWM

Příspěvekod Seidl » úte 25 úno, 2020 8:41 pm

když už si chceš pořídit nějaký pulzní regulátor, tak si tu projdi historii. Je tu několik ověřených projektů a ani se s tím nemusíš trápit, dostaneš to hotové.
Seidl
 
Příspěvky: 49
Registrován: pát 13 led, 2012 11:48 am

Re: PWM

Příspěvekod Myšpulín » stř 26 úno, 2020 3:11 pm

Asi za největší problém vidím to, že nejsou protilehlé tranzistory v můstku řízeny z jednoho zdroje. Možná by stačilo směr přepínat přepínačem, použít jen polovinu 4098 a zbytek přes inventory. Ale to se v tom musíš orientovat.
H0, III až IV, ČSD, nemodelář
Myšpulín
 
Příspěvky: 1556
Registrován: stř 24 led, 2007 7:43 pm
Bydliště: Hostinné

Re: PWM

Příspěvekod stanix » stř 26 úno, 2020 6:25 pm

Na radu diskutujících jsem dotyčný regulátor z GM Electronic odložil na neurčito a dodělal jsem v pořadí již druhý, také obousměrný, bohužel je s bipoláry BD679/BD680 ale funguje naprosto perfektně a spolehlivě, dá se jet opravdu krokem, stavba nemá žádné záludnosti a navíc je součástí i elektronická pojistka. Zapojení - viz příloha
Přílohy
reg_bd.pdf
(583.02 KiB) 474 krát
H0 - ČSD - epocha III. - IV.
Uživatelský avatar
stanix
 
Příspěvky: 9
Registrován: úte 25 úno, 2020 5:49 pm

Re: PWM

Příspěvekod MiG » čtv 27 úno, 2020 4:33 pm

Možná se mýlím, ale mě to přijde, že "horní" tranzistory (IRF9540) jsou trvale pootevřené, protože pro Vcc 13V a stabilizaci na 9V bude na G něco pod 9V tj. -4V a tranzistor otevírá při cca -4.5V.
Tuto moji teorii vyvrací buď informace, že topí silně všechny 4 tranzistory, nebo že zůstávají topit (a je velký proud při "nule") i při Vcc 11V pokud ho máte jak nastavit.
Při 11V možná už 78L09 nebude fungovat dobře, když má "před sebou" diodu.
MiG
 
Příspěvky: 1106
Registrován: sob 14 úno, 2015 11:55 pm

Re: PWM

Příspěvekod PeLi » čtv 27 úno, 2020 6:13 pm

Takáto úprava by mala stačiť :
Přílohy
MD.jpg
Uživatelský avatar
PeLi
 
Příspěvky: 52
Registrován: úte 04 úno, 2014 6:46 pm

Re: PWM

Příspěvekod MiG » čtv 27 úno, 2020 6:55 pm

Ale to už vyžaduje "rýpat" do plošňáku.
Byla by ještě jedna "nerýpací", ale vyžadující zajištění bezpečných podmínek.
Pokud by zdroj nemohl dát víc, než 14.5V (bezpečná podmínka), a C1 je alespoň na 16V (bezpečná podmínka), tak vzhledem k tomu, že NE555 i 4098 mají psané napájení i 15V by bylo možno nahradit 78L09 odporem 56Ohmů a k C1 dát paralelně zenerku na 15V a ještě jeden kondenzátor 100uF na 16V min.
Takto bude předpětí "horních" tranzistorů jen cca -2V a to by už vést neměly.
Je nutno zkontrolovat, že napěťové -> proudové špičky z komutace motorku nepřetěžují při jakémkoliv provozním stavu ochrannou zenerku, případně náhradní 56Ohmový odpor místo stabilizátoru (bezpečná podmínka).
Změna napětí změní kmitočet generovaný 555 i délky pulsů monostabilů a časovací kondenzátory, případně odpory, se možná budou muset doladit.
Předpokládám, že všechny "malé" kondenzátory (C2 až C5) jsou na více, než 16V.
MiG
 
Příspěvky: 1106
Registrován: sob 14 úno, 2015 11:55 pm

Re: PWM

Příspěvekod MiG » čtv 27 úno, 2020 8:37 pm

To původní zapojení má ještě jednu nepříznivou vlastnost a ani úprava dle PeLi to asi neřeší.
Na začátku periody s pulsem délky dané časovacím odporem nejméně 3k9 a na konci periody dané časovacím odporem nejvíce 28k9 bude motor brzděn sepnutou dvojicí IRF540 nebo IRF9540.
A z toho plyne i doplňkový ohřev tranzistorů a zvětšený odběr.
Nebude to vadit jen v "neutrálu, kdy oba MKO budou generova stejně dlouhý puls.
MiG
 
Příspěvky: 1106
Registrován: sob 14 úno, 2015 11:55 pm

Re: PWM

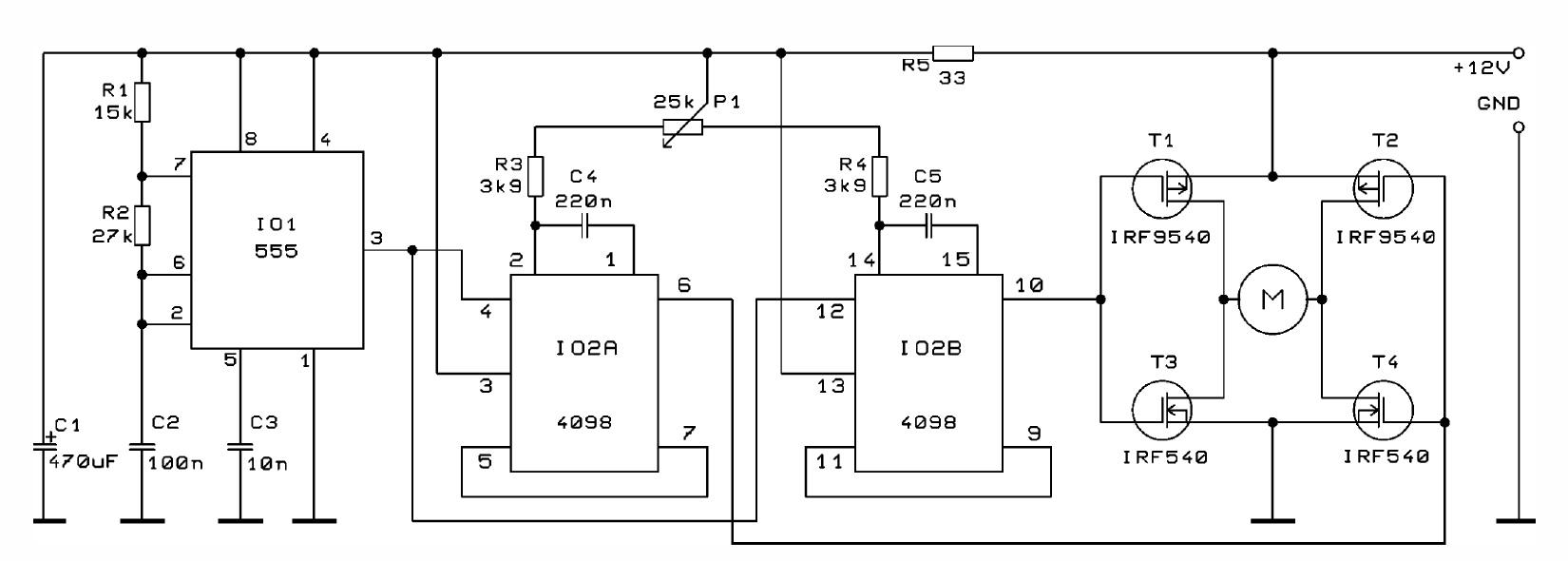
Příspěvekod stanix » pát 28 úno, 2020 7:22 am

S tím napětím pro obvody 555 a 4098 máte pravdu, ne že bych už to zkoušel, ale mám i původní zapojení tohoto regulátoru (Praktická elektronika A-Radio 05/2005), kde je opravdu stabilizátor nahrazen odporem 33ohmů. Každopádně vyzkouším a dám vědět.
Přílohy
reg_mosfet.jpg
H0 - ČSD - epocha III. - IV.
Uživatelský avatar
stanix
 
Příspěvky: 9
Registrován: úte 25 úno, 2020 5:49 pm

PředchozíDalší

Zpět na Elektrika a elektronika

Kdo je online

Uživatelé procházející toto fórum: Žádní registrovaní uživatelé a 1 návštěvník