BohousP píše:2.) nespojitá detekce je diskutabilní. Teoreticky to nastat může, ale při opakovaném čtení je to už daleko menší pravděpodobnost.
Už i ty Bohouši?
Takže - Na vstupu S88 je jako náhodou R-S klopný obvod, protože jedoucí mašinka mimo jiné celkem dost drncá, takže by té nespojitosti bylo vc než dost.
Koho zajmají detektory založené na měřcích transformátorech, tak jich mám pár po kapsách. všechny celkem složité ve srovnání s gretzem.
Použiju obrázek detektorů založených na úbytku napětí. Všimněte si, že první je jen na dvě diody, ale zase má společnou zem s centrálou (to je vhodné do detektorů, které používají RS, protože je oddělená sběrnice a zároveň je detektor z koleje napájen). Druhej model je opticky oddělenej, ale používá 4 diody.
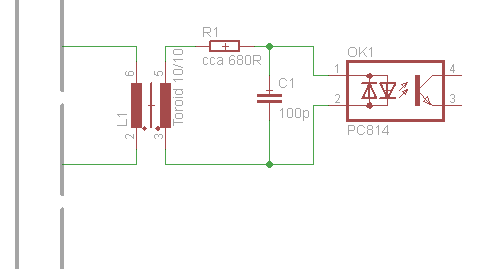
Další možnost je to Zdenovo trafo, to se dá udělat docela elegantně (viz následující obrázek). Optočlen musí bejt dvoudiodovej, nebo se musí vrátit ta bipolární dioda na začátek (1N4148). Bohužel je trochu dost nestabilní a přenáší do diod všeljaké proudové špičky. (ty se snaží zastavovat kondenzátor, ale není to stoprocentní)
Velice dobrej detektor je ten od Mike Boltona (poslední obrázek), ten je jen na jeden procházející drát, ale bohužel je trochu dost komplikovanej.
Jo a hezké povídání o detektorech je třeba
TADY

- detekce_tr.gif (3.39 KiB) Zobrazeno 8438 krát