fulda píše:zavovi píše:Zdravím,
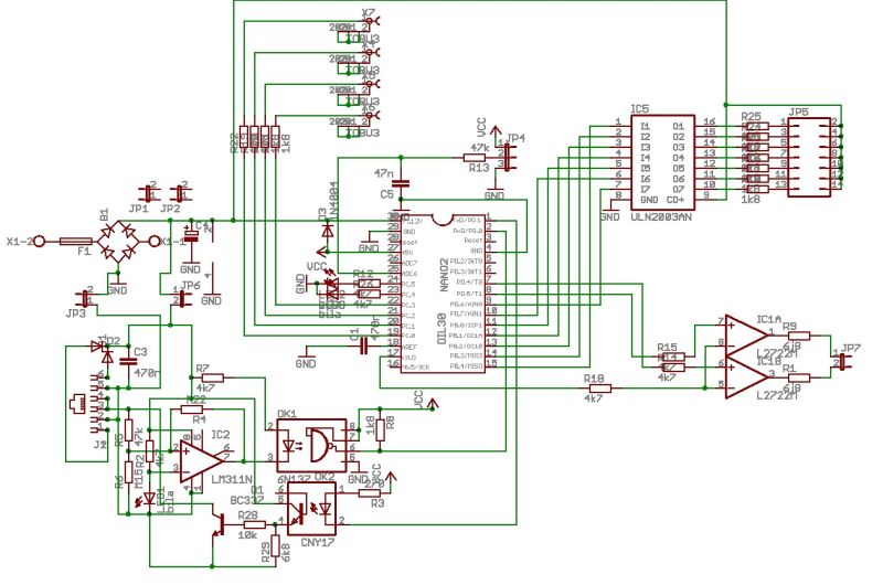
Zapojil jsem si to zatím k centrále na UART přes následující schéma:
Ve tvojem schématu je chybně R20, na jeho místo dej pořádnej zdroj proudu, třeba jako má Zdeno. To balancování komparátoru máš poněkud odvážné, ale asi to nemusí být úplně chybně.
RailSync má na rozdíl od přímého DCC proudový limit v miliampérách a některá zařízení na to spoléhají, takže přímé připojení DCC rozhodně ne.
Mohu poprosit malinko o vysvětlení jak je určen ten výpočet rezistorů u komparátoru ? Je to dané normou, výpočtem nebo empirickým zjištěním ? u 3,3V napájení a 3.3V MCU se to bude předpokládám lišit trochu tím děličem ?
Ještě - jestli jsem dobře pochopil, že centrála má k LN "pull-up" rezistor k 12V. Jaká je jeho doporučená hodnota ? a jeho parametry se nemění s délkou (velikostí) sběrnice LN ?
Vysíláním na LN se tranzistorem "přetlačí" k GND - jak tím pádem může být Loconet opticky oddělený když se "tlačí" k té svojí GND a tím i ke GND centrály, dekodéru, ovladače ?
