
http://www.zavavov.cz/cz/modelova-zeleznice/aktuality/akce-centrala-tcs-za-vysvedceni/
Moderátoři: Michal Dalecký, Jarda H., Rudolf


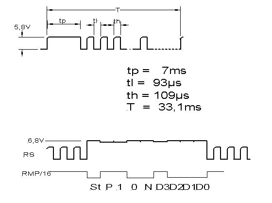
fulda píše:Je to zejména proto, že mohou existovat dekodéry, které vyhodnocují výhradně tříbajtové pakety.
Ano, je to celkem běžné, zejména začátečnické DIY projekty. Nebo většina projektů pro šesti pinové procesory to tak dělá, nemohou si toho moc víc dovolit.zdeno píše:to myslis vazne, ze to jeste existuje ??fulda píše:Je to zejména proto, že mohou existovat dekodéry, které vyhodnocují výhradně tříbajtové pakety.
Uživatelé procházející toto fórum: Žádní registrovaní uživatelé a 1 návštěvník